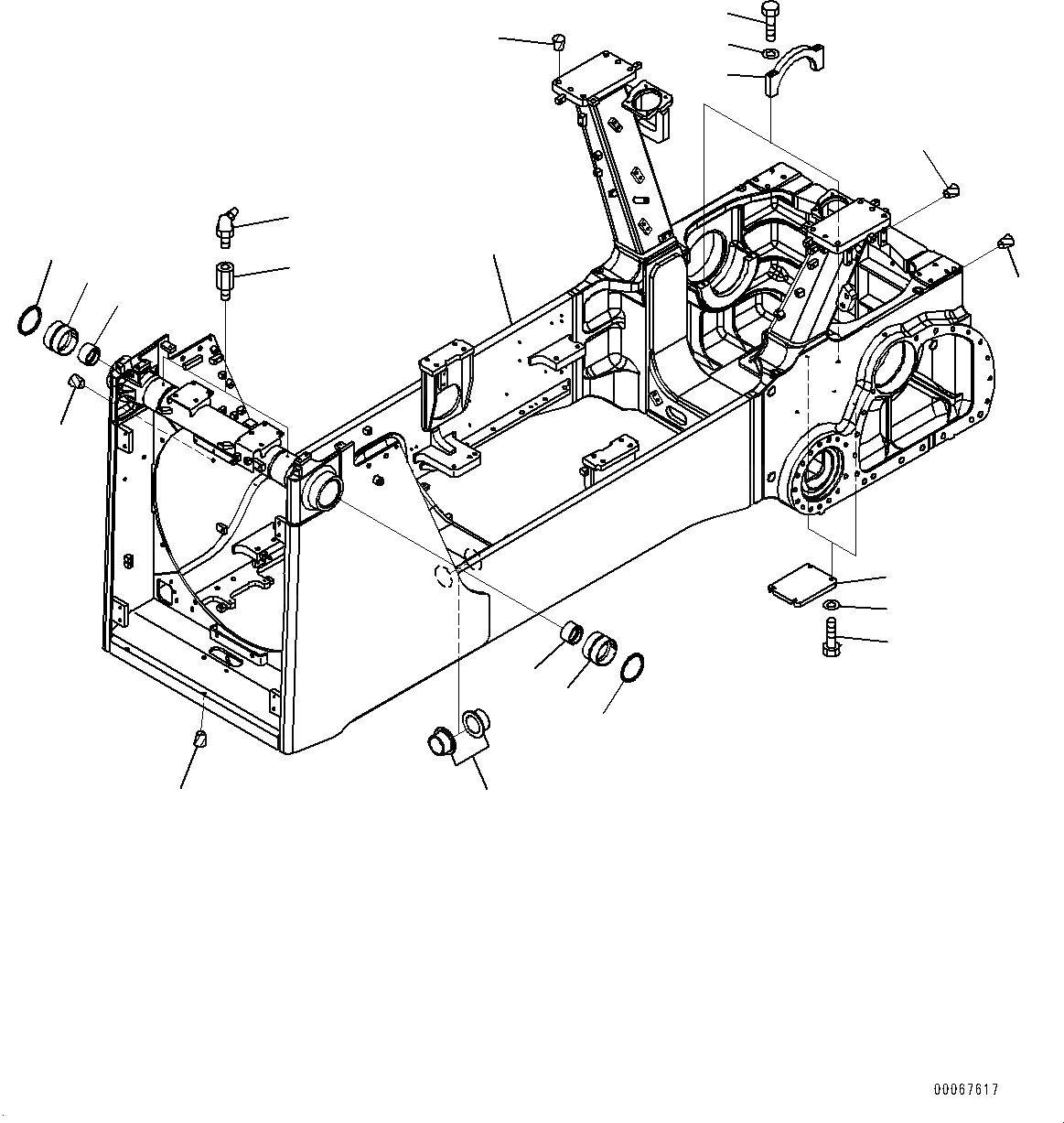
Запчасти Komatsu D85EX-15R ОСНОВН. РАМА (№-) ОСНОВН. РАМА

Схема запчастей Komatsu D85EX-15R - ОСНОВН. РАМА (№-) ОСНОВН. РАМА
8
6
7
10
9
8
7
6
5
16
1
18
15
14
17
4
3
2
11
13
12
FIT
1:1
100%

Артикул

Название

Примечание

Количество

1

154-21-75104

Frame

SN: 20003-UP

1шт.

2

154-21-71551

Cover

SN: 20003-UP

2шт.

3

01010-81230

Bolt

SN: 20003-UP

8шт.

4

01643-31232

Washer

SN: 20003-UP

8шт.

5

154-21-71320

Bushing

SN: 20003-UP

2шт.

6

154-61-13141

Bushing

SN: 20003-UP

2шт.

7

154-61-75730

Bushing

SN: 20003-UP

2шт.

8

154-61-13150

Seal

SN: 20003-UP

2шт.

9

207-68-11170

Nipple

SN: 20003-UP

2шт.

10

07020-00675

Fitting, Grease

SN: 20003-UP

2шт.

11

154-21-71420

Cap

SN: 20003-UP

2шт.

12

01011-81640

Bolt

SN: 20003-UP

4шт.

13

01643-31645

Washer

SN: 20003-UP

4шт.

14

07049-03342

Plug, Cork

SN: 20003-UP

16шт.

15

07049-02025

Plug

SN: 20003-UP

8шт.

16

07049-01215

Plug

SN: 20003-UP

6шт.

17

07049-02430

Plug

SN: 20003-UP

12шт.

18

07049-01822

Plug

SN: 20003-UP

2шт.

Выбрано товаров: 18