Запчасти Komatsu D85EX-15R ЭЛЕКТРИЧ. ПРОВОДКА КРЕПЛЕНИЕ (№-) ЭЛЕКТРИЧ. ПРОВОДКА КРЕПЛЕНИЕ

Схема запчастей Komatsu D85EX-15R - ЭЛЕКТРИЧ. ПРОВОДКА КРЕПЛЕНИЕ (№-) ЭЛЕКТРИЧ. ПРОВОДКА КРЕПЛЕНИЕ
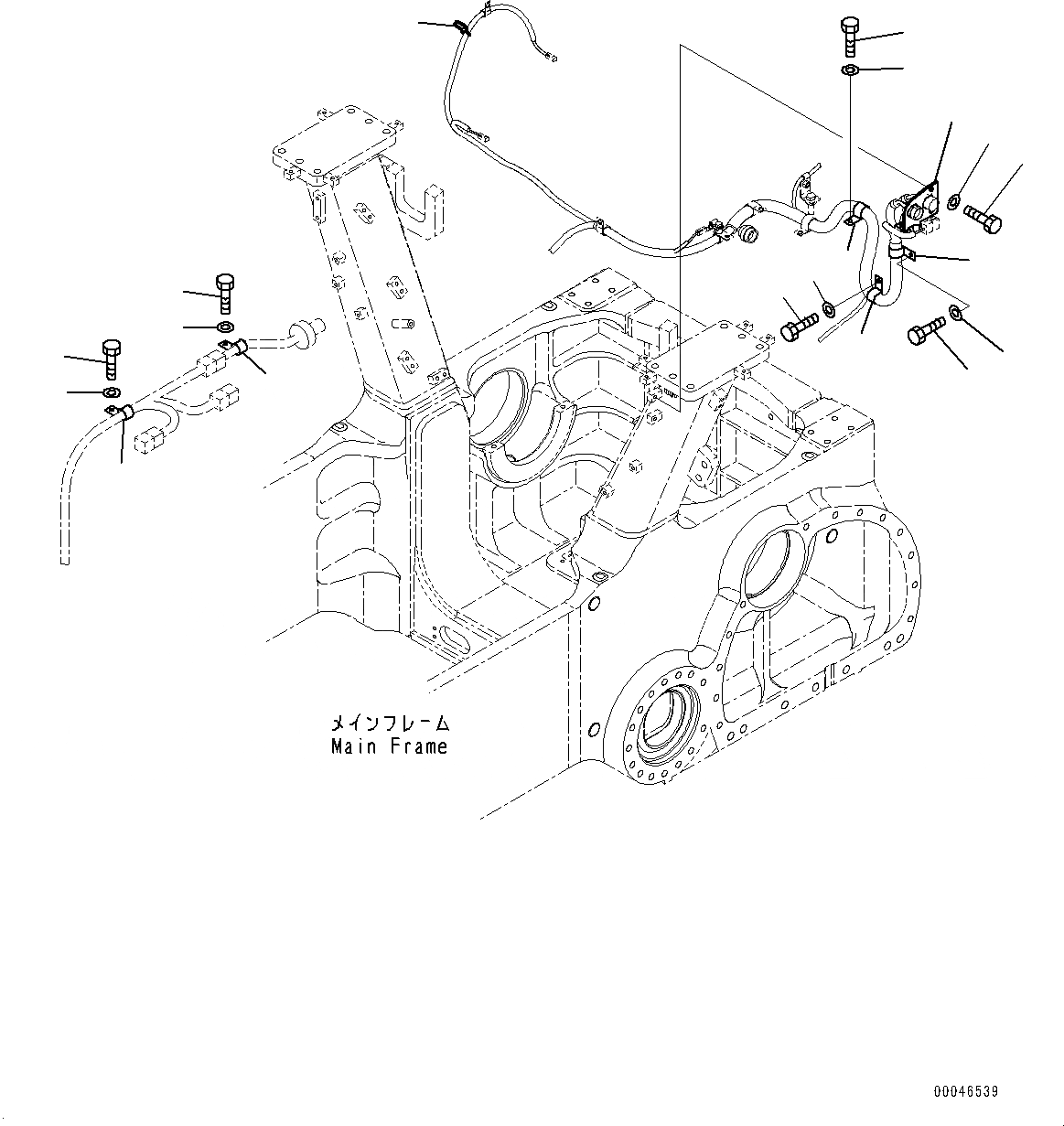
1
2
3
5
8
9
10
11
12
13
14
15
7
7
8
9
6
4
16
FIT
1:1
100%

Артикул

Название

Примечание

Количество

1

154-06-74260

Bracket

SN: 20003-UP

1шт.

2

01010-81230

Bolt

SN: 20003-UP

2шт.

3

01643-31232

Washer

SN: 20003-UP

2шт.

4

04434-51712

Clip

SN: 20003-UP

1шт.

5

01010-81230

Bolt

SN: 20003-UP

1шт.

6

01643-31232

Washer

SN: 20003-UP

1шт.

7

04434-53412

Clip

SN: 20003-UP

2шт.

8

01010-81230

Bolt

SN: 20003-UP

2шт.

9

01643-31232

Washer

SN: 20003-UP

2шт.

10

04434-51512

Clip

SN: 20003-UP

1шт.

11

01010-81230

Bolt

SN: 20003-UP

1шт.

12

01643-31232

Washer

SN: 20003-UP

1шт.

13

04434-51512

Clip

SN: 20003-UP

2шт.

14

01010-81230

Bolt

SN: 20003-UP

1шт.

15

01643-31232

Washer

SN: 20003-UP

1шт.

16

08034-40521

Band

SN: 20003-UP

2шт.

Выбрано товаров: 16