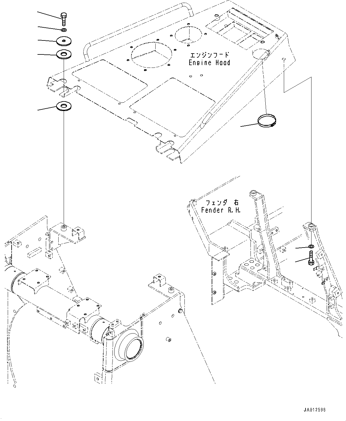
Запчасти Komatsu D85EX-15R КАПОТ И БОКОВ. КРЫШКА ГРУППА, КОМПОНЕНТЫ (№-) КАПОТ И БОКОВ. КРЫШКА ГРУППА, БЕЗ КАБИНЫ

Схема запчастей Komatsu D85EX-15R - КАПОТ И БОКОВ. КРЫШКА ГРУППА, КОМПОНЕНТЫ (№-) КАПОТ И БОКОВ. КРЫШКА ГРУППА, БЕЗ КАБИНЫ
4
3
4
5
6
7
2
1
FIT
1:1
100%

Артикул

Название

Примечание

Количество

1

01010-81655

Bolt

SN: 20003-UP

2шт.

2

01643-31645

Washer

SN: 20003-UP

2шт.

3

195-54-46180

Plate

SN: 20003-UP

4шт.

4

6930-21-4120

Plate

SN: 20003-UP

2шт.

5

01010-81645

Bolt

SN: 20003-UP

2шт.

6

01643-31645

Washer

SN: 20003-UP

2шт.

7

14X-911-7670

Clamp

SN: 20003-UP

1шт.

Выбрано товаров: 7