Качественные детали и логистика
Оригинальные и аналоговые запчасти с доставкой по России, Казахстану и Беларуси
©2022 PartSell ООО "Система" ИНН 2463123282 ОГРН 1212400004838
Центральный офис: г. Красноярск, Академика Киренского, д.87, пом.4
Телефон: 8 (800) 777-65-74 Email: zakaz@partsell.ru
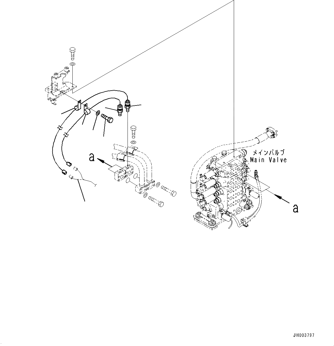
ROTOR LIFT ТРУБЫ, ROTOR BASKET ТРУБЫ (/) (№-)
№
Артикул
Название
Примечание
Количество
1
7861-93-1610
Sensor
SN: 1006-UP
2шт.
2
04434-51212
Clip
3
01010-81220
Bolt
1шт.
4
01643-31232
Washer
5
154-969-4131
Wiring Harness
SN: UP
-1шт.
Выбрано товаров: 0