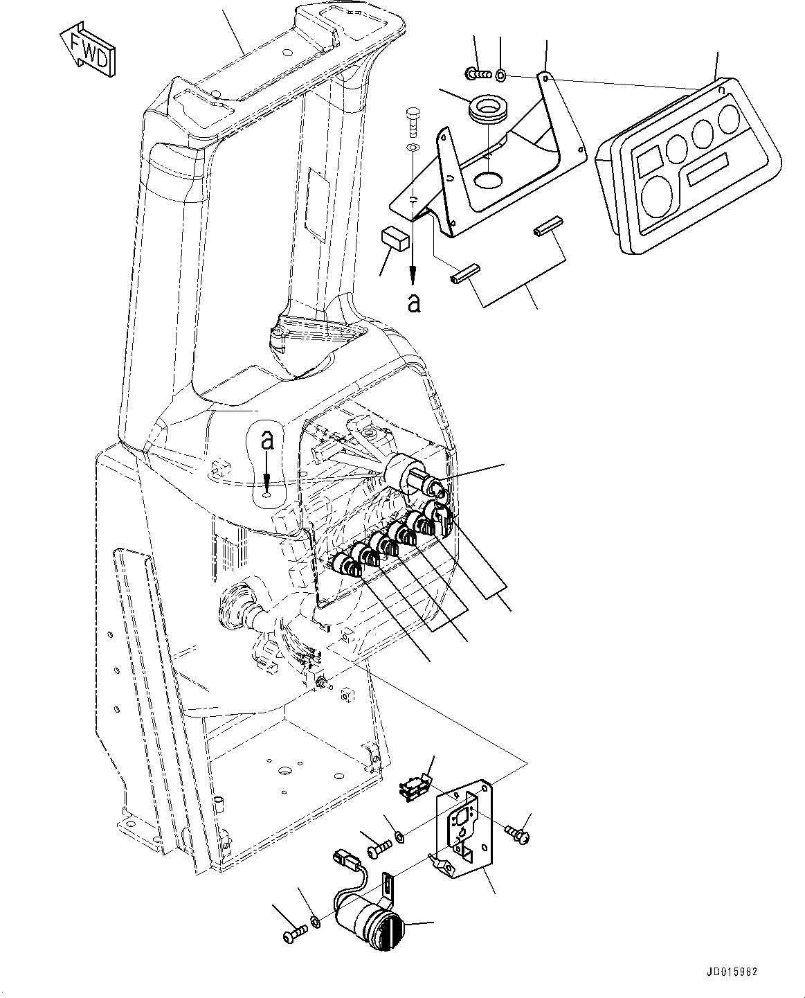
Запчасти Komatsu D85MS-15 ПРИБОРНАЯ ПАНЕЛЬ, ПАНЕЛЬ МОНИТОРА И ПЕРЕКЛЮЧАТЕЛЬ (№-) ПРИБОРНАЯ ПАНЕЛЬ

Схема запчастей Komatsu D85MS-15 - ПРИБОРНАЯ ПАНЕЛЬ, ПАНЕЛЬ МОНИТОРА И ПЕРЕКЛЮЧАТЕЛЬ (№-) ПРИБОРНАЯ ПАНЕЛЬ
3
18
12
13
14
16
17
19
15
4
2
1
5
7
6
8
10
9
11
20
FIT
1:1
100%

Артикул

Название

Примечание

Количество

1

7831-68-4003

Monitor Panel

SN: 1006-UP

1шт.

2

17A-Z11-7150

Bracket

SN: 1006-UP

1шт.

3

01245-00612

Screw

SN: 1006-UP

4шт.

4

01643-70623

Washer

SN: 1006-UP

4шт.

5

17A-Z11-7660

Sheet

SN: 1006-UP

2шт.

6

17A-Z11-7740

Sheet

SN: 1006-UP

2шт.

7

08037-03614

Grommet

SN: 1006-UP

1шт.

8

08086-10000

Switch, Starting

SN: 1006-UP

1шт.

9

14X-06-12160

Switch

SN: 1006-UP

3шт.

10

7824-85-4810

Switch

SN: 1006-UP

2шт.

11

114-06-42310

Switch

SN: 1006-UP

1шт.

12

198-06-56570

Buzzer

SN: 1006-UP

1шт.

13

01245-00612

Screw

SN: 1006-UP

2шт.

14

01643-70623

Washer

SN: 1006-UP

2шт.

15

17A-Z11-7410

Bracket

SN: 1006-UP

1шт.

16

01245-00816

Screw

SN: 1006-UP

2шт.

17

01643-70823

Washer

SN: 1006-UP

2шт.

18

195-979-8340

Breaker

SN: 1006-UP

2шт.

19

01023-10308

Screw

SN: 1006-UP

4шт.

20

17A-Z11-3811

Duct

SN: UP

-1шт.

Выбрано товаров: 0