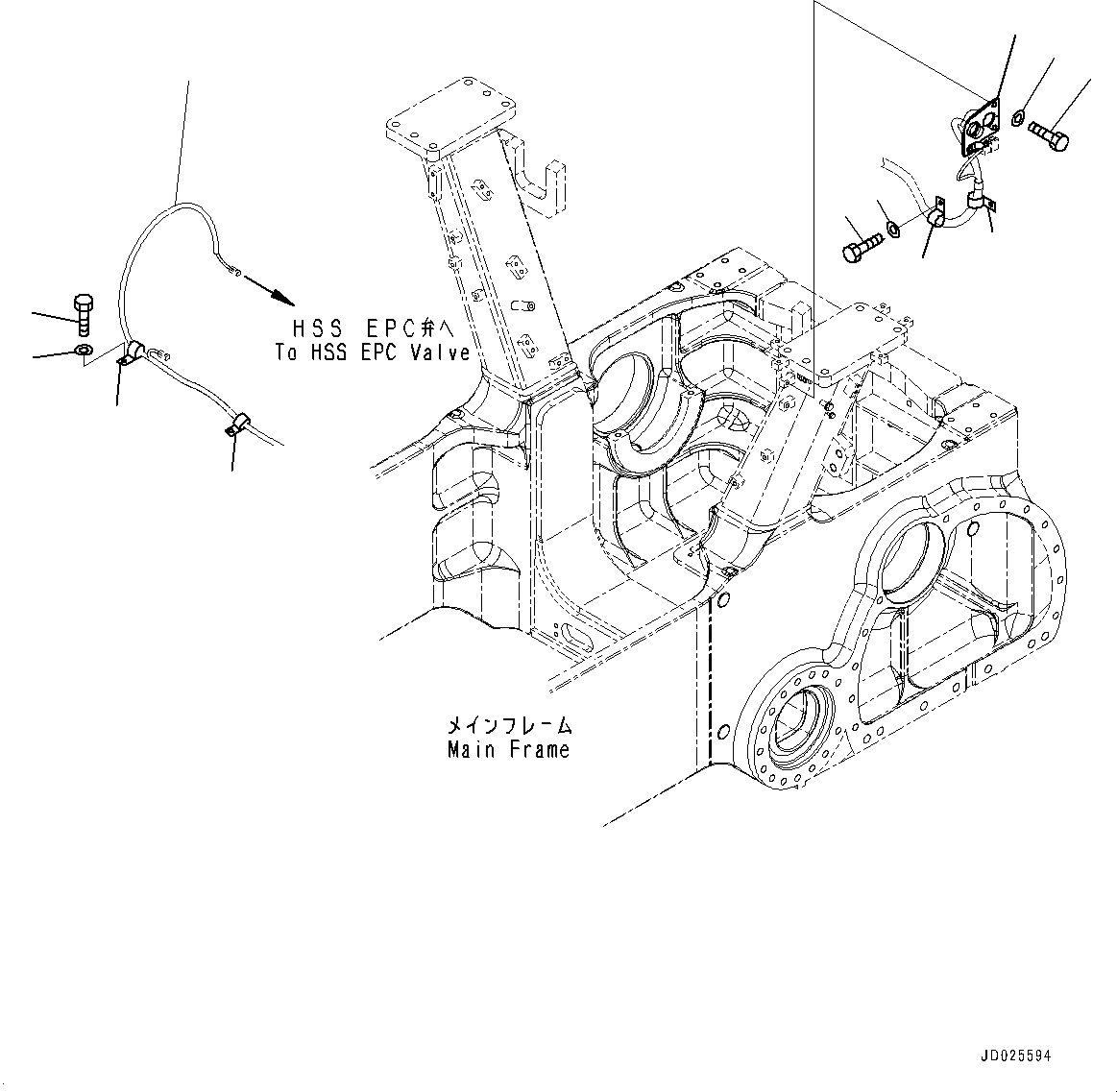
Запчасти Komatsu D85MS-15 ПРОВОДКА КРЕПЛЕНИЕ, СИЛОВАЯ ПЕРЕДАЧА (№-) ПРОВОДКА КРЕПЛЕНИЕ

Схема запчастей Komatsu D85MS-15 - ПРОВОДКА КРЕПЛЕНИЕ, СИЛОВАЯ ПЕРЕДАЧА (№-) ПРОВОДКА КРЕПЛЕНИЕ
10
7
8
9
11
1
2
3
4
5
6
4
FIT
1:1
100%

Артикул

Название

Примечание

Количество

1

154-06-71310

Bracket

SN: 1006-UP

1шт.

2

01010-81230

Bolt

SN: 1006-UP

2шт.

3

01643-31232

Washer

SN: 1006-UP

2шт.

4

04434-53412

Clip

SN: 1006-UP

2шт.

5

01010-81230

Bolt

SN: 1006-UP

2шт.

6

01643-31232

Washer

SN: 1006-UP

2шт.

7

04434-51012

Clip

SN: 1006-UP

2шт.

8

01010-81230

Bolt

SN: 1006-UP

1шт.

9

01643-31232

Washer

SN: 1006-UP

1шт.

10

04434-51212

Clip

SN: 1006-UP

1шт.

11

154-969-4211

Wiring Harness

SN: UP

-1шт.

Выбрано товаров: 11