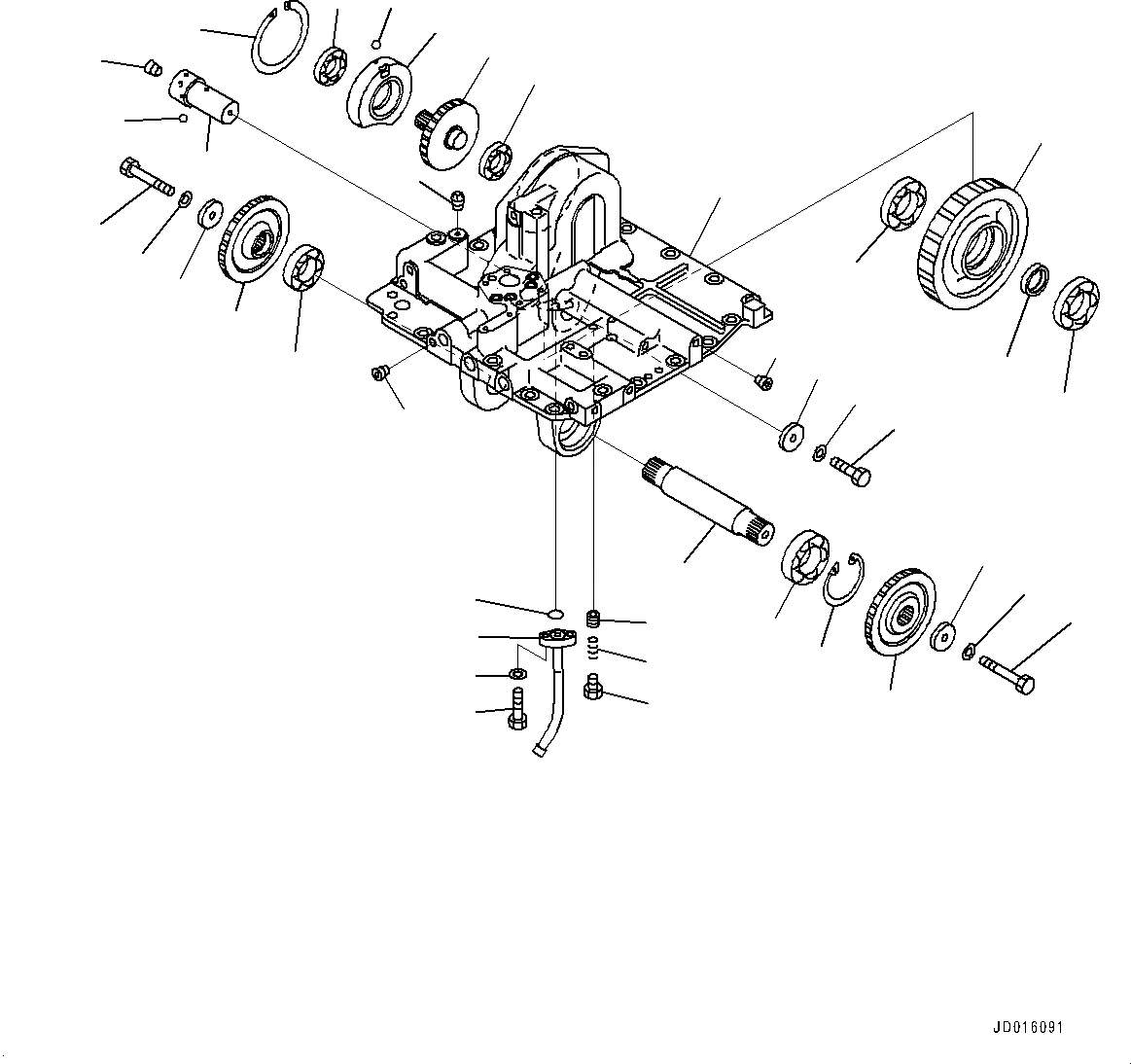
Запчасти Komatsu D85MS-15 СИЛОВАЯ ПЕРЕДАЧА, КОНИЧЕСКАЯ ПЕРЕДАЧА С ВАЛОМ (/) (№-) СИЛОВАЯ ПЕРЕДАЧА

Схема запчастей Komatsu D85MS-15 - СИЛОВАЯ ПЕРЕДАЧА, КОНИЧЕСКАЯ ПЕРЕДАЧА С ВАЛОМ (/) (№-) СИЛОВАЯ ПЕРЕДАЧА
28
23
29
30
10
19
1
6
7
8
21
22
20
19
18
17
16
15
14
13
12
11
6
5
4
3
2
1
10
9
8
7
27
26
31
32
24
25
24
FIT
1:1
100%

Артикул

Название

Примечание

Количество

|$0

154-22-20051

Power Train Assembly

SN: 1006-UP

1шт.

|$1

154-22-21052

Bearing

SN: 1006-UP

1шт.

1

14Y-22-22311

Gear

SN: 1006-UP

2шт.

2

154-22-24260

Shaft

SN: 1006-UP

1шт.

3

06030-06309

Bearing

SN: 1006-UP

1шт.

4

04065-01030

Ring, Snap

SN: 1006-UP

1шт.

5

134-22-79320

Bearing

SN: 1006-UP

1шт.

6

23E-15-13350

Holder

SN: 1006-UP

2шт.

7

01010-81280

Bolt

SN: 1006-UP

2шт.

8

01643-31232

Washer

SN: 1006-UP

2шт.

9

14Y-22-22321

Gear

SN: 1006-UP

1шт.

10

06030-06309

Bearing

SN: 1006-UP

2шт.

11

14Y-22-22170

Collar

SN: 1006-UP

1шт.

12

14Y-22-22231

Shaft

SN: 1006-UP

1шт.

13

07043-70108

Plug

SN: 1006-UP

1шт.

14

04260-00635

Ball, Steel

SN: 1006-UP

1шт.

15

23E-15-13350

Holder

SN: 1006-UP

1шт.

16

01010-81230

Bolt

SN: 1006-UP

1шт.

17

01643-31232

Washer

SN: 1006-UP

1шт.

18

14Y-22-22330

Gear

SN: 1006-UP

1шт.

19

06340-06207

Bearing

SN: 1006-UP

2шт.

20

14Y-22-22181

Cage

SN: 1006-UP

1шт.

21

04071-00140

Ring, Snap

SN: 1006-UP

1шт.

22

04260-00635

Ball, Steel

SN: 1006-UP

1шт.

23

154-22-25130

Cover

SN: 1006-UP

1шт.

24

07043-70312

Plug

SN: 1006-UP

19шт.

25

07042-80108

Plug

SN: 1006-UP

1шт.

26

23A-15-15490

Valve

SN: 1006-UP

1шт.

27

702-16-52420

Spring

SN: 1006-UP

1шт.

28

07040-12012

Plug

SN: 1006-UP

1шт.

29

154-22-26240

Tube

SN: 1006-UP

1шт.

30

07000-73022

O-ring

SN: 1006-UP

1шт.

31

01010-81035

Bolt

SN: 1006-UP

2шт.

32

01643-31032

Washer

SN: 1006-UP

2шт.

Выбрано товаров: 34