Запчасти Komatsu SA6D125E-3D PM-CLINIC СОЕДИН-Е (№-) PM-CLINIC СОЕДИН-Е

Схема запчастей Komatsu SA6D125E-3D - PM-CLINIC СОЕДИН-Е (№-) PM-CLINIC СОЕДИН-Е
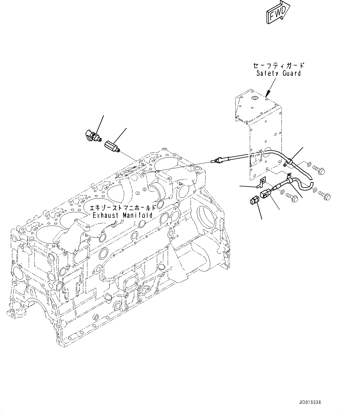
4
4
1
2
3
6
5
4
4
1
2
3
6
5
FIT
1:1
100%

Артикул

Название

Примечание

Количество

1

6215-11-8281

Sensor

SN: 324065-UP

1шт.

2

6240-81-5470

Connector

SN: 324065-UP

1шт.

3

08193-20010

Clip

SN: 324065-UP

1шт.

4

04434-50510

Clip

SN: 324065-UP

2шт.

5

195-49-36120

Nipple

SN: 324065-UP

1шт.

6

6141-55-5630

Nipple

SN: 324065-UP

1шт.

1

6215-11-8281

Sensor

SN: 324065-UP

1шт.

2

6240-81-5470

Connector

SN: 324065-UP

1шт.

3

08193-20010

Clip

SN: 324065-UP

1шт.

4

04434-50510

Clip

SN: 324065-UP

2шт.

5

195-49-36120

Nipple

SN: 324065-UP

1шт.

6

6141-55-5630

Nipple

SN: 324065-UP

1шт.

Выбрано товаров: 12