Запчасти Komatsu D85P-18 БОРТОВ. ФРИКЦИОН СИСТЕМАУПРАВЛЕНИЯ ПОВОРОТОМ И КОНЕЧНАЯ ПЕРЕДАЧА

Схема запчастей Komatsu D85P-18 - БОРТОВ. ФРИКЦИОН СИСТЕМАУПРАВЛЕНИЯ ПОВОРОТОМ И КОНЕЧНАЯ ПЕРЕДАЧА
FIT
1:1
100%

Артикул

Название

Примечание

Количество

|$0

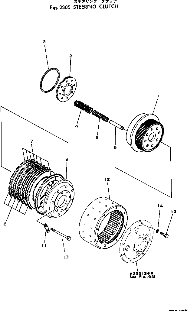
154-22-00011

STEERING CLUTCH A.

SN: 2105-UP

2шт.

|$1

0

STEERING CLUTCH A.

SN: 2001-2104

2шт.

1

154-22-11122

DRUM

SN: 2001-UP

1шт.

2

175-22-21141

PISTON

SN: 2001-UP

1шт.

3

175-22-21190

RING,SEAL

SN: 2001-UP

1шт.

4

175-22-21170

SPRING

SN: 2001-UP

8шт.

5

175-22-21180

SPRING

SN: 2001-UP

8шт.

6

154-22-11210

SLEEVE

SN: 2001-UP

8шт.

7

154-22-11230

DISC

SN: 2105-UP

7шт.

7

0

DISC

SN: 2001-2104

7шт.

8

175-22-21160

PLATE

SN: 2001-UP

6шт.

9

175-22-21131

PLATE

SN: 2001-UP

1шт.

10

154-22-12111

BOLT

SN: 2001-UP

8шт.

11

175-22-21250

WASHER,LOCK

SN: 2001-UP

4шт.

12

154-22-11111

DRUM

SN: 2001-UP

1шт.

13

01010-51850

BOLT

SN: 2001-UP

16шт.

14

01643-31845

WASHER

SN: .-UP

16шт.

14

0

WASHER,SPRING

SN: 2001-.

16шт.

Выбрано товаров: 18