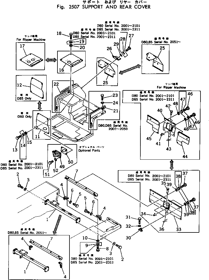
Запчасти Komatsu D85P-18 СУППОРТ И ЗАДН. КРЫШКА ЧАСТИ КОРПУСА

Схема запчастей Komatsu D85P-18 - СУППОРТ И ЗАДН. КРЫШКА ЧАСТИ КОРПУСА
FIT
1:1
100%

Артикул

Название

Примечание

Количество

1

154-54-11748

SUPPORT

SN: 2051-UP

1шт.

1

154-54-11747

SUPPORT

SN: 2001-2050

1шт.

2

01010-51640

BOLT

SN: 2001-UP

8шт.

3

01643-31645

WASHER

SN: 2312-UP

8шт.

3

0

WASHER,SPRING

SN: 2001-2311

8шт.

4

154-54-12694

BRACKET

SN: 2051-UP

2шт.

4

154-54-12693

BRACKET

SN: 2001-2050

2шт.

5

01010-51235

BOLT

SN: 2001-UP

4шт.

6

01602-21236

WASHER,SPRING

SN: 2001-UP

4шт.

7

154-54-11449

ANGLE

SN: 2051-UP

1шт.

7

154-54-11448

ANGLE

SN: 2001-2050

1шт.

8

01010-51230

BOLT

SN: 2051-UP

2шт.

8

01010-51230

BOLT

SN: 2001-2050

4шт.

9

01602-21236

WASHER

SN: 2051-2311

2шт.

9

01602-21236

WASHER

SN: 2001-2050

4шт.

10

01643-31232

WASHER

SN: 2051-UP

2шт.

10

01643-31232

WASHER

SN: 2001-2050

4шт.

11

154-54-51251

COVER

SN: 2001-UP

1шт.

13

01010-50825

BOLT

SN: 2001-UP

4шт.

14

01602-20825

WASHER,SPRING

SN: 2001-2311

4шт.

15

01643-30823

WASHER

SN: 2001-UP

4шт.

16

154-54-22821

COVER

SN: 2001-UP

1шт.

17

154-54-22930

COVER

SN: 2001-UP

1шт.

18

01010-50825

BOLT

SN: 2001-UP

4шт.

19

01602-20825

WASHER,SPRING

SN: 2001-2311

4шт.

20

01643-30823

WASHER

SN: 2001-UP

4шт.

21

154-54-22950

HANDLE,L.H.

SN: 2001-2050

1шт.

22

154-54-22960

HANDLE,R.H.

SN: 2001-2050

1шт.

23

01010-51435

BOLT

SN: 2001-2050

4шт.

24

01602-21442

WASHER,SPRING

SN: 2001-2050

4шт.

25

154-54-14523

COVER

SN: 2051-UP

1шт.

25

0

COVER

SN: 2001-2050

1шт.

26

154-54-22841

BRACKET

SN: 2001-UP

1шт.

27

01010-51230

BOLT

SN: 2001-UP

6шт.

28

01602-21236

WASHER,SPRING

SN: 2001-2311

6шт.

29

01643-31232

WASHER

SN: 2001-UP

6шт.

30

154-54-12791

BRACKET

SN: 2001-UP

2шт.

31

01010-51225

BOLT

SN: 2001-UP

4шт.

32

01602-21236

WASHER,SPRING

SN: 2001-UP

4шт.

|$39

154-54-00011

REAR COVER ASS'Y

SN: 2001-UP

1шт.

33

0

COVER

SN: 2001-UP

1шт.

34

09463-00006

SPRING

SN: 2001-UP

1шт.

35

04205-10618

PIN

SN: 2001-UP

2шт.

36

04050-11610

PIN,COTTER

SN: 2001-UP

2шт.

37

01010-51230

BOLT

SN: 2001-UP

8шт.

38

01602-21236

WASHER

SN: 2001-2311

8шт.

39

01643-31232

WASHER

SN: 2001-UP

8шт.

|$47

154-54-00021

REAR COVER ASS'Y

SN: 2001-UP

1шт.

40

0

COVER

SN: 2001-UP

1шт.

41

09463-00006

SPRING

SN: 2001-UP

1шт.

42

04205-10618

PIN

SN: 2001-UP

2шт.

43

04050-11610

PIN

SN: 2001-UP

2шт.

44

154-54-14640

COVER,L.H.

SN: 2001-UP

1шт.

45

154-54-14650

COVER

SN: 2001-UP

1шт.

46

01010-51230

BOLT

SN: 2001-UP

6шт.

47

01602-21236

WASHER,SPRING

SN: 2001-2311

6шт.

48

01643-31232

WASHER

SN: 2001-UP

6шт.

Выбрано товаров: 57