Запчасти Komatsu D85P-21-E РУЛЕВ. УПРАВЛЕНИЕ КОРПУС КРЫШКАAND УСИЛИТЕЛЬ ТОРМОЗА (ПРАВ.) ГТР CONVERTOR¤ ТРАНСМИССИЯ¤ РУЛЕВ. УПРАВЛЕНИЕ И КОНЕЧНАЯ ПЕРЕДАЧА

Схема запчастей Komatsu D85P-21-E - РУЛЕВ. УПРАВЛЕНИЕ КОРПУС КРЫШКАAND УСИЛИТЕЛЬ ТОРМОЗА (ПРАВ.) ГТР CONVERTOR¤ ТРАНСМИССИЯ¤ РУЛЕВ. УПРАВЛЕНИЕ И КОНЕЧНАЯ ПЕРЕДАЧА
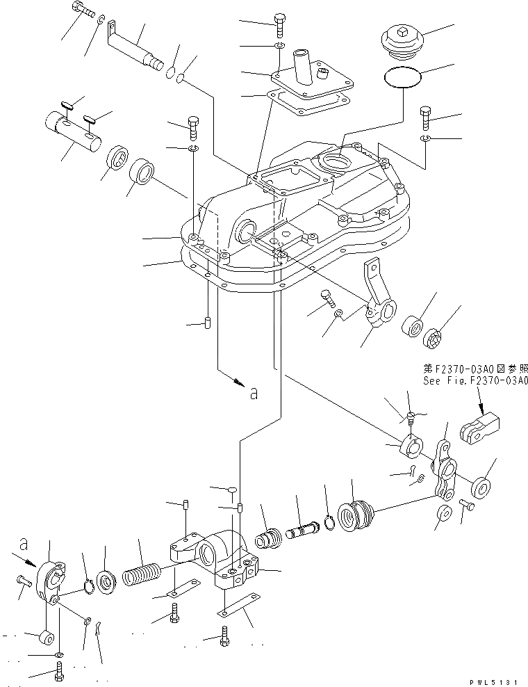
1
2
3
4
5
6
7
8
9
10
11
12
13
14
15
16
17
18
19
20
21
22
23
24
25
26
27
28
28
29
29
30
30
31
31
32
33
33
34
34
35
36
37
38
39
39
40
41
42
43
44
45
46
47
48
49
49
50
51
FIT
1:1
100%

Артикул

Название

Примечание

Количество

1

154-33-31120

COVER,R.H.

SN: 3689-UP

1шт.

2

154-33-31170

BRACKET,R.H.

SN: 3689-UP

1шт.

3

154-33-31140

BODY,R.H.

SN: 3689-UP

1шт.

4

154-33-21471

GASKET

SN: 3689-UP

1шт.

5

01010-81230

BOLT

SN: 3689-UP

4шт.

6

01602-21236

WASHER

SN: 3689-UP

4шт.

7

154-33-21142

CAP

SN: 3689-UP

1шт.

8

07000-12095

O-RING

SN: 3689-UP

1шт.

9

154-33-21310

SHAFT

SN: 3689-UP

1шт.

10

154-33-21320

BUSHING

SN: 3689-UP

1шт.

11

154-33-21330

BUSHING

SN: 3689-UP

1шт.

12

154-33-21150

LEVER

SN: 3689-UP

1шт.

13

04000-01030

KEY

SN: 3689-UP

1шт.

14

01010-81240

BOLT

SN: 3689-UP

1шт.

15

01602-21236

WASHER

SN: 3689-UP

1шт.

16

154-33-21340

SEAL

SN: 3689-UP

1шт.

17

154-33-21350

SEAL

SN: 3689-UP

1шт.

18

154-33-21262

SHAFT

SN: 3689-UP

1шт.

19

01010-81025

BOLT

SN: 3689-UP

1шт.

20

01602-21030

WASHER

SN: 3689-UP

1шт.

21

154-33-21270

SPACER

SN: 3689-UP

1шт.

22

01306-00616

SCREW

SN: 3689-UP

1шт.

23

04059-01020

WIRE

SN: 3689-UP

1шт.

24

154-33-21280

SPACER

SN: 3689-UP

1шт.

25

07000-13025

O-RING

SN: 3689-UP

1шт.

26

07000-13030

O-RING

SN: 3689-UP

1шт.

27

154-33-21161

LEVER

SN: 3689-UP

1шт.

28

170-33-13330

ROLLER

SN: 3689-UP

2шт.

29

04205-11645

PIN

SN: 3689-UP

2шт.

30

01641-21626

WASHER

SN: 3689-UP

2шт.

31

04050-14025

PIN,COTTER

SN: 3689-UP

2шт.

32

07000-12018

O-RING

SN: 3689-UP

2шт.

33

04020-01228

PIN,DOWEL

SN: 3689-UP

2шт.

34

01010-81255

BOLT

SN: 3689-UP

4шт.

35

154-33-21420

PLATE,PLATE

SN: 3689-UP

1шт.

36

154-33-21430

PLATE,PLATE

SN: 3689-UP

1шт.

37

154-33-31150

PISTON

SN: 3689-UP

1шт.

38

154-33-31180

SPOOL

SN: 3689-UP

1шт.

39

04064-02512

RING,SNAP

SN: 3689-UP

1шт.

40

195-33-14341

BUSHING

SN: 3689-UP

1шт.

41

170-33-13370

SPRING

SN: 3689-UP

1шт.

42

175-33-31310

RETAINER

SN: 3689-UP

1шт.

43

154-33-31160

LEVER

SN: 3689-UP

1шт.

44

01010-81245

BOLT

SN: 3689-UP

1шт.

45

01602-21236

WASHER

SN: 3689-UP

1шт.

46

04000-01030

KEY

SN: 3689-UP

1шт.

47

154-33-22191

GASKET

SN: 3689-UP

1шт.

48

01010-81260

BOLT

SN: 3689-UP

10шт.

49

01602-21236

WASHER

SN: 3689-UP

11шт.

50

01010-81245

BOLT

SN: 3689-UP

2шт.

51

04020-01228

PIN,DOWEL

SN: 3689-UP

2шт.

Выбрано товаров: 51