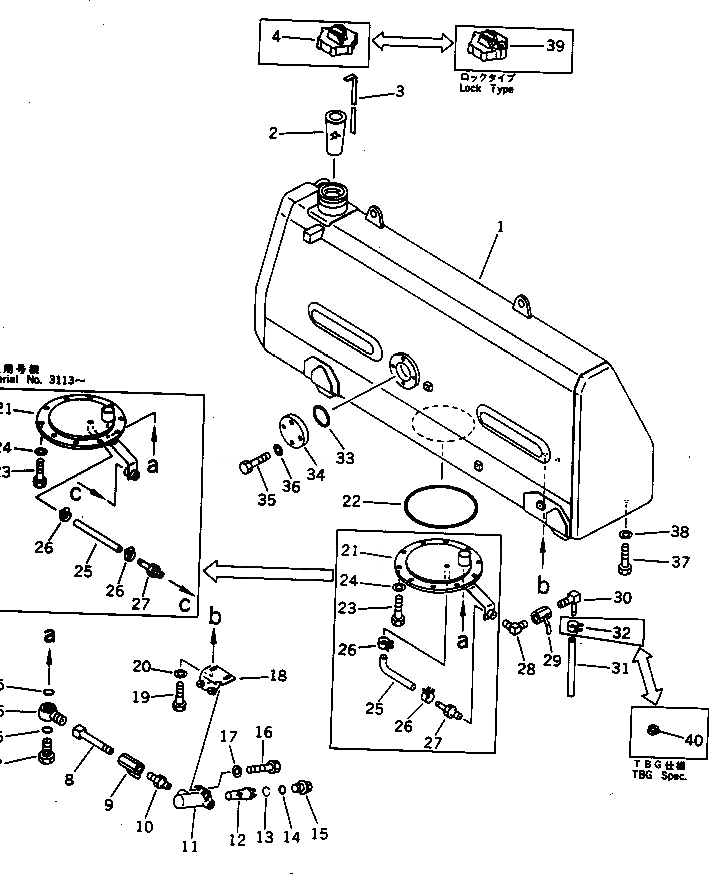
Запчасти Komatsu D85P-21 ТОПЛИВН. БАК.(№-) КОМПОНЕНТЫ ДВИГАТЕЛЯ И ЭЛЕКТРИКА

Схема запчастей Komatsu D85P-21 - ТОПЛИВН. БАК.(№-) КОМПОНЕНТЫ ДВИГАТЕЛЯ И ЭЛЕКТРИКА
FIT
1:1
100%

Артикул

Название

Примечание

Количество

1

154-04-51114

TANK,FUEL

SN: 3572-UP

1шт.

1

0

TANK,FUEL

SN: 3229-3571

1шт.

1

154-04-51112

TANK,FUEL

SN: 3163-3228

1шт.

1

154-04-51111

TANK,FUEL

SN: 3001-3162

1шт.

2

07056-18416

STRAINER

SN: 3001-UP

1шт.

3

154-04-51140

GAUGE

SN: 3001-UP

1шт.

4

154-04-51171

CAP,FUEL TANK

SN: 3229-UP

1шт.

4

154-04-51170

CAP,FUEL TANK

SN: 3001-3228

1шт.

5

07000-03035

O-RING

SN: 3001-UP

2шт.

6

195-04-11230

JOINT,EYE

SN: 3001-UP

1шт.

7

195-04-11280

BOLT,JOINT

SN: 3001-UP

1шт.

8

21T-26-71130

ADAPTER

SN: 3001-UP

1шт.

9

07700-40460

VALVE

SN: 3001-UP

1шт.

10

07325-10400

NIPPLE

SN: 3001-UP

1шт.

|$14

07058-20000

FILTER ASS'Y

SN: 3001-UP

1шт.

11

07058-00001

CASE

SN: 3001-UP

1шт.

12

07058-00005

ELEMENT

SN: 3001-UP

1шт.

13

07058-00006

RING

SN: 3001-UP

1шт.

14

07002-04234

O-RING

SN: 3001-UP

1шт.

15

07058-00007

PLUG

SN: 3001-UP

1шт.

16

01010-50825

BOLT

SN: 3001-UP

2шт.

17

01643-30823

WASHER

SN: 3001-UP

2шт.

18

155-04-11211

BRACKET

SN: 3001-UP

1шт.

19

01010-51225

BOLT

SN: 3001-UP

2шт.

20

01643-31232

WASHER

SN: 3001-UP

2шт.

21

15A-04-11111

COVER

SN: 3113-UP

1шт.

21

0

COVER

SN: 3001-3112

1шт.

|$$28

(15A-04-11111,07270-21020,

-1шт.

|$$29

07281-00197(2))

-1шт.

22

07000-05290

O-RING

SN: 3001-UP

1шт.

23

01010-31025

BOLT

SN: 3001-UP

10шт.

24

01643-31032

WASHER

SN: 3001-UP

10шт.

25

07270-21020

TUBE

SN: 3113-UP

1шт.

25

07270-01026

TUBE

SN: 3001-3112

1шт.

26

07281-00197

CLAMP

SN: 3113-UP

2шт.

26

07285-00115

CLIP

SN: 3001-3112

2шт.

27

154-04-11540

NIPPLE

SN: 3001-UP

1шт.

28

20D-68-11670

ELBOW

SN: 3001-UP

1шт.

29

07700-40240

VALVE

SN: 3001-UP

1шт.

30

205-04-62130

ELBOW

SN: 3001-UP

1шт.

31

07270-01065

TUBE

SN: 3001-UP

1шт.

32

07281-00197

CLAMP

SN: 3153-UP

1шт.

32

0

CLIP

SN: 3001-3152

1шт.

33

07000-02085

O-RING

SN: 3001-UP

1шт.

34

155-04-11120

PLATE

SN: 3001-UP

1шт.

35

01010-51025

BOLT

SN: 3001-UP

4шт.

36

01643-31032

WASHER

SN: 3001-UP

4шт.

37

01010-52040

BOLT

SN: 3001-UP

4шт.

38

01643-32060

WASHER

SN: 3001-UP

4шт.

39

195-04-31290

CAP,LOCK TYPE

SN: 3001-UP

1шт.

40

07281-00137

CLAMP,(TBG SPEC.)

SN: 3001-UP

1шт.

Выбрано товаров: 51