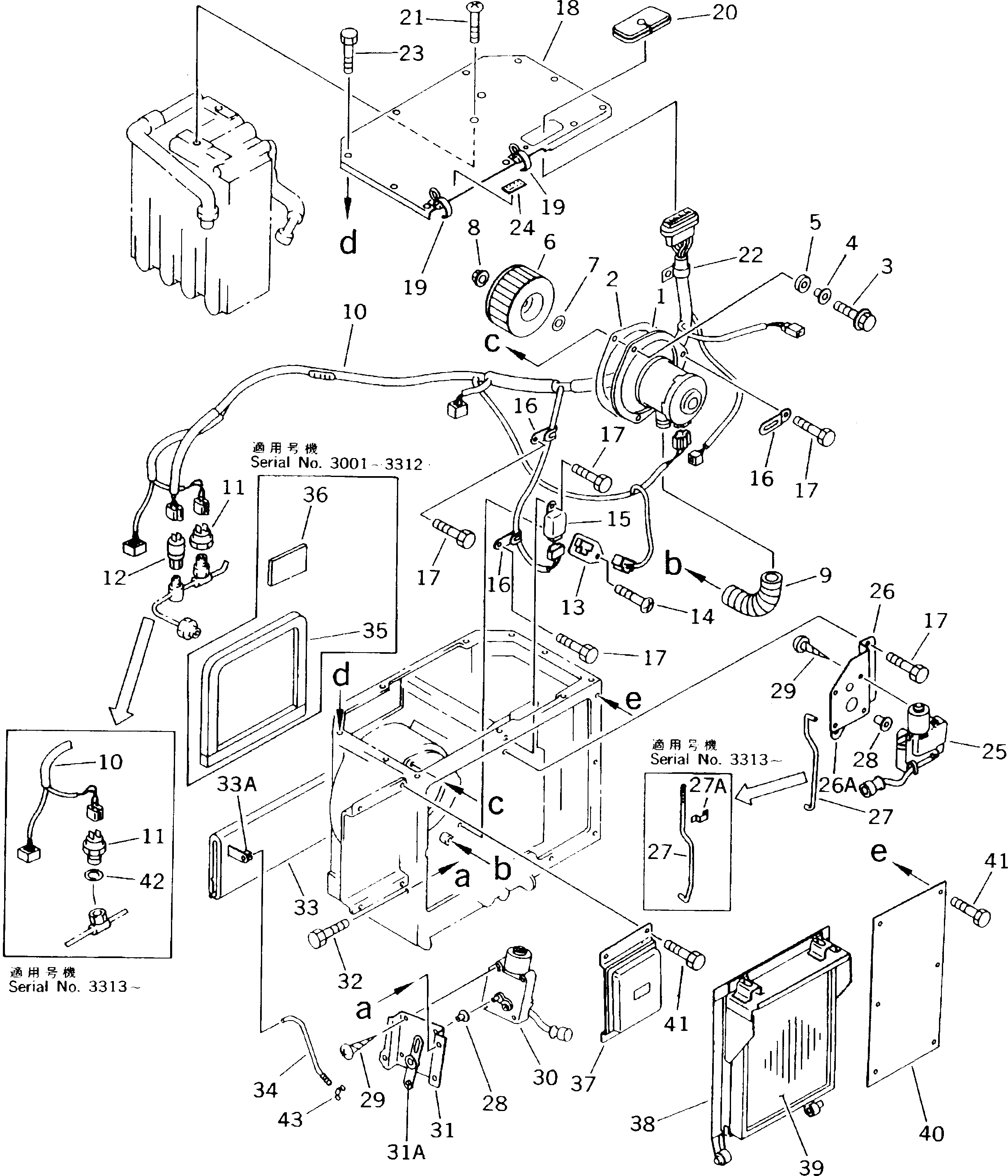
Запчасти Komatsu D85P-21 БЛОК КОНДИЦИОНЕРА (/)(№-) ЧАСТИ КОРПУСА

Схема запчастей Komatsu D85P-21 - БЛОК КОНДИЦИОНЕРА (/)(№-) ЧАСТИ КОРПУСА
FIT
1:1
100%

Артикул

Название

Примечание

Количество

|$0

195-911-7210

UNIT ASS'Y

SN: 3652-UP

1шт.

|$1

195-Z11-5704

UNIT ASS'Y

SN: 3397-3651

1шт.

|$2

0

UNIT ASS'Y

SN: 3313-3396

1шт.

|$3

195-Z11-5702

UNIT ASS'Y

SN: 3001-3312

1шт.

|$$5

THESE ASSEMBLIES CONSIST OF ALL PARTS SHOWN IN FIGS.5915 AND 5916.

-1шт.

1

195-Z11-5540

MOTOR ASS'Y

SN: 3001-UP

1шт.

2

195-Z11-5560

PACKING

SN: 3001-UP

1шт.

3

145-Z79-6660

BOLT

SN: 3001-UP

3шт.

4

145-Z79-6670

INSERT

SN: 3001-UP

3шт.

5

145-Z79-6680

BUSHING

SN: 3001-UP

3шт.

6

195-Z11-5570

FAN

SN: 3001-UP

1шт.

7

198-911-5540

WASHER

SN: 3001-UP

1шт.

8

198-911-5530

NUT

SN: 3001-UP

1шт.

9

195-Z11-5580

PIPE

SN: 3001-UP

1шт.

10

195-911-7330

WIRING HARNESS

SN: 3652-UP

1шт.

10

195-Z11-5962

WIRING HARNESS

SN: 3313-3651

1шт.

10

195-Z11-5961

WIRING HARNESS

SN: 3001-3312

1шт.

11

195-911-7340

SWITCH

SN: 3652-UP

1шт.

11

195-Z11-5691

SWITCH

SN: 3313-3651

1шт.

11

195-Z11-5690

SWITCH

SN: 3001-3312

1шт.

12

198-911-5630

SWITCH

SN: 3001-3312

1шт.

13

195-Z11-5590

RESISTOR

SN: 3001-UP

1шт.

14

01220-40416

SCREW

SN: 3001-UP

1шт.

15

195-Z11-5840

RELAY ASS'Y

SN: 3001-UP

1шт.

16

195-Z11-6150

CLAMP

SN: 3001-UP

2шт.

17

01010-50616

BOLT

SN: 3001-UP

6шт.

18

195-Z11-5892

COVER

SN: 3001-UP

1шт.

19

195-Z11-5880

CLAMP

SN: 3001-UP

2шт.

20

195-Z11-5810

GROMMET

SN: 3001-UP

1шт.

21

195-Z11-5940

SCREW

SN: 3001-UP

2шт.

22

195-Z11-7160

CLAMP

SN: 3001-UP

2шт.

23

01010-50816

BOLT

SN: 3001-UP

11шт.

24

ND113104-0310

PLATE, NAME

SN: 3313-UP

1шт.

24

ND113104-0160

PLATE, NAME

SN: 3001-3312

1шт.

25

195-Z11-7180

ACTUATOR ASS'Y

SN: 3001-UP

1шт.

26

195-Z11-6210

LINK

SN: 3001-UP

1шт.

26A

ND146625-1920

BUSHING

SN: 3001-UP

1шт.

27

195-Z11-6252

SHAFT

SN: 3313-UP

1шт.

27

195-Z11-6251

SHAFT

SN: 3001-3312

1шт.

27A

195-Z11-6270

SPRING

SN: 3313-UP

1шт.

28

195-Z11-6280

BUSHING

SN: 3001-UP

2шт.

29

01370-00412

SCREW

SN: 3001-UP

8шт.

30

195-Z11-7190

ACTUATOR ASS'Y

SN: 3001-UP

1шт.

31

195-Z11-6220

LINK

SN: 3001-UP

1шт.

31A

ND146690-1990

CLAMP

SN: 3001-UP

1шт.

32

01010-50616

BOLT

SN: 3001-UP

3шт.

33

195-Z11-6191

DAMPER

SN: 3001-UP

1шт.

33A

ND146625-1920

BUSHING

SN: 3001-UP

1шт.

34

195-Z11-6260

SHAFT

SN: 3001-UP

1шт.

35

ND146669-4940

PACKING

SN: 3001-3312

1шт.

36

195-Z11-6240

PACKING

SN: 3001-3312

1шт.

37

195-Z11-6181

AMP ASS'Y

SN: 3397-UP

1шт.

37

0

AMP ASS'Y

SN: 3001-3396

1шт.

38

195-Z11-5862

HOLDER

SN: 3001-UP

1шт.

39

195-Z11-5870

FILTER

SN: 3001-UP

1шт.

40

195-Z11-5920

COVER

SN: 3001-UP

1шт.

41

01010-50816

BOLT

SN: 3001-UP

10шт.

42

ND146649-1170

PACKING

SN: 3313-UP

1шт.

43

195-Z11-6270

SPRING

SN: 3001-UP

1шт.

Выбрано товаров: 59