Запчасти Komatsu D85P-21A ГИДР. БАК.(№-) УПРАВЛ-Е РАБОЧИМ ОБОРУДОВАНИЕМ

Схема запчастей Komatsu D85P-21A - ГИДР. БАК.(№-) УПРАВЛ-Е РАБОЧИМ ОБОРУДОВАНИЕМ
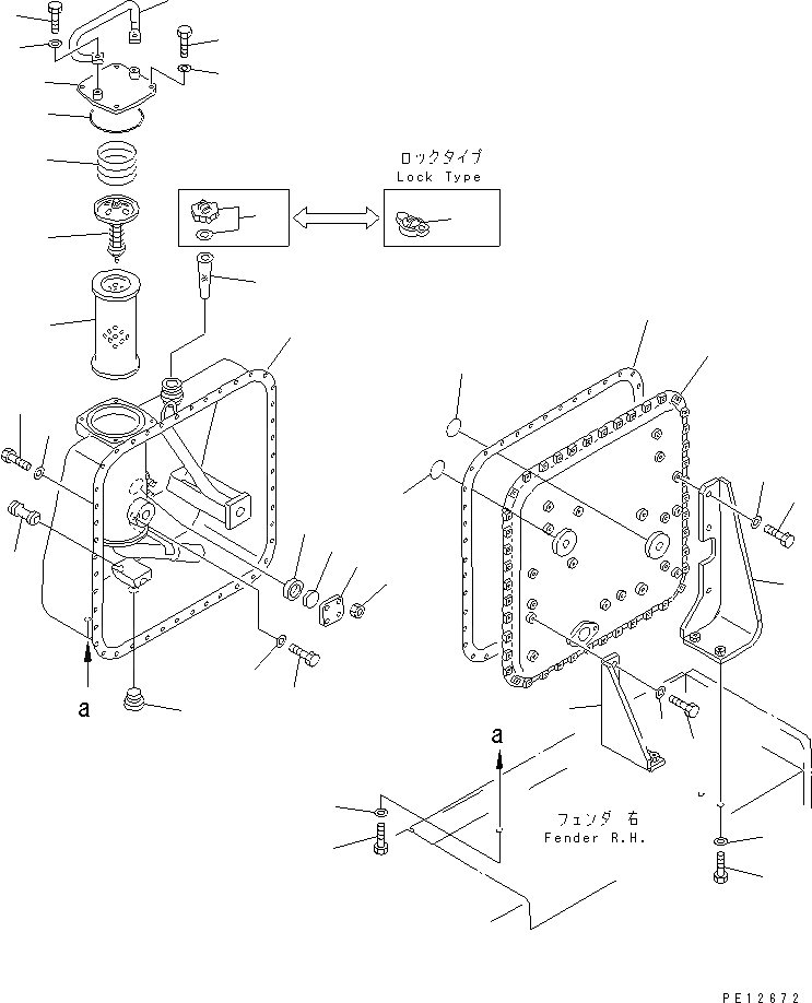
1
2
3
3
4
5
6
7
8
9
10
11
12
12
13
14
15
16
17
18
19
20
21
22
23
24
25
26
27
28
29
29
30
30
31
32
33
33
34
FIT
1:1
100%

Артикул

Название

Примечание

Количество

G-1

0

HYDRAULIC TANK GROUP

SN: 3001-UP

1шт.

|$$2

====================

-1шт.

|1

154-60-00021

HYDRAULIC TANK ASS'Y

SN: 3651-UP

1шт.

|1

0

HYDRAULIC TANK ASS'Y

SN: 3001-3650

1шт.

1

154-60-71111

TANK,INNER

SN: 3001-UP

1шт.

2

07056-10045

STRAINER

SN: 3001-UP

1шт.

3

07051-00000

CAP

SN: 3001-UP

1шт.

3

07051-00003

GASKET

SN: 3001-UP

1шт.

4

07715-11257

RING

SN: 3001-UP

1шт.

5

07715-00651

COVER

SN: 3001-UP

1шт.

6

07715-21074

CASE

SN: 3001-UP

1шт.

7

01598-11011

NUT

SN: 3001-UP

4шт.

8

01010-51225

BOLT

SN: 3001-UP

1шт.

9

01643-31232

WASHER

SN: 3001-UP

1шт.

10

07040-13618

PLUG

SN: 3001-UP

1шт.

11

195-60-41240

VALVE

SN: 3001-UP

1шт.

12

130-Z20-5250

O-RING

SN: 3001-UP

2шт.

13

07063-01100

ELEMENT

SN: 3001-UP

1шт.

14

175-60-27300

VALVE ASS'Y

SN: 3001-UP

1шт.

15

175-60-27340

SPRING

SN: 3001-UP

1шт.

16

07000-05150

O-RING

SN: 3001-UP

1шт.

17

154-60-71330

COVER

SN: 3001-UP

1шт.

18

01010-51225

BOLT

SN: 3001-UP

4шт.

19

01643-31232

WASHER

SN: 3001-UP

4шт.

20

154-60-71320

HANDLE

SN: 3001-UP

1шт.

21

01010-51225

BOLT

SN: 3001-UP

2шт.

22

01643-31232

WASHER

SN: 3001-UP

2шт.

23

154-60-71120

TANK,OUTER

SN: 3001-UP

1шт.

24

154-60-71161

GASKET

SN: 3651-UP

1шт.

|24

0

GASKET

SN: 3001-3650

1шт.

25

01010-51025

BOLT

SN: 3001-UP

44шт.

26

01643-31032

WASHER

SN: 3001-UP

44шт.

27

154-60-71170

BRACKET

SN: 3001-UP

1шт.

28

154-60-71180

BRACKET

SN: 3001-UP

1шт.

29

01010-51640

BOLT

SN: 3001-UP

5шт.

30

01643-31645

WASHER

SN: 3001-UP

5шт.

31

01010-51640

BOLT

SN: 3001-UP

2шт.

32

01010-51645

BOLT

SN: 3001-UP

4шт.

33

01643-31645

WASHER

SN: 3001-UP

6шт.

|$$40

====================

-1шт.

34

07092-01000

CAP,LOCK TYPE

SN: 3001-UP

1шт.

Выбрано товаров: 41