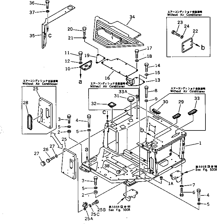
Запчасти Komatsu D85P-21A ПОЛ КАБИНЫ(№-) ЧАСТИ КОРПУСА

Схема запчастей Komatsu D85P-21A - ПОЛ КАБИНЫ(№-) ЧАСТИ КОРПУСА
FIT
1:1
100%

Артикул

Название

Примечание

Количество

1

154-54-41720

FRAME,FLOOR (WITHOUT CAB)

SN: 3001-UP

1шт.

|1

154-54-42290

FRAME,FLOOR (WITH CAB)

SN: 3001-UP

1шт.

1A

07049-01418

PLUG

SN: 3001-UP

13шт.

2

198-38-12460

SPACER

SN: 3001-UP

4шт.

3

01010-51450

BOLT

SN: 3001-UP

4шт.

4

01011-51405

BOLT

SN: 3001-UP

4шт.

5

01643-31445

WASHER

SN: 3001-UP

8шт.

6

01010-51440

BOLT

SN: 3001-UP

4шт.

7

01643-31445

WASHER

SN: 3001-UP

4шт.

8

01011-51410

BOLT

SN: 3001-UP

4шт.

9

01643-31445

WASHER

SN: 3001-UP

4шт.

10

154-54-42190

COVER

SN: 3001-UP

1шт.

11

01010-51230

BOLT

SN: 3001-UP

4шт.

12

01643-31232

WASHER

SN: 3001-UP

4шт.

13

154-54-41810

COVER

SN: 3001-UP

1шт.

14

01010-51225

BOLT

SN: 3001-UP

4шт.

15

01643-31232

WASHER

SN: 3001-UP

4шт.

16

154-54-41790

COVER

SN: 3001-UP

1шт.

17

01010-51225

BOLT

SN: 3001-UP

8шт.

18

01643-31232

WASHER

SN: 3001-UP

8шт.

19

154-54-42160

COVER

SN: 3001-UP

1шт.

20

01010-51230

BOLT

SN: 3001-UP

3шт.

21

01643-31232

WASHER

SN: 3001-UP

3шт.

22

154-54-46230

COVER

SN: 3001-UP

1шт.

23

01010-50620

BOLT

SN: 3001-UP

4шт.

24

01643-30623

WASHER

SN: 3001-UP

4шт.

25

154-54-46730

COVER

SN: 3001-UP

1шт.

|25

154-Z11-5110

COVER,(WITH AIR CON. OR HEATER)

SN: 3001-UP

1шт.

25A

175-54-33940

LOCK ASS'Y

SN: 3001-UP

1шт.

25B

01010-50812

BOLT

SN: 3001-UP

1шт.

25C

01602-20825

WASHER

SN: 3001-UP

1шт.

26

01010-51225

BOLT

SN: 3001-UP

6шт.

27

01643-31232

WASHER

SN: 3001-UP

6шт.

27A

09415-02512

CAP

SN: 3001-UP

6шт.

28

195-54-45450

CAP

SN: 3001-UP

2шт.

29

195-54-45410

CAP

SN: 3001-UP

1шт.

30

195-54-45430

CAP

SN: 3001-UP

1шт.

31

195-54-45460

CAP

SN: 3001-UP

1шт.

32

195-54-45420

CAP

SN: 3001-UP

1шт.

33

195-54-45440

CAP

SN: 3001-UP

1шт.

33A

09415-01610

CAP

SN: 3001-UP

1шт.

34

154-Z11-1210

MAT

SN: 3001-UP

1шт.

35

154-54-41280

COVER

SN: 3001-UP

1шт.

36

01010-51225

BOLT

SN: 3001-UP

4шт.

37

01643-31232

WASHER

SN: 3001-UP

4шт.

38

203-54-32260

STOPPER

SN: 3001-UP

2шт.

Выбрано товаров: 46