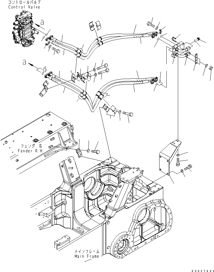
Запчасти Komatsu D85PX-15 СКРЕППЕР ЛИНИЯ ГИДРАВЛИКА

Схема запчастей Komatsu D85PX-15 - СКРЕППЕР ЛИНИЯ ГИДРАВЛИКА
1
2
3
4
5
5
6
6
7
8
9
10
11
12
13
14
15
16
17
18
19
20
21
22
23
24
25
26
27
28
28
29
30
31
32
33
33
33
33
34
34
34
34
35
35
35
35
36
36
36
FIT
1:1
100%

Артикул

Название

Примечание

Количество

1

07371-31049

FLANGE

SN: 1001-UP

8шт.

2

07372-21035

BOLT

SN: 1001-UP

16шт.

3

01643-51032

WASHER

SN: 1001-UP

16шт.

4

154-61-71180

BRACKET

SN: 1001-UP

1шт.

5

07094-31024

CLAMP

SN: 1001-UP

2шт.

6

07095-01035

CUSHION

SN: 1044-UP

4шт.

6

07095-01033

CUSHION

SN: 1001-1043

4шт.

7

01010-81285

BOLT

SN: 1044-UP

2шт.

7

01010-81285

BOLT

SN: 1001-1043

4шт.

8

01643-31232

WASHER

SN: 1044-UP

2шт.

8

01643-31232

WASHER

SN: 1001-1043

4шт.

9

01010-81295

BOLT

SN: 1044-UP

2шт.

10

01643-31232

WASHER

SN: 1044-UP

2шт.

11

154-61-71190

BRACKET

SN: 1001-UP

1шт.

12

01010-81230

BOLT

SN: 1001-UP

2шт.

13

01643-31232

WASHER

SN: 1001-UP

2шт.

14

07094-31024

CLAMP

SN: 1001-UP

2шт.

15

07095-01035

CUSHION

SN: 1044-UP

2шт.

15

07095-01033

CUSHION

SN: 1001-1043

2шт.

16

01010-81285

BOLT

SN: 1001-UP

2шт.

17

01643-31232

WASHER

SN: 1001-UP

2шт.

18

154-61-79210

BRACKET

SN: 1001-UP

1шт.

19

01010-82040

BOLT

SN: 1001-UP

4шт.

20

01643-32060

WASHER

SN: 1001-UP

4шт.

21

07371-31049

FLANGE

SN: 1001-UP

8шт.

22

07372-21035

BOLT

SN: 1001-UP

16шт.

23

01643-51032

WASHER

SN: 1001-UP

16шт.

24

154-61-79170

TUBE

SN: 1001-UP

1шт.

25

01010-81230

BOLT

SN: 1001-UP

4шт.

26

01643-31232

WASHER

SN: 1001-UP

4шт.

27

07040-13316

PLUG

SN: 1001-UP

4шт.

28

07002-13334

O-RING

SN: 1001-UP

4шт.

29

154-61-79220

PLATE

SN: 1001-UP

1шт.

30

07283-23442

CLIP

SN: 1001-UP

2шт.

31

01643-31032

WASHER

SN: 1001-UP

4шт.

32

01599-01011

NUT

SN: 1001-UP

4шт.

33

07087-01023

HOSE

SN: 1001-UP

2шт.

34

07000-13032

O-RING

SN: 1001-UP

4шт.

35

07087-01025

HOSE

SN: 1001-UP

2шт.

36

07000-13032

O-RING

SN: 1001-UP

4шт.

Выбрано товаров: 40