Запчасти Komatsu D85PX-15 ОСНОВН. КОНСТРУКЦИЯ ЭЛЕКТРОПРОВОДКА (ПЕРЕКЛЮЧАТЕЛЬ И КОНТРОЛЛЕР)(№-) КАБИНА ОПЕРАТОРА И СИСТЕМА УПРАВЛЕНИЯ

Схема запчастей Komatsu D85PX-15 - ОСНОВН. КОНСТРУКЦИЯ ЭЛЕКТРОПРОВОДКА (ПЕРЕКЛЮЧАТЕЛЬ И КОНТРОЛЛЕР)(№-) КАБИНА ОПЕРАТОРА И СИСТЕМА УПРАВЛЕНИЯ
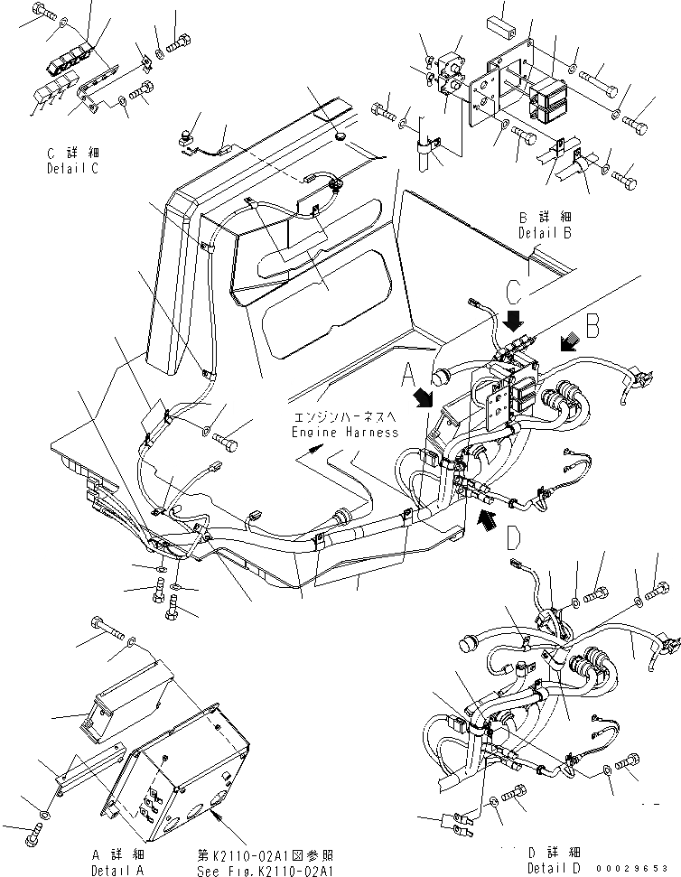
1
2
3
4
5
6
7
8
9
9
9
10
11
12
13
14
15
16
17
18
19
20
21
22
22
22
23
24
25
26
27
28
29
30
31
32
33
34
35
36
37
38
39
40
41
42
43
44
45
46
46
47
47
48
49
50
51
52
53
54
55
56
56
56
56
56
57
58
59
FIT
1:1
100%

Артикул

Название

Примечание

Количество

1

08064-10000

HORN SWITCH

SN: 1001-UP

1шт.

2

14X-06-21710

WIRING HARNESS

SN: 1001-UP

1шт.

3

7830-62-1005

CONTROLLER,TRANSMISSION STEERING

SN: 1147-UP

1шт.

3

0

CONTROLLER,TRANSMISSION STEERING

SN: 1109-1146

1шт.

3

0

CONTROLLER,TRANSMISSION STEERING

SN: 1001-1108

1шт.

4

01010-80885

BOLT

SN: 1001-UP

4шт.

5

01643-30823

WASHER

SN: 1001-UP

4шт.

6

154-54-73291

BRACKET

SN: 1001-UP

1шт.

7

01010-80816

BOLT

SN: 1001-UP

2шт.

8

01643-30823

WASHER

SN: 1001-UP

2шт.

9

154-06-71154

WIRING HARNESS

SN: 1105-UP

1шт.

9

154-06-71153

WIRING HARNESS

SN: 1036-1104

1шт.

9

08044-00010

TERMINAL

SN: 1001-UP

11шт.

9

08044-00040

TERMINAL

SN: 1001-UP

2шт.

9

08044-00050

TERMINAL

SN: 1001-UP

1шт.

9

20T-06-71560

FUSE BOX

SN: 1001-UP

2шт.

9

08041-02000

FUSE, 20A

SN: 1001-UP

2шт.

9

08041-01500

FUSE, 15A

SN: 1001-UP

1шт.

9

08041-03000

FUSE, 30A

SN: 1001-UP

2шт.

10

154-06-71262

BRACKET

SN: 1036-UP

1шт.

11

198-06-62830

CIRCUIT BREAKER

SN: 1036-UP

1шт.

12

198-06-62840

CIRCUIT BREAKER

SN: 1036-UP

1шт.

13

01010-80616

BOLT

SN: 1036-UP

4шт.

14

01643-30623

WASHER

SN: 1036-UP

4шт.

15

08038-00525

CAP

SN: 1036-UP

2шт.

16

08038-02027

CAP

SN: 1036-UP

2шт.

17

175-06-25180

SPACER

SN: 1001-UP

2шт.

18

01011-81005

BOLT

SN: 1001-UP

2шт.

19

01643-31032

WASHER

SN: 1001-UP

2шт.

20

01010-80820

BOLT

SN: 1001-UP

4шт.

21

01641-20812

WASHER

SN: 1001-UP

4шт.

22

04434-53412

CLIP

SN: 1001-UP

4шт.

23

01010-81020

BOLT

SN: 1001-UP

4шт.

24

01643-31032

WASHER

SN: 1001-UP

4шт.

25

01010-81020

BOLT

SN: 1001-UP

1шт.

26

01643-31032

WASHER

SN: 1001-UP

1шт.

27

04434-52511

CLIP

SN: 1001-UP

1шт.

28

01010-81020

BOLT

SN: 1001-UP

1шт.

29

01643-31032

WASHER

SN: 1001-UP

1шт.

30

04435-52210

CLIP

SN: 1001-UP

1шт.

31

04434-52710

CLIP

SN: 1001-UP

1шт.

32

01010-81030

BOLT

SN: 1001-UP

1шт.

33

01643-31032

WASHER

SN: 1001-UP

1шт.

34

04434-52310

CLIP

SN: 1001-UP

1шт.

35

04434-52710

CLIP

SN: 1001-UP

1шт.

36

04434-52712

CLIP

SN: 1036-UP

1шт.

37

01010-81030

BOLT

SN: 1036-UP

1шт.

38

01643-31032

WASHER

SN: 1036-UP

1шт.

39

01010-81230

BOLT

SN: 1036-UP

1шт.

40

01643-31232

WASHER

SN: 1036-UP

1шт.

41

04434-51010

CLIP

SN: 1036-UP

1шт.

42

08193-21012

CLIP

SN: 1001-UP

2шт.

43

01010-81020

BOLT

SN: 1001-UP

2шт.

44

01643-31032

WASHER

SN: 1001-UP

2шт.

45

154-06-71360

BRACKET

SN: 1001-UP

1шт.

46

01010-81020

BOLT

SN: 1001-UP

2шт.

47

01643-31032

WASHER

SN: 1001-UP

2шт.

48

287-06-16420

BRACKET

SN: 1001-UP

4шт.

49

569-06-61960

RELAY

SN: 1001-UP

4шт.

50

01010-80612

BOLT

SN: 1001-UP

4шт.

51

01643-30623

WASHER

SN: 1001-UP

4шт.

52

08053-01510

CLIP

SN: 1001-UP

1шт.

53

04434-51010

CLIP

SN: 1001-UP

1шт.

54

01010-81020

BOLT

SN: 1001-UP

1шт.

55

01643-31032

WASHER

SN: 1001-UP

1шт.

56

04434-51010

CLIP

SN: 1001-UP

7шт.

57

01010-81020

BOLT

SN: 1001-UP

7шт.

58

01643-31032

WASHER

SN: 1001-UP

7шт.

59

09415-01610

CAP

SN: 1001-UP

1шт.

Выбрано товаров: 69