Запчасти Komatsu D85PX-15 СИЛОВАЯ ПЕРЕДАЧА (ВСАСЫВ.) СИЛОВАЯ ПЕРЕДАЧА И КОНЕЧНАЯ ПЕРЕДАЧА

Схема запчастей Komatsu D85PX-15 - СИЛОВАЯ ПЕРЕДАЧА (ВСАСЫВ.) СИЛОВАЯ ПЕРЕДАЧА И КОНЕЧНАЯ ПЕРЕДАЧА
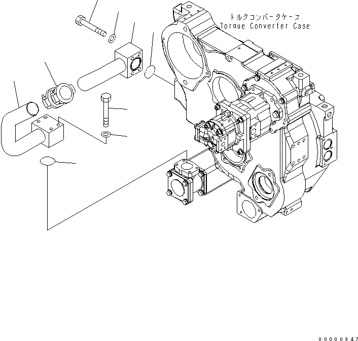
1
2
3
4
5
6
7
8
9
FIT
1:1
100%

Артикул

Название

Примечание

Количество

|$$1

SERIAL NO. IN ( ) INDICATES TRANSMISSION SERIAL NO.

-1шт.

|$7

154-22-20002

POWER LINE ASS'Y

SN: 1121-UP

1шт.

|$8

154-22-20001

POWER LINE ASS'Y

SN: 1024-1120

1шт.

|$9

154-22-20000

POWER LINE ASS'Y

SN: 1001-1023

1шт.

|$$5

THESE ASSEMBLY CONSISTS OF ALL PARTS SHOWN IN FIGS.F2300-01A0, AND F2300-59A0 TO F2300-67A0.

-1шт.

|$11

154-22-20022

POWER LINE ASS'Y,HEATER

SN: 1121-UP

1шт.

|$12

154-22-20021

POWER LINE ASS'Y,HEATER

SN: 1024-1120

1шт.

|$13

154-22-20020

POWER LINE ASS'Y,HEATER

SN: 1001-1023

1шт.

|$$9

THESE ASSEMBLY CONSISTS OF ALL PARTS SHOWN IN FIGS.F2300-01A1 TO F2300-05A1, AND F2300-51A0 TO F2300-68A1.

-1шт.

1

154-49-71121

TUBE

SN: 1001-UP

1шт.

2

07000-72060

O-RING

SN: 1001-UP

1шт.

3

01011-81200

BOLT

SN: 1001-UP

4шт.

4

01643-31232

WASHER

SN: 1001-UP

4шт.

5

07332-02000

COUPLING

SN: 1001-UP

1шт.

6

154-49-71131

TUBE

SN: 1001-UP

1шт.

7

07000-72060

O-RING

SN: 1001-UP

1шт.

8

01011-81200

BOLT

SN: 1001-UP

4шт.

9

01643-31232

WASHER

SN: 1001-UP

4шт.

Выбрано товаров: 18