Запчасти Komatsu D85PX-15 ГУСЕНИЧНАЯ РАМА (ЛЕВ.) ХОДОВАЯ

Схема запчастей Komatsu D85PX-15 - ГУСЕНИЧНАЯ РАМА (ЛЕВ.) ХОДОВАЯ
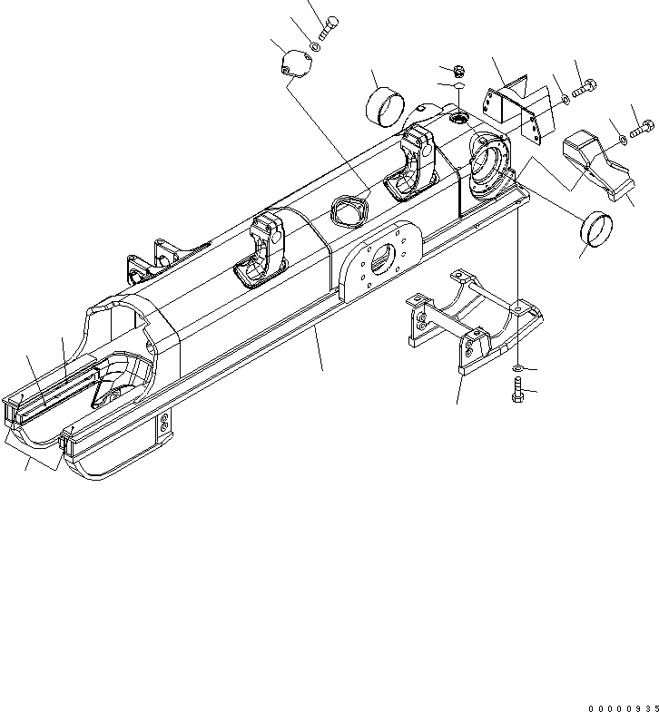
1
2
3
4
5
6
7
8
9
10
11
12
13
14
15
16
17
18
19
20
FIT
1:1
100%

Артикул

Название

Примечание

Количество

|1

154-30-05111

TRACK FRAME ASS'Y,L.H.

SN: 1001-UP

1шт.

1

154-30-75111

FRAME,L.H.

SN: 1001-UP

1шт.

2

154-30-71220

PLATE (WELDED)

SN: 1001-UP

2шт.

3

154-30-71231

PLATE (WELDED)

SN: 1001-UP

4шт.

4

154-30-71B90

PLATE (WELDED)

SN: 1001-UP

2шт.

5

17M-50-22220

BUSHING

SN: 1001-UP

1шт.

6

14Y-30-18130

BUSHING

SN: 1001-UP

1шт.

7

154-30-71261

COVER

SN: 1001-UP

1шт.

8

01010-81230

BOLT

SN: 1001-UP

2шт.

9

01643-31232

WASHER

SN: 1001-UP

2шт.

10

07044-13620

PLUG

SN: 1001-UP

1шт.

11

07002-03634

O-RING

SN: 1001-UP

1шт.

12

154-30-71411

COVER

SN: 1001-UP

1шт.

13

01010-81230

BOLT

SN: 1001-UP

6шт.

14

01643-31232

WASHER

SN: 1001-UP

6шт.

15

154-30-71331

GUARD,L.H.

SN: 1001-UP

1шт.

16

01010-82255

BOLT

SN: 1001-UP

4шт.

17

01643-32260

WASHER

SN: 1001-UP

4шт.

18

154-30-71431

COVER,L.H.

SN: 1001-UP

1шт.

19

01010-82255

BOLT

SN: 1001-UP

3шт.

20

01643-32260

WASHER

SN: 1001-UP

3шт.

Выбрано товаров: 21