Запчасти Komatsu SA6D125E-3B-7 ТУРБОНАГНЕТАТЕЛЬ И МАСЛОПРОВОДЯЩАЯ ЛИНИЯ (ТЕРМОЗАЩИТА СПЕЦ-Я.)(№-) ДВИГАТЕЛЬ

Схема запчастей Komatsu SA6D125E-3B-7 - ТУРБОНАГНЕТАТЕЛЬ И МАСЛОПРОВОДЯЩАЯ ЛИНИЯ (ТЕРМОЗАЩИТА СПЕЦ-Я.)(№-) ДВИГАТЕЛЬ
1
2
3
4
5
6
7
7
8
9
10
11
12
13
14
15
16
17
18
19
20
21
22
23
24
25
1
2
3
4
5
6
7
7
8
9
10
11
12
13
14
15
16
17
18
19
20
21
22
23
24
25
FIT
1:1
100%

Артикул

Название

Примечание

Количество

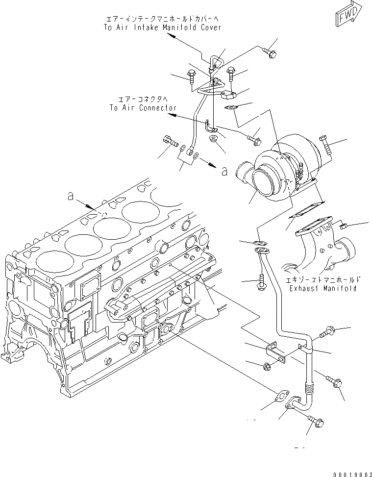
1

6156-81-8110

TURBOCHARGER ASS'Y,(SEE FIG.A1530-B3K4)

SN: 311222-UP

1шт.

2

6151-11-5710

GASKET (K1)

SN: 311222-UP

1шт.

3

01050-61045

BOLT

SN: 311222-UP

4шт.

4

6114-11-5590

NUT

SN: 311222-UP

4шт.

5

6154-51-8610

TUBE,SUPPLY

SN: 311222-UP

1шт.

6

6215-51-8180

BRACKET

SN: 311222-UP

1шт.

7

01435-01020

BOLT

SN: 311222-UP

2шт.

8

01435-01025

BOLT

SN: 311222-UP

1шт.

9

01584-01008

NUT

SN: 311222-UP

1шт.

10

6221-51-8160

GASKET (K1)

SN: 311222-UP

1шт.

11

01435-00830

BOLT

SN: 311222-UP

2шт.

12

07206-31014

BOLT,JOINT

SN: 311222-UP

1шт.

13

07005-01412

GASKET (K1)

SN: 311222-UP

2шт.

14

6151-53-8280

CLIP

SN: 311222-UP

1шт.

15

6151-51-8540

CLIP

SN: 311222-UP

1шт.

16

6154-51-8580

TUBE,RETURN

SN: 311222-UP

1шт.

17

6151-51-8721

GASKET (K1)

SN: 311222-UP

1шт.

18

01435-00820

BOLT

SN: 311222-UP

2шт.

19

6154-51-8310

GASKET (K1)

SN: 311222-UP

1шт.

20

01435-01025

BOLT

SN: 311222-UP

2шт.

21

6212-65-6650

BRACKET

SN: 311222-UP

1шт.

22

01435-01030

BOLT

SN: 311222-UP

1шт.

23

04434-51910

CLIP

SN: 311222-UP

1шт.

24

01435-01020

BOLT

SN: 311222-UP

1шт.

25

01584-01008

NUT

SN: 311222-UP

1шт.

1

6156-81-8110

TURBOCHARGER ASS'Y,(SEE FIG.A1530-B3K4)

SN: 311222-UP

1шт.

2

6151-11-5710

GASKET (K1)

SN: 311222-UP

1шт.

3

01050-61045

BOLT

SN: 311222-UP

4шт.

4

6114-11-5590

NUT

SN: 311222-UP

4шт.

5

6154-51-8610

TUBE,SUPPLY

SN: 311222-UP

1шт.

6

6215-51-8180

BRACKET

SN: 311222-UP

1шт.

7

01435-01020

BOLT

SN: 311222-UP

2шт.

8

01435-01025

BOLT

SN: 311222-UP

1шт.

9

01584-01008

NUT

SN: 311222-UP

1шт.

10

6221-51-8160

GASKET (K1)

SN: 311222-UP

1шт.

11

01435-00830

BOLT

SN: 311222-UP

2шт.

12

07206-31014

BOLT,JOINT

SN: 311222-UP

1шт.

13

07005-01412

GASKET (K1)

SN: 311222-UP

2шт.

14

6151-53-8280

CLIP

SN: 311222-UP

1шт.

15

6151-51-8540

CLIP

SN: 311222-UP

1шт.

16

6154-51-8580

TUBE,RETURN

SN: 311222-UP

1шт.

17

6151-51-8721

GASKET (K1)

SN: 311222-UP

1шт.

18

01435-00820

BOLT

SN: 311222-UP

2шт.

19

6154-51-8310

GASKET (K1)

SN: 311222-UP

1шт.

20

01435-01025

BOLT

SN: 311222-UP

2шт.

21

6212-65-6650

BRACKET

SN: 311222-UP

1шт.

22

01435-01030

BOLT

SN: 311222-UP

1шт.

23

04434-51910

CLIP

SN: 311222-UP

1шт.

24

01435-01020

BOLT

SN: 311222-UP

1шт.

25

01584-01008

NUT

SN: 311222-UP

1шт.

Выбрано товаров: 50