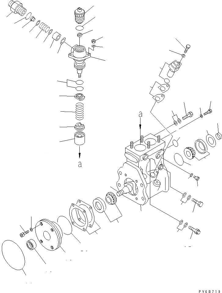
Запчасти Komatsu SA6D125E-3B-7 ТОПЛИВН. НАСОС (/) (НАСОС) (ВНУТР. ЧАСТИ)(№-) ДВИГАТЕЛЬ

Схема запчастей Komatsu SA6D125E-3B-7 - ТОПЛИВН. НАСОС (/) (НАСОС) (ВНУТР. ЧАСТИ)(№-) ДВИГАТЕЛЬ
1
2
3
4
5
6
7
8
9
9
10
11
12
13
14
15
16
17
17
18
19
20
21
22
23
24
25
26
27
28
29
30
31
32
33
33
34
35
36
37
38
39
39
40
41
42
43
44
1
2
3
4
5
6
7
8
9
9
10
11
12
13
14
15
16
17
17
18
19
20
21
22
23
24
25
26
27
28
29
30
31
32
33
33
34
35
36
37
38
39
39
40
41
42
43
44
FIT
1:1
100%

Артикул

Название

Примечание

Количество

|1

6156-71-1110

PUMP

SN: 311222-UP

1шт.

|$$2

THIS ASSEMBLY CONSISTS OF ALL PARTS SHOWN IN FIGS.A4010-C3V2 AND A4010-D3V2.

-1шт.

|1

0

BODY ASS'Y

SN: 311222-UP

1шт.

1

0

HOUSING ASS'Y

SN: 311222-UP

1шт.

2

0

HOLDER,DELIVERY VALVE

SN: 311222-UP

2шт.

3

0

STOPPER,DELIVERY VALVE

SN: 311222-UP

2шт.

4

0

O-RING

SN: 311222-UP

2шт.

5

0

SPRING,DELIVERY VALVE

SN: 311222-UP

2шт.

6

0

GASKET

SN: 311222-UP

2шт.

7

0

VALVE ASS'Y

SN: 311222-UP

2шт.

8

0

ELEMENT ASS'Y

SN: 311222-UP

2шт.

9

0

O-RING

SN: 311222-UP

6шт.

10

0

WASHER

SN: 311222-UP

4шт.

11

0

NUT

SN: 311222-UP

4шт.

12

0

SEAT,SPRING UPPER

SN: 311222-UP

2шт.

13

0

SPRING,PLUNGER

SN: 311222-UP

2шт.

14

0

SEAT,SPRING LOWER

SN: 311222-UP

2шт.

15

0

TAPPET ASS'Y

SN: 311222-UP

2шт.

16

0

CAMSHAFT

SN: 311222-UP

1шт.

17

0

BEARING,ROLLER

SN: 311222-UP

2шт.

18

0

COVER,BEARING

SN: 311222-UP

1шт.

19

0

SEAL,OIL

SN: 311222-UP

1шт.

20

0

O-RING

SN: 311222-UP

1шт.

21

0

SHIM¤ 0.05MM

SN: 311222-UP

-2шт.

|21

0

SHIM¤ 0.10MM

SN: 311222-UP

-2шт.

|21

0

SHIM¤ 0.20MM

SN: 311222-UP

-2шт.

|21

0

SHIM¤ 0.30MM

SN: 311222-UP

-2шт.

|21

0

SHIM¤ 0.50MM

SN: 311222-UP

-2шт.

22

0

WASHER

SN: 311222-UP

4шт.

23

0

BOLT

SN: 311222-UP

4шт.

24

0

O-RING

SN: 311222-UP

1шт.

25

0

O-RING

SN: 311222-UP

1шт.

26

0

SHIM¤ 0.40MM

SN: 311222-UP

-2шт.

|26

0

SHIM¤ 0.60MM

SN: 311222-UP

-2шт.

|26

0

SHIM¤ 0.80MM

SN: 311222-UP

-2шт.

|26

0

SHIM¤ 1.00MM

SN: 311222-UP

-2шт.

27

0

VALVE ASS'Y,CONTROL

SN: 311222-UP

2шт.

28

0

SENSOR ASS'Y

SN: 311222-UP

1шт.

|28

0

O-RING

SN: 311222-UP

1шт.

29

0

SHIM¤ 0.15MM

SN: 311222-UP

-2шт.

|29

0

SHIM¤ 0.20MM

SN: 311222-UP

-2шт.

|29

0

SHIM¤ 0.25MM

SN: 311222-UP

-2шт.

|29

0

SHIM¤ 0.40MM

SN: 311222-UP

-2шт.

30

0

WASHER

SN: 311222-UP

1шт.

31

0

BOLT

SN: 311222-UP

1шт.

32

ND090310-0500

VALVE ASS'Y,OVERFLOW

SN: 311222-UP

1шт.

33

ND090222-0070

WASHER

SN: 311222-UP

5шт.

34

ND949180-0310

SCREW

SN: 311222-UP

1шт.

35

ND090222-0120

WASHER

SN: 311222-UP

2шт.

36

ND949180-0060

SCREW

SN: 311222-UP

1шт.

37

0

WASHER

SN: 311222-UP

1шт.

38

0

PLUG,SCREW

SN: 311222-UP

1шт.

39

0

WASHER¤ 0.30MM

SN: 311222-UP

-2шт.

|39

0

WASHER¤ 0.10MM

SN: 311222-UP

-2шт.

|39

0

WASHER¤ 0.50MM

SN: 311222-UP

-2шт.

40

0

STOPPER

SN: 311222-UP

2шт.

41

0

RING

SN: 311222-UP

1шт.

42

ND090244-0010

SCREW

SN: 311222-UP

1шт.

43

ND949010-3020

WASHER

SN: 311222-UP

1шт.

44

ND094086-0210

O-RING (K2)

SN: 311222-UP

1шт.

|1

6156-71-1110

PUMP

SN: 311222-UP

1шт.

|$$2

THIS ASSEMBLY CONSISTS OF ALL PARTS SHOWN IN FIGS.A4010-C3V2 AND A4010-D3V2.

-1шт.

|1

0

BODY ASS'Y

SN: 311222-UP

1шт.

1

0

HOUSING ASS'Y

SN: 311222-UP

1шт.

2

0

HOLDER,DELIVERY VALVE

SN: 311222-UP

2шт.

3

0

STOPPER,DELIVERY VALVE

SN: 311222-UP

2шт.

4

0

O-RING

SN: 311222-UP

2шт.

5

0

SPRING,DELIVERY VALVE

SN: 311222-UP

2шт.

6

0

GASKET

SN: 311222-UP

2шт.

7

0

VALVE ASS'Y

SN: 311222-UP

2шт.

8

0

ELEMENT ASS'Y

SN: 311222-UP

2шт.

9

0

O-RING

SN: 311222-UP

6шт.

10

0

WASHER

SN: 311222-UP

4шт.

11

0

NUT

SN: 311222-UP

4шт.

12

0

SEAT,SPRING UPPER

SN: 311222-UP

2шт.

13

0

SPRING,PLUNGER

SN: 311222-UP

2шт.

14

0

SEAT,SPRING LOWER

SN: 311222-UP

2шт.

15

0

TAPPET ASS'Y

SN: 311222-UP

2шт.

16

0

CAMSHAFT

SN: 311222-UP

1шт.

17

0

BEARING,ROLLER

SN: 311222-UP

2шт.

18

0

COVER,BEARING

SN: 311222-UP

1шт.

19

0

SEAL,OIL

SN: 311222-UP

1шт.

20

0

O-RING

SN: 311222-UP

1шт.

21

0

SHIM¤ 0.05MM

SN: 311222-UP

-2шт.

|21

0

SHIM¤ 0.10MM

SN: 311222-UP

-2шт.

|21

0

SHIM¤ 0.20MM

SN: 311222-UP

-2шт.

|21

0

SHIM¤ 0.30MM

SN: 311222-UP

-2шт.

|21

0

SHIM¤ 0.50MM

SN: 311222-UP

-2шт.

22

0

WASHER

SN: 311222-UP

4шт.

23

0

BOLT

SN: 311222-UP

4шт.

24

0

O-RING

SN: 311222-UP

1шт.

25

0

O-RING

SN: 311222-UP

1шт.

26

0

SHIM¤ 0.40MM

SN: 311222-UP

-2шт.

|26

0

SHIM¤ 0.60MM

SN: 311222-UP

-2шт.

|26

0

SHIM¤ 0.80MM

SN: 311222-UP

-2шт.

|26

0

SHIM¤ 1.00MM

SN: 311222-UP

-2шт.

27

0

VALVE ASS'Y,CONTROL

SN: 311222-UP

2шт.

28

0

SENSOR ASS'Y

SN: 311222-UP

1шт.

|28

0

O-RING

SN: 311222-UP

1шт.

29

0

SHIM¤ 0.15MM

SN: 311222-UP

-2шт.

|29

0

SHIM¤ 0.20MM

SN: 311222-UP

-2шт.

|29

0

SHIM¤ 0.25MM

SN: 311222-UP

-2шт.

|29

0

SHIM¤ 0.40MM

SN: 311222-UP

-2шт.

30

0

WASHER

SN: 311222-UP

1шт.

31

0

BOLT

SN: 311222-UP

1шт.

32

ND090310-0500

VALVE ASS'Y,OVERFLOW

SN: 311222-UP

1шт.

33

ND090222-0070

WASHER

SN: 311222-UP

5шт.

34

ND949180-0310

SCREW

SN: 311222-UP

1шт.

35

ND090222-0120

WASHER

SN: 311222-UP

2шт.

36

ND949180-0060

SCREW

SN: 311222-UP

1шт.

37

0

WASHER

SN: 311222-UP

1шт.

38

0

PLUG,SCREW

SN: 311222-UP

1шт.

39

0

WASHER¤ 0.30MM

SN: 311222-UP

-2шт.

|39

0

WASHER¤ 0.10MM

SN: 311222-UP

-2шт.

|39

0

WASHER¤ 0.50MM

SN: 311222-UP

-2шт.

40

0

STOPPER

SN: 311222-UP

2шт.

41

0

RING

SN: 311222-UP

1шт.

42

ND090244-0010

SCREW

SN: 311222-UP

1шт.

43

ND949010-3020

WASHER

SN: 311222-UP

1шт.

44

ND094086-0210

O-RING (K2)

SN: 311222-UP

1шт.

Выбрано товаров: 120