Запчасти Komatsu D85PX-15E0 СИЛОВАЯ ПЕРЕДАЧА, ГИДРАВЛ МАСЛ. НАСОС КРЕПЛЕНИЕ (№9-) СИЛОВАЯ ПЕРЕДАЧА, БЕЗ ДВИГАТЕЛЬ С ПОДОГРЕВАТЕЛЬ ХЛАДАГЕНТА

Схема запчастей Komatsu D85PX-15E0 - СИЛОВАЯ ПЕРЕДАЧА, ГИДРАВЛ МАСЛ. НАСОС КРЕПЛЕНИЕ (№9-) СИЛОВАЯ ПЕРЕДАЧА, БЕЗ ДВИГАТЕЛЬ С ПОДОГРЕВАТЕЛЬ ХЛАДАГЕНТА
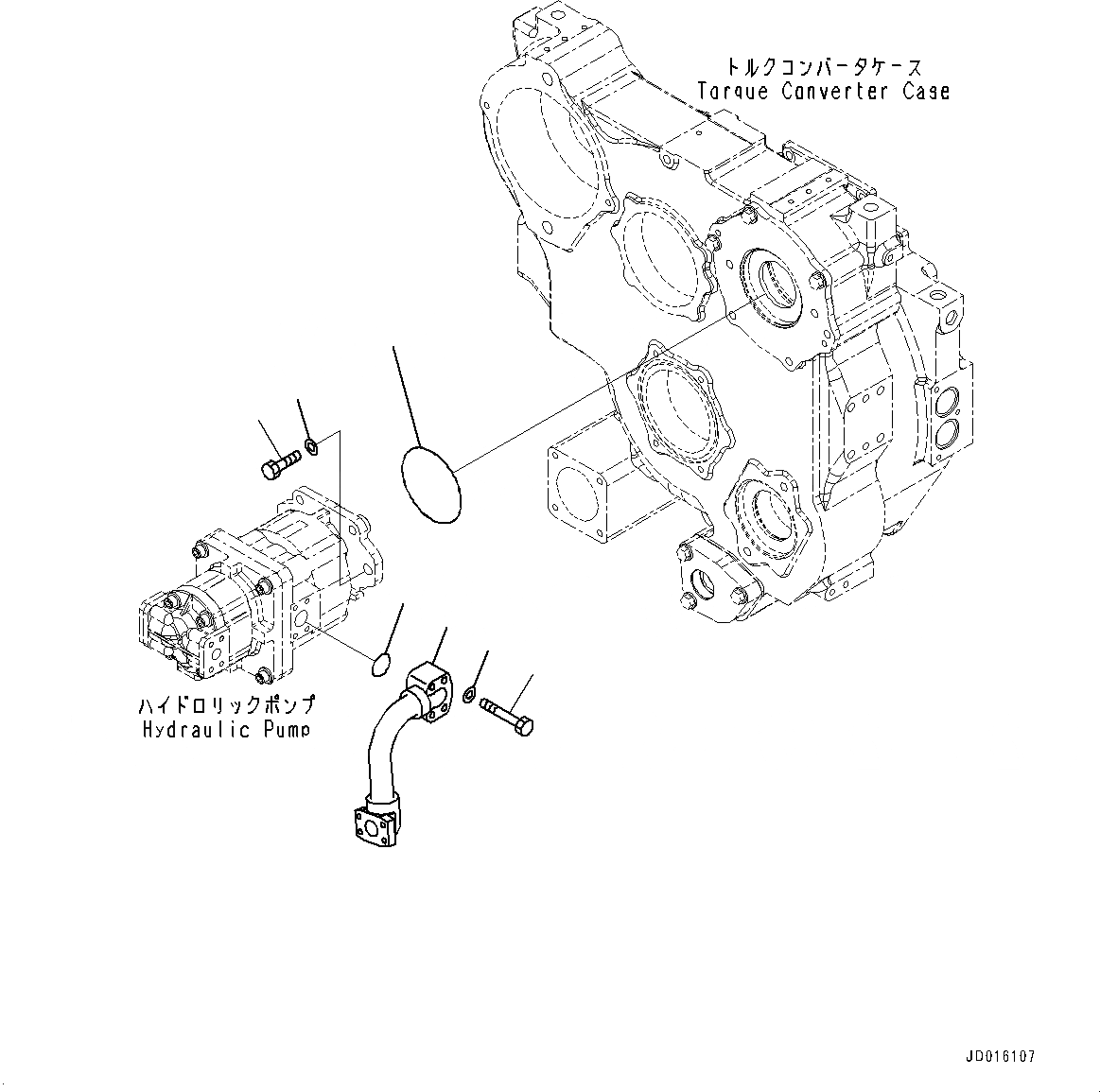
1
2
3
4
5
6
7
FIT
1:1
100%

Артикул

Название

Примечание

Количество

|$0

154-22-60000

Power Train Assembly

SN: 11609-UP

1шт.

1

154-49-71510

Tube

SN: 11609-UP

1шт.

2

07000-73035

O-ring

SN: 11609-UP

1шт.

3

01010-81065

Bolt

SN: 11609-UP

4шт.

4

01643-31032

Washer

SN: 11609-UP

4шт.

5

07000-72130

O-ring

SN: 11609-UP

1шт.

6

01010-61645

Bolt

SN: 11609-UP

2шт.

7

01643-31645

Washer

SN: 11609-UP

2шт.

Выбрано товаров: 8