Запчасти Komatsu D85PX-15E0 СИЛОВАЯ ПЕРЕДАЧА КРЕПЛЕНИЕ (№9-) СИЛОВАЯ ПЕРЕДАЧА КРЕПЛЕНИЕ

Схема запчастей Komatsu D85PX-15E0 - СИЛОВАЯ ПЕРЕДАЧА КРЕПЛЕНИЕ (№9-) СИЛОВАЯ ПЕРЕДАЧА КРЕПЛЕНИЕ
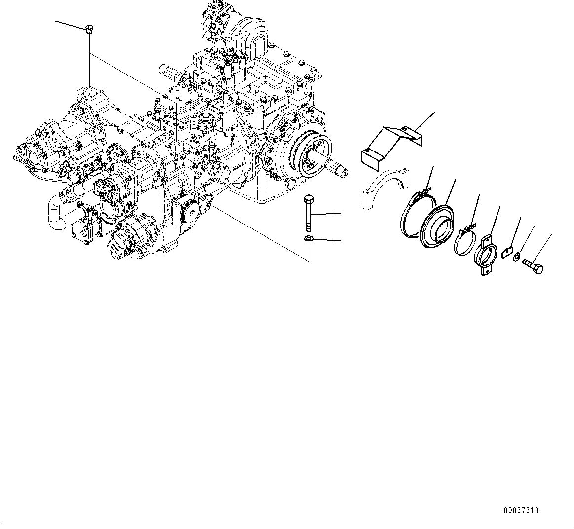
1
2
8
4
11
6
9
10
7
5
3
FIT
1:1
100%

Артикул

Название

Примечание

Количество

1

01011-82080

Bolt

SN: 11609-UP

4шт.

2

01643-32060

Washer

SN: 11609-UP

4шт.

3

154-21-71410

Cover

SN: 11609-UP

2шт.

4

14Y-21-13210

Coupling

SN: 11609-UP

2шт.

5

14Y-21-11231

Plate

SN: 11609-UP

4шт.

6

01010-81025

Bolt

SN: 11609-UP

4шт.

7

01643-31032

Washer

SN: 11609-UP

4шт.

8

07049-02430

Plug

SN: 11609-UP

4шт.

9

14Y-21-13160

Seal

SN: 11609-UP

2шт.

10

14Y-21-13190

Clamp

SN: 11609-UP

2шт.

11

17A-21-14130

Cage

SN: 11609-UP

2шт.

Выбрано товаров: 11