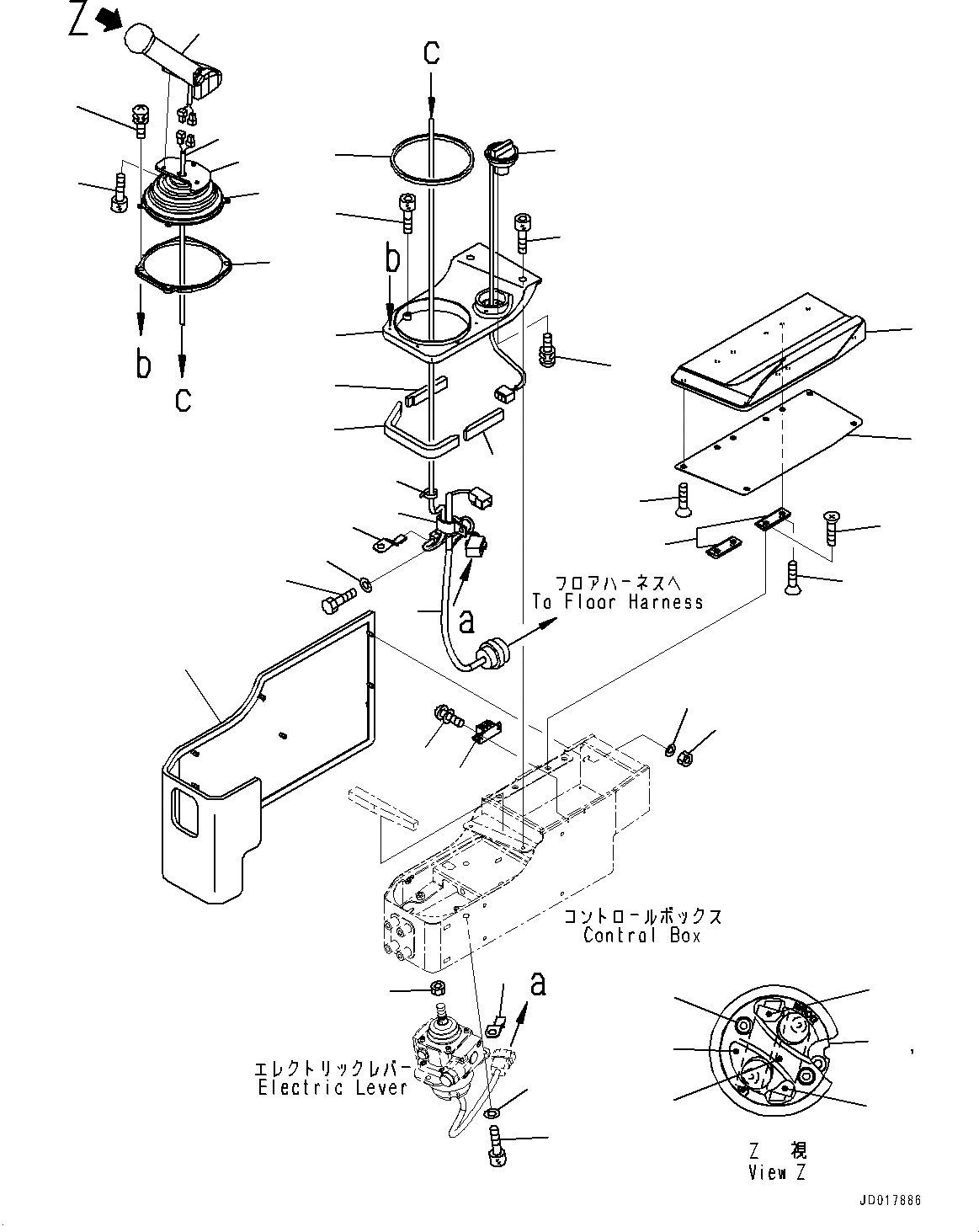
Запчасти Komatsu D85PX-15E0 ОСНОВН. КОНСТРУКЦИЯ, КОНСОЛЬ (№9-) ОСНОВН. КОНСТРУКЦИЯ, PROVISION ДЛЯ СКРЕППЕРА

Схема запчастей Komatsu D85PX-15E0 - ОСНОВН. КОНСТРУКЦИЯ, КОНСОЛЬ (№9-) ОСНОВН. КОНСТРУКЦИЯ, PROVISION ДЛЯ СКРЕППЕРА
1
2
3
6
13
14
15
16
17
18
19
20
21
22
23
24
32
33
38
40
41
42
36
39
38
7
37
4
5
34
35
31
25
26
27
29
28
30
12
8
9
10
10
11
FIT
1:1
100%

Артикул

Название

Примечание

Количество

1

01252-70825

Bolt, Hexagon Socket Head

SN: 11609-UP

3шт.

2

01643-30823

Washer

SN: 11609-UP

3шт.

2

14X-06-31311

Wiring Harness

SN: 11609-UP

1шт.

3

154-43-73531

Bracket

SN: 11609-UP

1шт.

4

154-43-73560

Wiring Harness

SN: 11609-UP

1шт.

5

14X-43-34331

Boot

SN: 11609-UP

1шт.

6

20T-43-71190

Nut

SN: 11609-UP

1шт.

7

08034-20519

Band

SN: 11609-UP

2шт.

7

154-43-73641

Pad

SN: 11609-UP

1шт.

8

19M-43-33630

Pad

SN: 11609-UP

1шт.

9

154-43-73631

Plate

SN: 11609-UP

1шт.

10

01224-70408

Screw, Philips Head

SN: 11609-UP

8шт.

11

19M-43-33660

Hinge, Welded

SN: 11609-UP

2шт.

12

01224-70408

Screw, Philips Head

SN: 11609-UP

4шт.

13

154-43-73651

Magnet

SN: 11609-UP

1шт.

14

01023-10308

Screw

SN: 11609-UP

4шт.

15

14X-06-31281

Wiring Harness

SN: 11609-UP

1шт.

16

04435-51408

Clip

SN: 11609-UP

1шт.

17

01010-80816

Bolt

SN: 11609-UP

1шт.

18

01643-30823

Washer

SN: 11609-UP

1шт.

19

08193-20010

Clip

SN: 11609-UP

1шт.

20

08193-31012

Clip

SN: 11609-UP

1шт.

21

14X-43-34390

Pad

SN: 11609-UP

1шт.

22

01640-20610

Washer

SN: 11609-UP

8шт.

23

01580-20605

Nut

SN: 11609-UP

8шт.

24

19M-43-33111

Knob Assembly

SN: 11609-UP

1шт.

25

19M-09-11510

Bolt

SN: 11609-UP

2шт.

26

19M-43-33141

Switch Assembly

SN: 11609-UP

1шт.

27

19M-43-33171

Plate

SN: 11609-UP

1шт.

28

19M-43-33460

Switch, Shift Down

SN: 11609-UP

1шт.

29

19M-43-33470

Switch, Shift Up

SN: 11609-UP

1шт.

30

19M-43-33151

Rubber

SN: 11609-UP

1шт.

31

19M-43-33161

Cover

SN: 11609-UP

1шт.

32

01252-80514

Bolt

SN: 11609-UP

3шт.

32

14X-43-34320

Finisher Assembly

SN: 11609-UP

1шт.

33

154-43-73620

Finisher Assembly

SN: 11609-UP

1шт.

34

14X-54-38310

Sheet

SN: 11609-UP

1шт.

35

14X-54-38320

Sheet

SN: 11609-UP

1шт.

36

14X-54-38330

Sheet

SN: 11609-UP

1шт.

37

14X-54-38350

Sheet

SN: 11609-UP

1шт.

38

01252-70520

Bolt

SN: 11609-UP

4шт.

39

14X-06-31502

Dial

SN: 11814-UP

1шт.

39

14X-06-31501

Dial, Fuel

SN: 11609-11813

1шт.

40

01023-60410

Screw

SN: 11609-UP

2шт.

41

14X-43-34341

Cover

SN: 11609-UP

1шт.

42

01023-70414

Screw

SN: 11609-UP

4шт.

Выбрано товаров: 46