Качественные детали и логистика
Оригинальные и аналоговые запчасти с доставкой по России, Казахстану и Беларуси
©2022 PartSell ООО "Система" ИНН 2463123282 ОГРН 1212400004838
Центральный офис: г. Красноярск, Академика Киренского, д.87, пом.4
Телефон: 8 (800) 777-65-74 Email: zakaz@partsell.ru
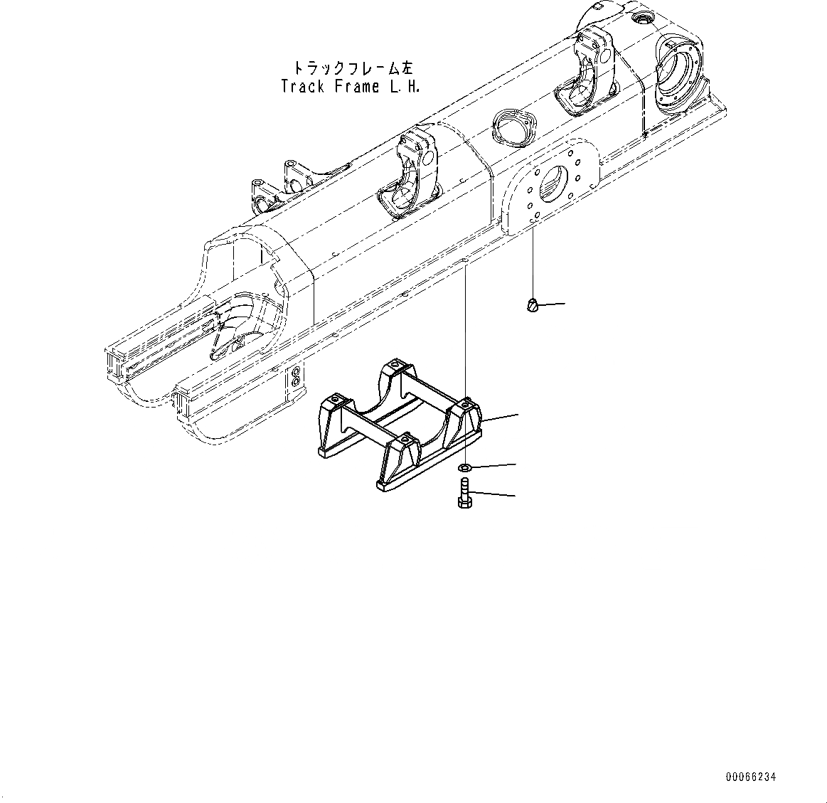
ГУСЕНИЧНАЯ РАМА, ГУСЕНИЦЫ ЧАСТИ КОРПУСА (/) (№9-)
№
Артикул
Название
Примечание
Количество
1
154-30-75310
Guard
SN: 11609-UP
1шт.
2
01010-82255
Bolt
4шт.
3
01643-32260
Washer
4
07049-02228
Plug, Cork
8шт.
Выбрано товаров: 0