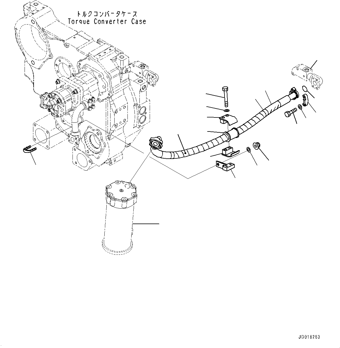
Запчасти Komatsu D85PX-15E0 СИЛОВАЯ ПЕРЕДАЧА ТРУБЫ (№9-) СИЛОВАЯ ПЕРЕДАЧА ТРУБЫ

Схема запчастей Komatsu D85PX-15E0 - СИЛОВАЯ ПЕРЕДАЧА ТРУБЫ (№9-) СИЛОВАЯ ПЕРЕДАЧА ТРУБЫ
13
15
14
13
12
10
9
8
7
6
5
4
11
1
2
3
16
17
FIT
1:1
100%

Артикул

Название

Примечание

Количество

1

154-49-75490

Hose

SN: 11609-UP

1шт.

2

08024-91920

Tape, Black

SN: 11609-UP

1шт.

3

08210-01805

Tube, Spiral

SN: 11609-UP

1шт.

4

07000-73032

O-ring

SN: 11609-UP

2шт.

5

07371-31049

Flange, Split

SN: 11609-UP

4шт.

6

07372-21035

Bolt

SN: 11609-UP

8шт.

7

01643-51032

Washer

SN: 11609-UP

8шт.

8

154-49-71520

Bracket

SN: 11609-UP

1шт.

9

07283-23442

Clip

SN: 11609-UP

1шт.

10

01597-01009

Nut

SN: 11609-UP

2шт.

11

01643-31032

Washer

SN: 11609-UP

2шт.

12

07095-01035

Cushion

SN: 11609-UP

1шт.

13

07094-11024

Clamp

SN: 11609-UP

2шт.

14

01010-81275

Bolt

SN: 11609-UP

2шт.

15

01643-31232

Washer

SN: 11609-UP

2шт.

16

154-49-71202

Filter Assembly

SN: UP

-1шт.

17

154-49-71571

Tube

SN: UP

-1шт.

|$17

154-49-71571

Tube

SN: UP

-1шт.

Выбрано товаров: 0