Запчасти Komatsu D85PX-15E0 ВЕНТИЛЯТОР ОХЛАЖДЕНИЯ ПРИВОД, ВЕНТИЛЯТОР ОХЛАЖДЕНИЯ МОТОР (/) (№9-) ВЕНТИЛЯТОР ОХЛАЖДЕНИЯ ПРИВОД, ДЛЯ СТРАН ЕС NOISE REGURATION, С SOUND ABSORBING ОТВАЛ

Схема запчастей Komatsu D85PX-15E0 - ВЕНТИЛЯТОР ОХЛАЖДЕНИЯ ПРИВОД, ВЕНТИЛЯТОР ОХЛАЖДЕНИЯ МОТОР (/) (№9-) ВЕНТИЛЯТОР ОХЛАЖДЕНИЯ ПРИВОД, ДЛЯ СТРАН ЕС NOISE REGURATION, С SOUND ABSORBING ОТВАЛ
3
1
8
14
7
4
11
6
10
9
15
13
12
16
5
2
36
39
38
37
34
33
32
31
35
30
29
28
27
26
25
24
23
22
21
20
19
18
17
FIT
1:1
100%

Артикул

Название

Примечание

Количество

|$0

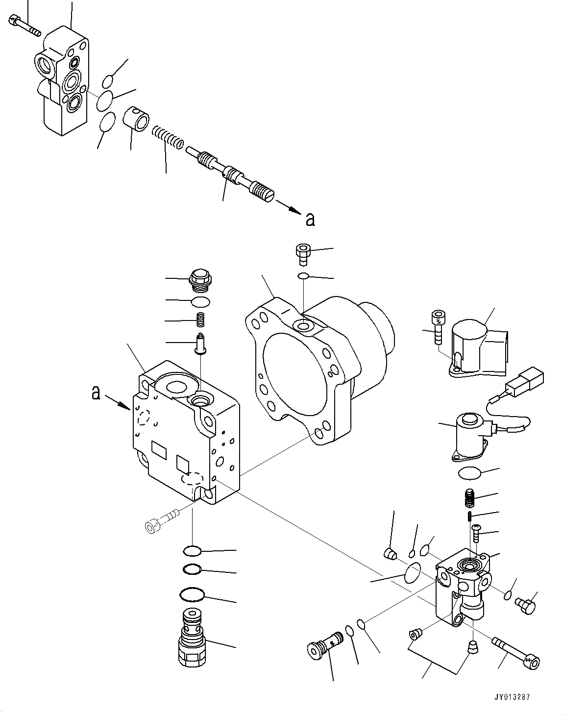
708-7S-00352

Motor Assembly

SN: 11609-UP

1шт.

1

708-7S-11740

Case

SN: 11609-UP

1шт.

2

07040-11007

Plug

SN: 11609-UP

1шт.

3

07002-21023

O-ring

SN: 11609-UP

1шт.

3

708-7S-01241

Cover Subassembly

SN: 11609-UP

1шт.

4

Cover, End

SN: 11609-UP

1шт.

5

708-7R-11210

Valve

SN: 11609-UP

1шт.

6

722-10-91130

Spring

SN: 11609-UP

1шт.

7

709-32-12861

Plug

SN: 11609-UP

1шт.

8

07002-21823

O-ring

SN: 11609-UP

1шт.

9

Spool

SN: 11609-UP

1шт.

10

708-7S-18120

Spring

SN: 11609-UP

1шт.

11

708-7S-18310

Spacer

SN: 11609-UP

1шт.

12

708-7S-18320

Cover

SN: 11609-UP

1шт.

13

07000-E2020

O-ring

SN: 11609-UP

1шт.

14

07000-E2025

O-ring

SN: 11609-UP

1шт.

15

07000-E2012

O-ring

SN: 11609-UP

1шт.

16

01252-60845

Bolt, Hexagon Socket Head

SN: 11609-UP

4шт.

16

708-7S-01151

Valve Assembly, Pilot

SN: 11609-UP

1шт.

17

702-21-56241

Solenoid

SN: 11609-UP

1шт.

18

700-80-61260

O-ring

SN: 11609-UP

1шт.

19

Case

SN: 11609-UP

1шт.

20

Spool

SN: 11609-UP

1шт.

21

702-21-56220

Spring

SN: 11609-UP

1шт.

22

708-21-12541

Plug

SN: 11609-UP

2шт.

23

01252-60616

Bolt, Hexagon Socket Head

SN: 11609-UP

2шт.

24

708-2L-25490

O-ring

SN: 11609-UP

1шт.

25

702-21-54180

Screw

SN: 11609-UP

2шт.

26

07000-11008

O-ring

SN: 11609-UP

1шт.

27

723-11-18430

O-ring

SN: 11609-UP

1шт.

28

07040-11007

Plug

SN: 11609-UP

1шт.

29

07002-11023

O-ring

SN: 11609-UP

1шт.

30

708-2L-29460

Orifice

SN: 11609-UP

1шт.

31

708-1S-18180

Cover

SN: 11609-UP

1шт.

32

708-7R-18230

Filter

SN: 11609-UP

1шт.

33

07002-11423

O-ring

SN: 11609-UP

1шт.

34

07000-11009

O-ring

SN: 11609-UP

1шт.

35

01252-60835

Bolt, Hexagon Socket Head

SN: 11609-UP

4шт.

36

708-7T-02271

Valve Assembly

SN: 11609-UP

1шт.

37

07000-F2016

O-ring

SN: 11609-UP

1шт.

38

07001-02016

Ring, Back-up

SN: 11609-UP

1шт.

39

07002-12434

O-ring

SN: 11609-UP

1шт.

Выбрано товаров: 0