Запчасти Komatsu D85PX-15E0 КРЫЛО, ВСАСЫВ. ТРУБЫ (№9-) КРЫЛО, С ВЫСОК. ЕМК. АККУМУЛЯТОР, КАБИНА, ДЛЯ СТРАН ЕС ARRANGEMENT

Схема запчастей Komatsu D85PX-15E0 - КРЫЛО, ВСАСЫВ. ТРУБЫ (№9-) КРЫЛО, С ВЫСОК. ЕМК. АККУМУЛЯТОР, КАБИНА, ДЛЯ СТРАН ЕС ARRANGEMENT
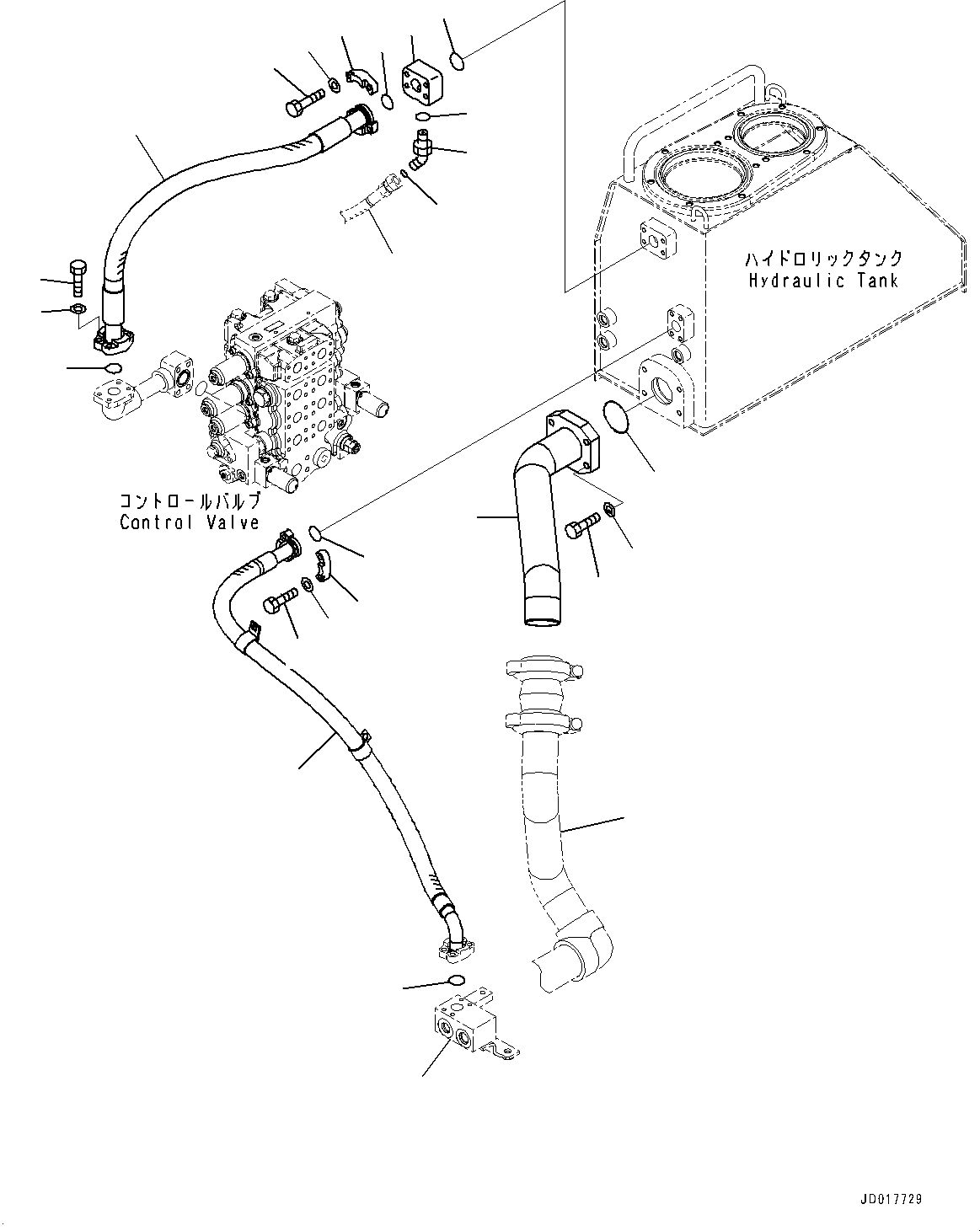
13
14
16
17
18
19
20
21
14
15
24
23
1
3
6
7
2
12
10
11
4
5
8
9
2
22
FIT
1:1
100%

Артикул

Название

Примечание

Количество

1

07296-012A9

Hose, Flange Type

SN: 11609-UP

1шт.

2

07000-13038

O-ring

SN: 11609-UP

2шт.

3

07371-31255

Flange, Split

SN: 11609-UP

4шт.

4

07372-21035

Bolt

SN: 11609-UP

4шт.

5

01643-51032

Washer

SN: 11609-UP

4шт.

6

195-78-63210

Bolt

SN: 11609-UP

4шт.

7

01643-51032

Washer

SN: 11609-UP

4шт.

8

154-61-78480

Block

SN: 11609-UP

1шт.

9

07000-13040

O-ring

SN: 11609-UP

1шт.

10

02783-10522

Elbow

SN: 11609-UP

1шт.

11

07002-12434

O-ring

SN: 11609-UP

1шт.

12

02896-11015

O-ring

SN: 11609-UP

1шт.

13

07298-01014

Hose, Flange Type

SN: 11609-UP

1шт.

14

07000-13032

O-ring

SN: 11609-UP

2шт.

15

07371-31049

Flange, Split

SN: 11609-UP

2шт.

16

07372-21035

Bolt

SN: 11609-UP

4шт.

17

01643-51032

Washer

SN: 11609-UP

4шт.

18

154-60-72151

Tube

SN: 11609-UP

1шт.

19

07000-12085

O-ring

SN: 11609-UP

1шт.

20

01010-81245

Bolt

SN: 11609-UP

4шт.

21

01643-31232

Washer

SN: 11609-UP

4шт.

22

02762-00544

Hose, Face Seal Type

SN: UP

-1шт.

23

154-60-72411

Tube

SN: UP

-1шт.

24

154-61-72121

Block

SN: UP

-1шт.

Выбрано товаров: 24