Запчасти Komatsu D85PX-15E0 РЫЧАГ И КОНСОЛЬ(№-) КАБИНА ОПЕРАТОРА И СИСТЕМА УПРАВЛЕНИЯ

Схема запчастей Komatsu D85PX-15E0 - РЫЧАГ И КОНСОЛЬ(№-) КАБИНА ОПЕРАТОРА И СИСТЕМА УПРАВЛЕНИЯ
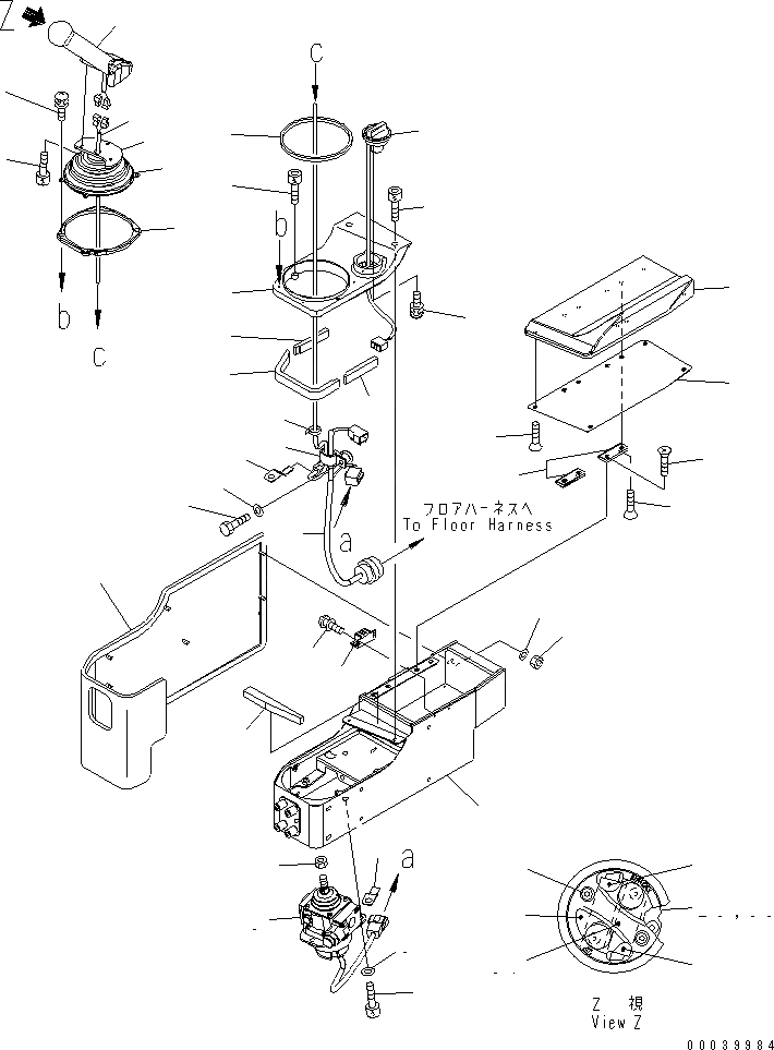
1
2
3
4
5
6
7
8
9
10
11
12
13
13
14
15
16
17
18
19
20
21
22
23
24
25
26
27
28
29
30
31
32
33
34
35
36
37
38
39
40
41
41
42
43
44
45
FIT
1:1
100%

Артикул

Название

Примечание

Количество

1

14X-43-34351

BOX

SN: 1201-UP

1шт.

2

14X-54-38340

SHEET (BONDED)

SN: 1201-UP

1шт.

3

702-16-02213

LEVER ASS'Y,(SEE FIG. Y1679-01A1)

SN: 1201-UP

1шт.

3

0

LEVER ASS'Y

SN: (1201-11364)

1шт.

4

01252-70825

BOLT

SN: 1201-UP

3шт.

5

01643-30823

WASHER

SN: 1201-UP

3шт.

|$20

14X-06-31311

WIRING HARNESS

SN: 1201-UP

1шт.

6

154-43-73531

BRACKET

SN: 1201-UP

1шт.

7

154-43-73560

WIRING HARNESS

SN: 1201-UP

1шт.

8

14X-43-34331

BOOT

SN: 1201-UP

1шт.

9

20T-43-71190

NUT

SN: 1201-UP

1шт.

10

08034-20519

BAND

SN: 1201-UP

2шт.

|$26

154-43-73641

PAD

SN: 1201-UP

1шт.

11

19M-43-33630

PAD

SN: 1201-UP

1шт.

12

154-43-73631

PLATE

SN: 1201-UP

1шт.

13

01224-70408

SCREW

SN: 1201-UP

8шт.

14

19M-43-33660

HINGE

SN: 1201-UP

2шт.

15

01224-70408

SCREW

SN: 1201-UP

4шт.

16

154-43-73651

MAGNET

SN: 1201-UP

1шт.

17

01023-10308

SCREW

SN: 1201-UP

4шт.

18

14X-06-31281

WIRING HARNESS

SN: 1201-UP

1шт.

19

04435-51408

CLIP

SN: 1201-UP

1шт.

20

01010-80816

BOLT

SN: 1201-UP

1шт.

21

01643-30823

WASHER

SN: 1201-UP

1шт.

22

08193-20010

CLIP

SN: 1201-UP

1шт.

23

08193-31012

CLIP

SN: 1201-UP

1шт.

24

14X-43-34390

PAD

SN: 1201-UP

1шт.

25

01640-20610

WASHER

SN: 1201-UP

8шт.

26

01580-20605

NUT

SN: 1201-UP

8шт.

27

19M-43-33111

KNOB ASS'Y

SN: 11156-UP

1шт.

27

0

KNOB ASS'Y

SN: 1201-11155

1шт.

28

19M-09-11510

BOLT

SN: 1201-UP

2шт.

29

19M-43-33141

SWITCH ASS'Y

SN: 11156-UP

1шт.

29

19M-43-33140

SWITCH ASS'Y

SN: 1201-11155

1шт.

30

19M-43-33171

PLATE

SN: 11156-UP

1шт.

30

0

PLATE

SN: 1201-11155

1шт.

31

19M-43-33460

SWITCH

SN: 1201-UP

1шт.

32

19M-43-33470

SWITCH

SN: 1201-UP

1шт.

33

19M-43-33151

RUBBER

SN: 11156-UP

1шт.

33

0

RUBBER

SN: 1201-11155

1шт.

34

19M-43-33161

COVER

SN: 11156-UP

1шт.

34

0

COVER

SN: 1201-11155

1шт.

35

01252-80514

BOLT

SN: 1201-UP

3шт.

|$58

14X-43-34320

FINISHER

SN: 1201-UP

1шт.

36

154-43-73620

FINISHER

SN: 1201-UP

1шт.

37

14X-54-38310

SHEET (BONDED)

SN: 1201-UP

1шт.

38

14X-54-38320

SHEET (BONDED)

SN: 1201-UP

1шт.

39

14X-54-38330

SHEET (BONDED)

SN: 1201-UP

1шт.

40

14X-54-38350

SHEET (BONDED)

SN: 1201-UP

1шт.

41

01252-70520

BOLT

SN: 1201-UP

4шт.

42

14X-06-31501

DIAL,FUEL

SN: 1201-UP

1шт.

43

01023-60410

SCREW

SN: 1201-UP

2шт.

44

14X-43-34341

COVER

SN: 1201-UP

1шт.

45

01023-70414

SCREW

SN: 1201-UP

4шт.

Выбрано товаров: 0