Запчасти Komatsu D85PX-15E0 ОСНОВН. КОНСТРУКЦИЯ КАБИНА (БЕЗ КАБИНЫ) (/)(№-) КАБИНА ОПЕРАТОРА И СИСТЕМА УПРАВЛЕНИЯ

Схема запчастей Komatsu D85PX-15E0 - ОСНОВН. КОНСТРУКЦИЯ КАБИНА (БЕЗ КАБИНЫ) (/)(№-) КАБИНА ОПЕРАТОРА И СИСТЕМА УПРАВЛЕНИЯ
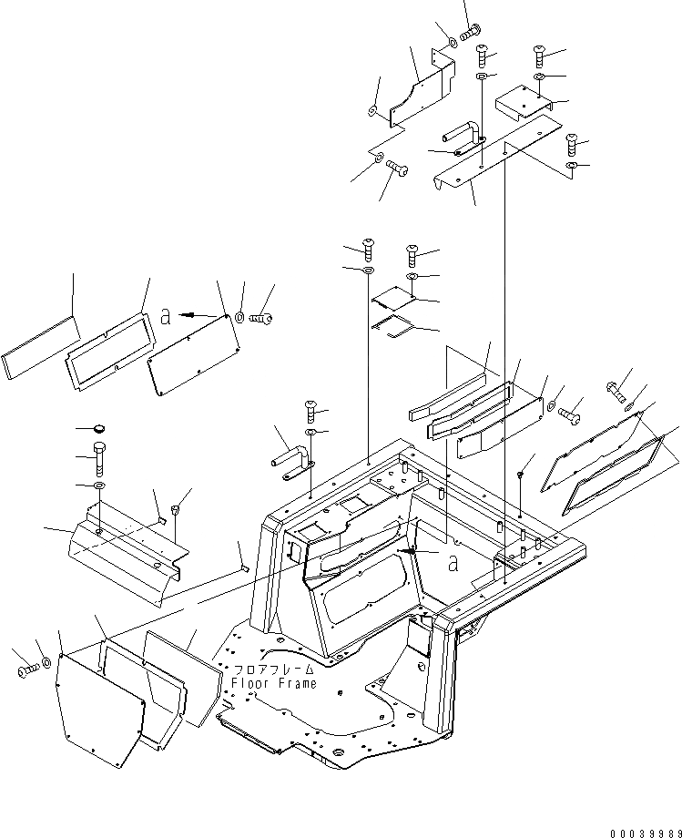
1
2
3
4
5
6
7
8
9
10
11
12
13
14
15
16
17
18
19
20
21
22
23
24
25
26
27
27
28
28
29
30
31
32
33
34
35
36
37
37
38
39
40
41
42
42
43
43
44
44
45
FIT
1:1
100%

Артикул

Название

Примечание

Количество

1

17A-54-16241

COVER

SN: 1201-UP

1шт.

2

14X-54-16183

SEAL (BONDED)

SN: 1201-UP

1шт.

3

17A-54-16671

SHEET (BONDED)

SN: 1201-UP

1шт.

4

01245-00825

SCREW

SN: 1201-UP

6шт.

5

01643-70823

WASHER

SN: 1201-UP

6шт.

6

154-54-75141

COVER

SN: 1205-UP

1шт.

6

154-54-75140

COVER

SN: 1201-1204

1шт.

7

154-54-75160

SEAL (BONDED)

SN: 1201-UP

1шт.

8

01245-00825

SCREW

SN: 1201-UP

6шт.

9

01643-70823

WASHER

SN: 1201-UP

6шт.

10

154-54-73350

COVER

SN: 1201-UP

1шт.

11

154-54-73360

SEAL (BONDED)

SN: 1201-UP

1шт.

12

154-54-73370

SHEET (BONDED)

SN: 1201-UP

1шт.

13

01245-00825

SCREW

SN: 1201-UP

8шт.

14

01643-70823

WASHER

SN: 1201-UP

8шт.

15

17A-54-16151

COVER

SN: 1201-UP

1шт.

16

14X-54-16193

SEAL (BONDED)

SN: 1201-UP

1шт.

17

17A-54-16651

SHEET (BONDED)

SN: 1201-UP

1шт.

18

01245-00825

SCREW

SN: 1201-UP

6шт.

19

01643-70823

WASHER

SN: 1201-UP

6шт.

20

14X-54-36440

COVER

SN: 1201-UP

1шт.

21

01245-01230

SCREW

SN: 1201-UP

2шт.

22

01643-71232

WASHER

SN: 1201-UP

2шт.

23

14X-54-36450

COVER

SN: 1201-UP

1шт.

24

01245-00825

SCREW

SN: 1201-UP

3шт.

25

01643-70823

WASHER

SN: 1201-UP

3шт.

26

154-43-73320

COVER

SN: 1201-UP

1шт.

27

01245-00612

SCREW

SN: 1201-UP

6шт.

28

01643-70623

WASHER

SN: 1201-UP

6шт.

29

17A-Z11-2813

PLATE

SN: 1201-UP

4шт.

30

01245-01230

SCREW

SN: 1201-UP

1шт.

31

01643-71232

WASHER

SN: 1201-UP

1шт.

32

17A-54-25650

COVER

SN: 1201-UP

1шт.

33

17A-54-25660

SEAL (BONDED)

SN: 1201-UP

1шт.

34

01245-00825

SCREW

SN: 1201-UP

2шт.

35

01643-70823

WASHER

SN: 1201-UP

2шт.

36

154-54-73760

BRACKET

SN: 1201-UP

1шт.

37

154-54-66880

SHEET (BONDED)

SN: 1201-UP

2шт.

38

01010-81055

BOLT

SN: 1201-UP

2шт.

39

01643-31032

WASHER

SN: 1201-UP

2шт.

40

09415-02512

CAP

SN: 1201-UP

2шт.

41

07049-00608

PLUG

SN: 1201-UP

8шт.

42

154-54-71931

HANDLE

SN: 1201-UP

2шт.

43

01245-01230

SCREW

SN: 1201-UP

4шт.

44

01643-71232

WASHER

SN: 1201-UP

4шт.

45

22L-46-12150

CAP

SN: 1201-UP

6шт.

Выбрано товаров: 0