Запчасти Komatsu D85PX-15E0 КАПОТ (БОКОВ. КРЫШКА LESS)(№-) ЧАСТИ КОРПУСА

Схема запчастей Komatsu D85PX-15E0 - КАПОТ (БОКОВ. КРЫШКА LESS)(№-) ЧАСТИ КОРПУСА
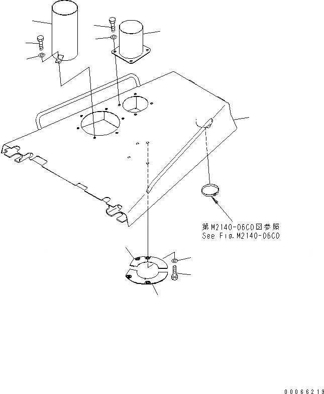
1
2
3
4
5
6
7
8
9
10
11
FIT
1:1
100%

Артикул

Название

Примечание

Количество

1

154-54-79290

HOOD

SN: 1201-UP

1шт.

2

154-54-72191

PIPE

SN: 1201-UP

1шт.

3

195-54-43210

BOLT

SN: 1201-UP

4шт.

4

01643-71232

WASHER

SN: 1214-UP

4шт.

4

198-54-42280

WASHER

SN: 1201-1213

4шт.

5

154-54-72240

COVER

SN: 1201-UP

1шт.

6

154-54-72260

COVER

SN: 1201-UP

1шт.

7

01010-81230

BOLT

SN: 1201-UP

4шт.

8

01643-31232

WASHER

SN: 1201-UP

4шт.

9

154-01-71230

DUCT

SN: 1201-UP

1шт.

10

195-54-43210

BOLT

SN: 1201-UP

2шт.

11

175-54-34170

WASHER

SN: 1201-UP

2шт.

Выбрано товаров: 0