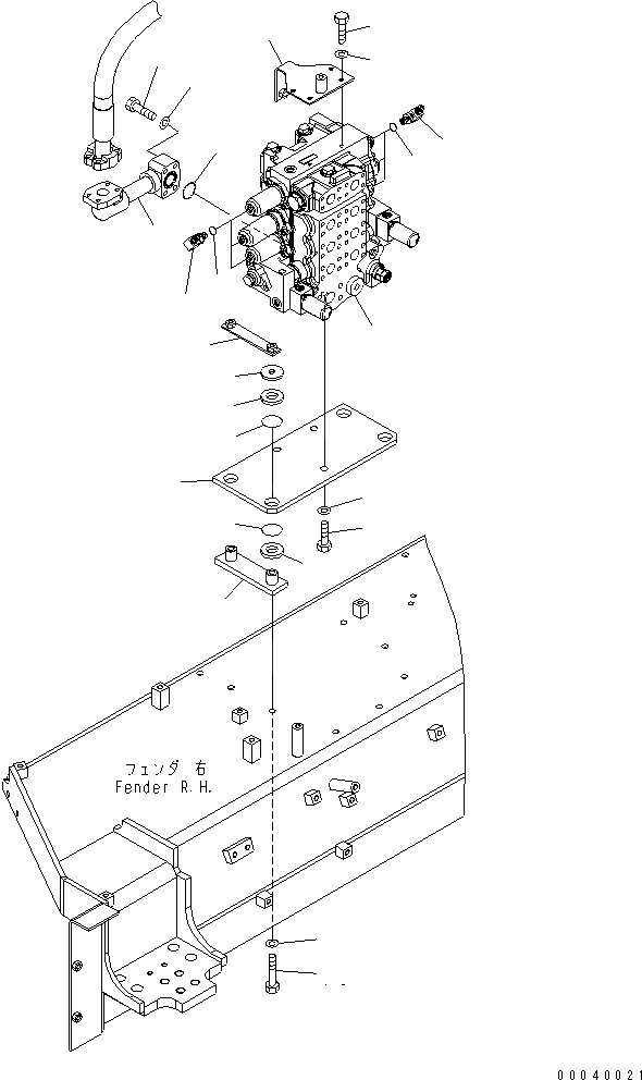
Запчасти Komatsu D85PX-15E0 УПРАВЛЯЮЩ. КЛАПАН (ДЛЯ ЗАДН. НАВЕСН. ОБОРУД)(№-) ЧАСТИ КОРПУСА

Схема запчастей Komatsu D85PX-15E0 - УПРАВЛЯЮЩ. КЛАПАН (ДЛЯ ЗАДН. НАВЕСН. ОБОРУД)(№-) ЧАСТИ КОРПУСА
1
2
3
4
5
6
7
8
9
9
10
10
11
12
13
14
15
15
16
16
17
18
19
20
FIT
1:1
100%

Артикул

Название

Примечание

Количество

1

723-64-22600

CONTROL VALVE

SN: 1201-UP

1шт.

2

154-61-75270

BRACKET

SN: 1205-UP

1шт.

2

154-61-72311

BRACKET

SN: 1201-1204

1шт.

3

01010-80816

BOLT

SN: 1201-UP

2шт.

4

01643-30823

WASHER

SN: 1201-UP

2шт.

5

154-61-75261

TUBE

SN: 1201-UP

1шт.

6

07000-13035

O-RING

SN: 1201-UP

1шт.

7

01010-81060

BOLT

SN: 1201-UP

4шт.

8

01643-31032

WASHER

SN: 1201-UP

4шт.

9

20Y-62-22271

ELBOW

SN: 1201-UP

6шт.

10

07002-11423

O-RING

SN: 1201-UP

6шт.

11

154-60-72240

PLATE

SN: 1201-UP

1шт.

12

01010-81435

BOLT

SN: 1201-UP

3шт.

13

01643-31445

WASHER

SN: 1201-UP

3шт.

14

154-60-72260

BRACKET

SN: 1201-UP

2шт.

15

14X-60-12120

CUSHION

SN: 1201-UP

8шт.

16

07000-13025

O-RING

SN: 1201-UP

8шт.

17

561-74-61750

WASHER

SN: 1201-UP

4шт.

18

01010-81275

BOLT

SN: 1201-UP

4шт.

19

01643-31232

WASHER

SN: 1201-UP

4шт.

20

154-60-72250

BRACKET

SN: 1201-UP

1шт.

Выбрано товаров: 21