Запчасти Komatsu D85PX-15E0 СИЛОВАЯ ПЕРЕДАЧА (ТРУБЫ И КОРПУС)(№-) СИЛОВАЯ ПЕРЕДАЧА И КОНЕЧНАЯ ПЕРЕДАЧА

Схема запчастей Komatsu D85PX-15E0 - СИЛОВАЯ ПЕРЕДАЧА (ТРУБЫ И КОРПУС)(№-) СИЛОВАЯ ПЕРЕДАЧА И КОНЕЧНАЯ ПЕРЕДАЧА
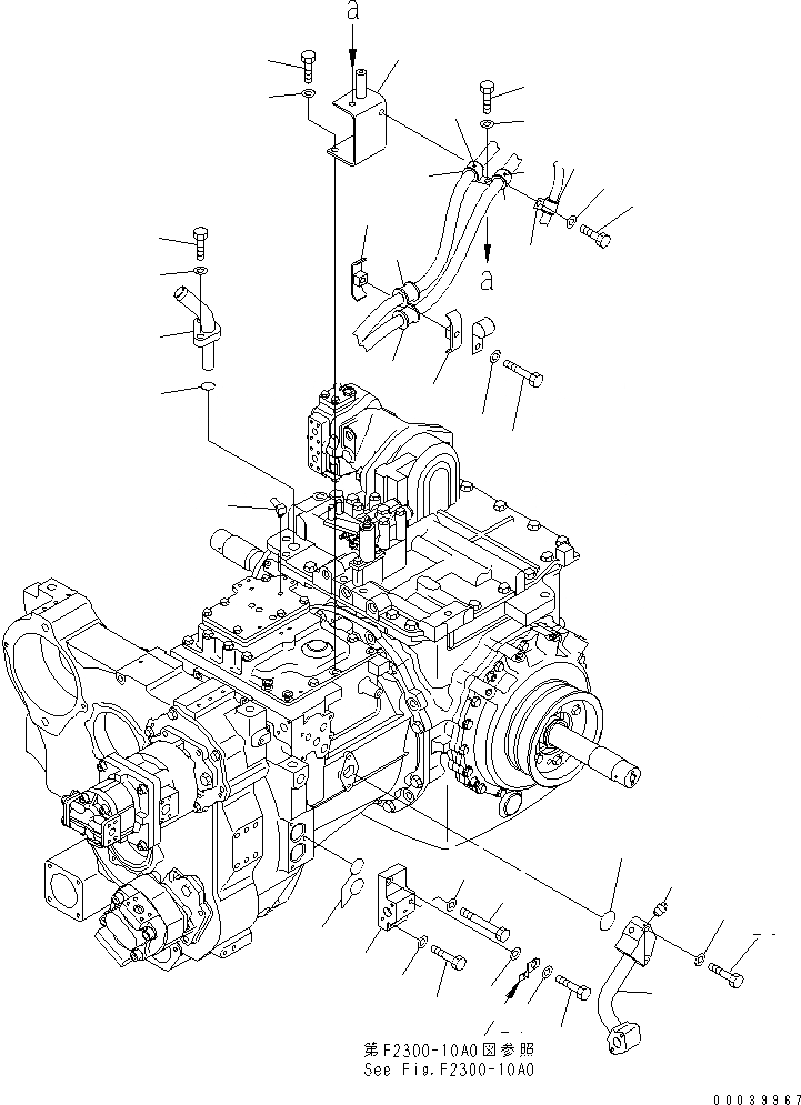
1
2
3
4
4
5
5
6
7
8
8
9
9
10
11
12
13
14
15
16
17
18
19
20
20
21
21
22
23
24
25
26
27
28
29
30
31
32
FIT
1:1
100%

Артикул

Название

Примечание

Количество

|$1

154-22-60000

POWER LINE ASS'Y

SN: 1201-UP

1шт.

|$$2

THIS ASSEMBLY CONSISTS OF ALL PARTS SHOWN IN FIGS.F2300-01A0 TO F2300-10A0.

-1шт.

1

154-49-71761

BRACKET

SN: 1201-UP

1шт.

2

01010-81240

BOLT

SN: 1201-UP

2шт.

3

01643-31232

WASHER

SN: 1201-UP

2шт.

4

07094-30518

CLAMP

SN: 1201-UP

2шт.

5

07095-00524

CUSHION

SN: 1201-UP

2шт.

6

01010-81275

BOLT

SN: 1201-UP

1шт.

7

01643-31232

WASHER

SN: 1201-UP

1шт.

8

04434-53412

CLIP

SN: 1201-UP

2шт.

9

07095-20625

CUSHION

SN: 1201-UP

2шт.

10

01010-81230

BOLT

SN: 1201-UP

1шт.

11

01643-31232

WASHER

SN: 1201-UP

1шт.

12

04434-52512

CLIP

SN: 1201-UP

1шт.

13

07095-20420

CUSHION

SN: 1201-UP

1шт.

14

01010-81230

BOLT

SN: 1201-UP

1шт.

15

01643-31232

WASHER

SN: 1201-UP

1шт.

16

154-49-71860

BLOCK

SN: 1201-UP

1шт.

17

07000-73045

O-RING

SN: 1201-UP

2шт.

18

01010-81075

BOLT

SN: 1201-UP

1шт.

19

01643-31032

WASHER

SN: 1201-UP

1шт.

20

01010-81050

BOLT

SN: 1201-UP

2шт.

21

01643-31032

WASHER

SN: 1201-UP

2шт.

22

01643-31032

WASHER

SN: 1201-UP

1шт.

23

154-49-75191

TUBE

SN: 1201-UP

1шт.

24

07042-30108

PLUG

SN: 1201-UP

1шт.

25

07000-73042

O-RING

SN: 1201-UP

1шт.

26

01010-81265

BOLT

SN: 1201-UP

2шт.

27

01643-31232

WASHER

SN: 1201-UP

2шт.

28

154-22-72131

FILLER

SN: 1201-UP

1шт.

29

07000-73045

O-RING

SN: 1201-UP

1шт.

30

01010-81665

BOLT

SN: 1201-UP

2шт.

31

01643-31645

WASHER

SN: 1201-UP

2шт.

32

154-21-71230

ELBOW

SN: 1201-UP

1шт.

Выбрано товаров: 34