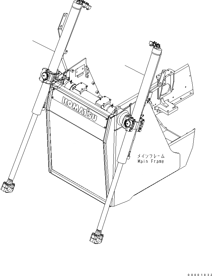
Запчасти Komatsu D85PX-15E0 ЦИЛИНДР ПОДЪЕМА ОТВАЛА(№-) РАБОЧЕЕ ОБОРУДОВАНИЕ

Схема запчастей Komatsu D85PX-15E0 - ЦИЛИНДР ПОДЪЕМА ОТВАЛА(№-) РАБОЧЕЕ ОБОРУДОВАНИЕ
1
2
FIT
1:1
100%

Артикул

Название

Примечание

Количество

1

707-02-X7900

CYLINDER GROUP,L.H.

SN: 11273-UP

1шт.

1

707-02-X7421

CYLINDER GROUP,L.H.

SN: 1201-11272

1шт.

2

707-02-X7910

CYLINDER GROUP,R.H.

SN: 11273-UP

1шт.

2

707-02-X7431

CYLINDER GROUP,R.H.

SN: 1201-11272

1шт.

Выбрано товаров: 4