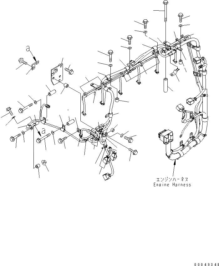
Запчасти Komatsu SAA6D125E-5C-02 ПРОВОДКА (/) (Э/ПРОВОДКА СУППОРТ) (9A СПЕЦ-Я.)(№9-) ДВИГАТЕЛЬ

Схема запчастей Komatsu SAA6D125E-5C-02 - ПРОВОДКА (/) (Э/ПРОВОДКА СУППОРТ) (9A СПЕЦ-Я.)(№9-) ДВИГАТЕЛЬ
1
2
3
4
5
6
7
8
9
9
9
9
10
11
12
12
13
14
15
16
17
18
19
20
21
22
23
24
25
26
26
26
27
27
28
28
29
29
30
30
31
32
33
34
35
36
37
37
38
39
40
41
42
43
43
43
43
43
44
1
2
3
4
5
6
7
8
9
9
9
9
10
11
12
12
13
14
15
16
17
18
19
20
21
22
23
24
25
26
26
26
27
27
28
28
29
29
30
30
31
32
33
34
35
36
37
37
38
39
40
41
42
43
43
43
43
43
44
FIT
1:1
100%

Артикул

Название

Примечание

Количество

1

6631-11-5630

SPACER

SN: 562934-UP

1шт.

2

600-051-2180

CLIP

SN: 566918-UP

1шт.

2

600-051-2140

CLIP

SN: 562934-566917

1шт.

3

01435-01035

BOLT

SN: 562934-UP

1шт.

4

01643-31032

WASHER

SN: 562934-UP

1шт.

5

08193-20010

CLIP

SN: 562934-UP

1шт.

6

600-051-2140

CLIP

SN: 566918-UP

1шт.

6

600-051-2180

CLIP

SN: 562934-566917

1шт.

7

01435-01020

BOLT

SN: 562934-UP

1шт.

8

01643-31032

WASHER

SN: 562934-UP

1шт.

9

600-051-2140

CLIP

SN: 562934-UP

4шт.

10

01435-01020

BOLT

SN: 562934-UP

1шт.

11

01435-01040

BOLT

SN: 562934-UP

3шт.

12

01643-31032

WASHER

SN: 562934-UP

4шт.

13

6631-11-5630

SPACER

SN: 562934-UP

3шт.

14

6251-81-9781

BRACKET

SN: 562934-UP

1шт.

15

01435-01030

BOLT

SN: 562934-UP

2шт.

16

6131-12-5920

SPACER

SN: 562934-UP

1шт.

17

600-051-2180

CLIP

SN: 562934-UP

1шт.

18

01435-01050

BOLT

SN: 562934-UP

1шт.

19

01643-31032

WASHER

SN: 562934-UP

2шт.

20

6251-81-9350

BRACKET

SN: 562934-UP

1шт.

21

6218-81-8490

BAND

SN: 562934-UP

2шт.

22

6251-81-9360

BRACKET

SN: 562934-UP

1шт.

23

6631-11-5630

SPACER

SN: 562934-UP

1шт.

24

01435-01035

BOLT

SN: 562934-UP

1шт.

25

01435-01016

BOLT

SN: 562934-UP

1шт.

26

6218-81-8490

BAND

SN: 562934-UP

4шт.

27

6134-11-5120

SPACER

SN: 562934-UP

2шт.

28

01435-01065

BOLT

SN: 562934-UP

2шт.

29

600-051-2080

CLIP

SN: 562934-UP

2шт.

30

01643-31032

WASHER

SN: 562934-UP

2шт.

31

6631-11-5630

SPACER

SN: 562934-UP

1шт.

32

600-051-2080

CLIP

SN: 562934-UP

1шт.

33

01435-01045

BOLT

SN: 562934-UP

1шт.

34

01643-31032

WASHER

SN: 562934-UP

1шт.

35

01584-01008

NUT

SN: 562934-UP

1шт.

36

6251-81-9640

BRACKET

SN: 562934-UP

1шт.

37

01435-01020

BOLT

SN: 562934-UP

2шт.

38

600-051-2080

CLIP

SN: 562934-UP

1шт.

39

01643-31032

WASHER

SN: 562934-UP

1шт.

40

6251-81-9720

BRACKET

SN: 562934-UP

1шт.

41

6215-71-6190

SPACER

SN: 562934-UP

2шт.

42

01436-01065

BOLT

SN: 562934-UP

2шт.

43

6218-81-8490

BAND

SN: 562934-UP

8шт.

44

6218-81-8490

BAND

SN: 562934-UP

10шт.

1

6631-11-5630

SPACER

SN: 562934-UP

1шт.

2

600-051-2180

CLIP

SN: 566918-UP

1шт.

2

600-051-2140

CLIP

SN: 562934-566917

1шт.

3

01435-01035

BOLT

SN: 562934-UP

1шт.

4

01643-31032

WASHER

SN: 562934-UP

1шт.

5

08193-20010

CLIP

SN: 562934-UP

1шт.

6

600-051-2140

CLIP

SN: 566918-UP

1шт.

6

600-051-2180

CLIP

SN: 562934-566917

1шт.

7

01435-01020

BOLT

SN: 562934-UP

1шт.

8

01643-31032

WASHER

SN: 562934-UP

1шт.

9

600-051-2140

CLIP

SN: 562934-UP

4шт.

10

01435-01020

BOLT

SN: 562934-UP

1шт.

11

01435-01040

BOLT

SN: 562934-UP

3шт.

12

01643-31032

WASHER

SN: 562934-UP

4шт.

13

6631-11-5630

SPACER

SN: 562934-UP

3шт.

14

6251-81-9781

BRACKET

SN: 562934-UP

1шт.

15

01435-01030

BOLT

SN: 562934-UP

2шт.

16

6131-12-5920

SPACER

SN: 562934-UP

1шт.

17

600-051-2180

CLIP

SN: 562934-UP

1шт.

18

01435-01050

BOLT

SN: 562934-UP

1шт.

19

01643-31032

WASHER

SN: 562934-UP

2шт.

20

6251-81-9350

BRACKET

SN: 562934-UP

1шт.

21

6218-81-8490

BAND

SN: 562934-UP

2шт.

22

6251-81-9360

BRACKET

SN: 562934-UP

1шт.

23

6631-11-5630

SPACER

SN: 562934-UP

1шт.

24

01435-01035

BOLT

SN: 562934-UP

1шт.

25

01435-01016

BOLT

SN: 562934-UP

1шт.

26

6218-81-8490

BAND

SN: 562934-UP

4шт.

27

6134-11-5120

SPACER

SN: 562934-UP

2шт.

28

01435-01065

BOLT

SN: 562934-UP

2шт.

29

600-051-2080

CLIP

SN: 562934-UP

2шт.

30

01643-31032

WASHER

SN: 562934-UP

2шт.

31

6631-11-5630

SPACER

SN: 562934-UP

1шт.

32

600-051-2080

CLIP

SN: 562934-UP

1шт.

33

01435-01045

BOLT

SN: 562934-UP

1шт.

34

01643-31032

WASHER

SN: 562934-UP

1шт.

35

01584-01008

NUT

SN: 562934-UP

1шт.

36

6251-81-9640

BRACKET

SN: 562934-UP

1шт.

37

01435-01020

BOLT

SN: 562934-UP

2шт.

38

600-051-2080

CLIP

SN: 562934-UP

1шт.

39

01643-31032

WASHER

SN: 562934-UP

1шт.

40

6251-81-9720

BRACKET

SN: 562934-UP

1шт.

41

6215-71-6190

SPACER

SN: 562934-UP

2шт.

42

01436-01065

BOLT

SN: 562934-UP

2шт.

43

6218-81-8490

BAND

SN: 562934-UP

8шт.

44

6218-81-8490

BAND

SN: 562934-UP

10шт.

Выбрано товаров: 92