Запчасти Komatsu SAA6D125E-5C-02 ПРОВОДКА (/) (Э/ПРОВОДКА ДВИГАТЕЛЯ)(№-) ДВИГАТЕЛЬ

Схема запчастей Komatsu SAA6D125E-5C-02 - ПРОВОДКА (/) (Э/ПРОВОДКА ДВИГАТЕЛЯ)(№-) ДВИГАТЕЛЬ
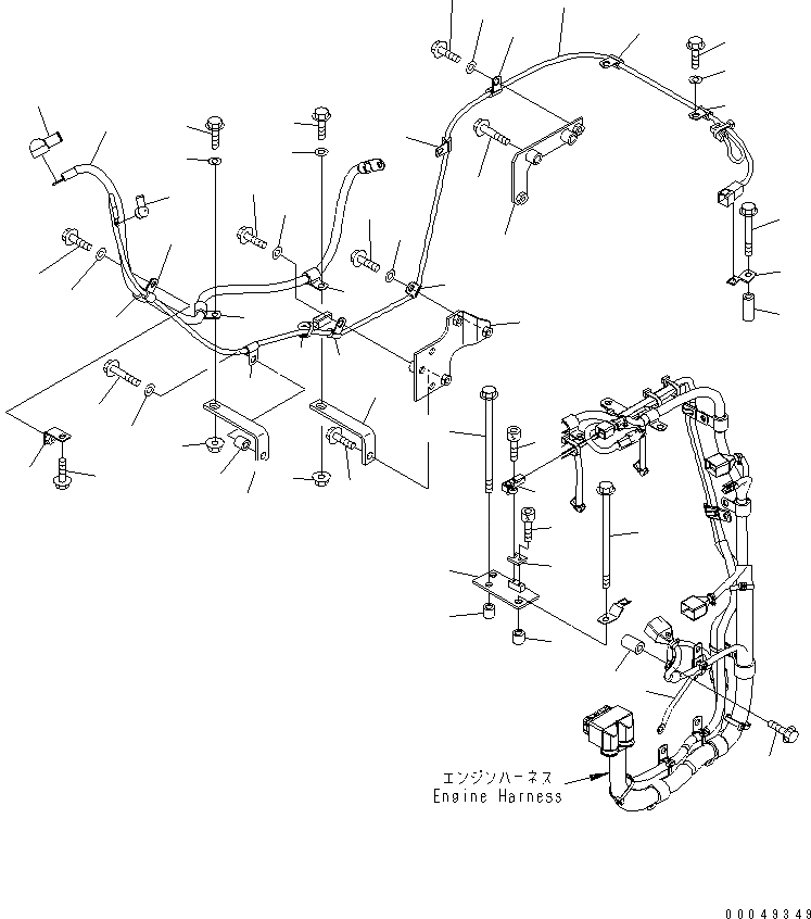
1
2
2
3
3
4
5
6
6
7
8
9
10
11
12
13
14
15
16
17
18
19
20
21
22
23
24
25
26
26
27
28
29
30
31
31
32
32
33
34
35
36
37
38
39
40
41
41
41
42
43
44
45
45
46
47
48
49
1
2
2
3
3
4
5
6
6
7
8
9
10
11
12
13
14
15
16
17
18
19
20
21
22
23
24
25
26
26
27
28
29
30
31
31
32
32
33
34
35
36
37
38
39
40
41
41
41
42
43
44
45
45
46
47
48
49
FIT
1:1
100%

Артикул

Название

Примечание

Количество

1

6251-81-9650

BRACKET

SN: 560016-UP

1шт.

2

6631-11-5630

SPACER

SN: 560016-UP

2шт.

3

01436-01070

BOLT

SN: 560016-UP

2шт.

4

6261-81-2600

SENSOR,AMBIENT TEMPERATURE

SN: 560016-UP

1шт.

5

6251-81-9680

PLATE

SN: 560016-UP

1шт.

6

01252-60516

BOLT

SN: 560016-UP

2шт.

7

6245-81-5820

WIRE

SN: 560016-UP

1шт.

8

6144-11-5630

SPACER

SN: 560016-UP

1шт.

9

01435-01050

BOLT

SN: 560016-UP

1шт.

10

6251-81-9380

WIRING HARNESS

SN: 560016-UP

1шт.

11

6251-81-9490

WIRE

SN: 560016-UP

1шт.

12

08038-10519

CAP

SN: 560016-UP

1шт.

13

08038-12027

CAP

SN: 560016-UP

1шт.

14

600-051-2060

CLIP

SN: 560016-UP

1шт.

15

600-051-2140

CLIP

SN: 560016-UP

1шт.

16

01435-01020

BOLT

SN: 560016-UP

1шт.

17

01643-31032

WASHER

SN: 560016-UP

1шт.

18

6151-11-8920

STAY

SN: 560016-UP

1шт.

19

01435-01025

BOLT

SN: 566918-UP

1шт.

19

01435-01020

BOLT

SN: 560016-566917

1шт.

20

600-051-2060

CLIP

SN: 560016-UP

1шт.

21

600-051-2140

CLIP

SN: 560016-UP

1шт.

22

6212-21-5480

BRACKET

SN: 560016-UP

1шт.

23

6631-11-5630

SPACER

SN: 560016-UP

1шт.

24

01435-01025

BOLT

SN: 560016-UP

1шт.

25

01435-01045

BOLT

SN: 560016-UP

1шт.

26

01643-31032

WASHER

SN: 560016-UP

2шт.

27

01584-01008

NUT

SN: 560016-UP

1шт.

28

6251-81-9850

BRACKET

SN: 560016-UP

1шт.

29

6218-81-8490

BAND

SN: 560016-UP

1шт.

30

600-051-2080

CLIP

SN: 560016-UP

2шт.

31

01435-01020

BOLT

SN: 560016-UP

2шт.

32

01643-31032

WASHER

SN: 560016-UP

2шт.

33

600-051-2140

CLIP

SN: 560016-UP

1шт.

34

6212-21-5480

BRACKET

SN: 560016-UP

1шт.

35

01435-01020

BOLT

SN: 560016-UP

1шт.

36

01435-01025

BOLT

SN: 560016-UP

1шт.

37

01643-31032

WASHER

SN: 560016-UP

1шт.

38

01584-01008

NUT

SN: 560016-UP

1шт.

39

6251-81-9860

BRACKET

SN: 560016-UP

1шт.

40

01435-01050

BOLT

SN: 560016-UP

2шт.

41

600-051-2080

CLIP

SN: 560016-UP

2шт.

42

01435-01020

BOLT

SN: 560016-UP

2шт.

43

01643-31032

WASHER

SN: 560016-UP

2шт.

44

01435-01030

BOLT

SN: 560016-UP

2шт.

45

600-051-2080

CLIP

SN: 560016-UP

2шт.

46

01643-31032

WASHER

SN: 560016-UP

2шт.

47

08193-20010

CLIP

SN: 560016-UP

1шт.

48

6134-11-5120

SPACER

SN: 560016-UP

1шт.

49

01435-01065

BOLT

SN: 560016-UP

1шт.

1

6251-81-9650

BRACKET

SN: 560016-UP

1шт.

2

6631-11-5630

SPACER

SN: 560016-UP

2шт.

3

01436-01070

BOLT

SN: 560016-UP

2шт.

4

6261-81-2600

SENSOR,AMBIENT TEMPERATURE

SN: 560016-UP

1шт.

5

6251-81-9680

PLATE

SN: 560016-UP

1шт.

6

01252-60516

BOLT

SN: 560016-UP

2шт.

7

6245-81-5820

WIRE

SN: 560016-UP

1шт.

8

6144-11-5630

SPACER

SN: 560016-UP

1шт.

9

01435-01050

BOLT

SN: 560016-UP

1шт.

10

6251-81-9380

WIRING HARNESS

SN: 560016-UP

1шт.

11

6251-81-9490

WIRE

SN: 560016-UP

1шт.

12

08038-10519

CAP

SN: 560016-UP

1шт.

13

08038-12027

CAP

SN: 560016-UP

1шт.

14

600-051-2060

CLIP

SN: 560016-UP

1шт.

15

600-051-2140

CLIP

SN: 560016-UP

1шт.

16

01435-01020

BOLT

SN: 560016-UP

1шт.

17

01643-31032

WASHER

SN: 560016-UP

1шт.

18

6151-11-8920

STAY

SN: 560016-UP

1шт.

19

01435-01025

BOLT

SN: 566918-UP

1шт.

19

01435-01020

BOLT

SN: 560016-566917

1шт.

20

600-051-2060

CLIP

SN: 560016-UP

1шт.

21

600-051-2140

CLIP

SN: 560016-UP

1шт.

22

6212-21-5480

BRACKET

SN: 560016-UP

1шт.

23

6631-11-5630

SPACER

SN: 560016-UP

1шт.

24

01435-01025

BOLT

SN: 560016-UP

1шт.

25

01435-01045

BOLT

SN: 560016-UP

1шт.

26

01643-31032

WASHER

SN: 560016-UP

2шт.

27

01584-01008

NUT

SN: 560016-UP

1шт.

28

6251-81-9850

BRACKET

SN: 560016-UP

1шт.

29

6218-81-8490

BAND

SN: 560016-UP

1шт.

30

600-051-2080

CLIP

SN: 560016-UP

2шт.

31

01435-01020

BOLT

SN: 560016-UP

2шт.

32

01643-31032

WASHER

SN: 560016-UP

2шт.

33

600-051-2140

CLIP

SN: 560016-UP

1шт.

34

6212-21-5480

BRACKET

SN: 560016-UP

1шт.

35

01435-01020

BOLT

SN: 560016-UP

1шт.

36

01435-01025

BOLT

SN: 560016-UP

1шт.

37

01643-31032

WASHER

SN: 560016-UP

1шт.

38

01584-01008

NUT

SN: 560016-UP

1шт.

39

6251-81-9860

BRACKET

SN: 560016-UP

1шт.

40

01435-01050

BOLT

SN: 560016-UP

2шт.

41

600-051-2080

CLIP

SN: 560016-UP

2шт.

42

01435-01020

BOLT

SN: 560016-UP

2шт.

43

01643-31032

WASHER

SN: 560016-UP

2шт.

44

01435-01030

BOLT

SN: 560016-UP

2шт.

45

600-051-2080

CLIP

SN: 560016-UP

2шт.

46

01643-31032

WASHER

SN: 560016-UP

2шт.

47

08193-20010

CLIP

SN: 560016-UP

1шт.

48

6134-11-5120

SPACER

SN: 560016-UP

1шт.

49

01435-01065

BOLT

SN: 560016-UP

1шт.

Выбрано товаров: 100