Запчасти Komatsu SAA6D125E-5C-02 ТЕРМОЗАЩИТА(№-) ДВИГАТЕЛЬ

Схема запчастей Komatsu SAA6D125E-5C-02 - ТЕРМОЗАЩИТА(№-) ДВИГАТЕЛЬ
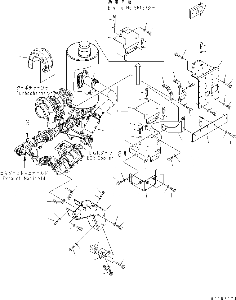
1
2
3
4
5
6
7
8
9
10
10
11
11
11
11
12
13
14
15
16
17
18
19
20
21
22
23
24
25
26
27
28
28
29
29
30
30
31
31
32
32
32
32
32
33
33
33
34
34
35
36
37
38
39
40
41
42
42
42
42
42
43
43
44
45
45
46
1
2
3
4
5
6
7
8
9
10
10
11
11
11
11
12
13
14
15
16
17
18
19
20
21
22
23
24
25
26
27
28
28
29
29
30
30
31
31
32
32
32
32
32
33
33
33
34
34
35
36
37
38
39
40
41
42
42
42
42
42
43
43
44
45
45
46
FIT
1:1
100%

Артикул

Название

Примечание

Количество

1

6251-11-6110

COVER,EGR, PIPING

SN: 560016-UP

1шт.

2

6251-11-6380

BRACKET

SN: 560016-UP

1шт.

3

6152-51-5520

SPACER

SN: 560016-UP

2шт.

4

01435-01075

BOLT

SN: 560016-UP

2шт.

5

6934-71-5860

BRACKET

SN: 560016-UP

1шт.

6

01435-01025

BOLT

SN: 560016-UP

1шт.

7

6251-11-6480

BRACKET

SN: 560016-UP

1шт.

8

01010-E1025

BOLT

SN: 560016-UP

1шт.

9

01010-E1025

BOLT

SN: 560016-UP

2шт.

10

01010-E1030

BOLT

SN: 560016-UP

4шт.

11

01643-31032

WASHER

SN: 560016-UP

7шт.

12

6251-11-6570

BRACKET

SN: 560016-UP

1шт.

13

01010-E1025

BOLT

SN: 560016-UP

1шт.

14

01643-31032

WASHER

SN: 560016-UP

1шт.

15

6251-11-6611

COVER,EGR, PIPING

SN: 560016-UP

1шт.

16

6251-11-6620

COVER,EGR, PIPING

SN: 560016-UP

1шт.

17

6251-11-6640

COVER,EGR, PIPING

SN: 560016-UP

1шт.

18

6251-11-6531

BRACKET

SN: 560016-UP

1шт.

19

01643-31032

WASHER

SN: 560016-UP

2шт.

20

01010-E1065

BOLT

SN: 560016-UP

2шт.

21

6251-11-6541

BRACKET

SN: 560016-UP

1шт.

22

6251-11-6510

BRACKET

SN: 560016-UP

1шт.

23

6631-11-5630

SPACER

SN: 560016-561572

4шт.

24

01010-E1040

BOLT

SN: 560016-561572

4шт.

25

01643-31032

WASHER

SN: 560016-UP

2шт.

26

01010-E1030

BOLT

SN: 560016-UP

2шт.

27

6251-11-6520

COVER,SHIELD

SN: 560016-UP

1шт.

28

01643-31032

WASHER

SN: 560016-UP

6шт.

29

01010-E1025

BOLT

SN: 560016-UP

6шт.

30

6251-11-6732

COVER,SHIELD

SN: 561573-UP

1шт.

30

6251-11-6731

COVER,SHIELD

SN: 560016-561572

1шт.

31

6134-11-5120

SPACER

SN: 561573-UP

3шт.

31

6144-11-5630

SPACER

SN: 560016-561572

4шт.

32

01643-31032

WASHER

SN: 560016-UP

6шт.

33

01010-E1016

BOLT

SN: 561573-UP

3шт.

33

01010-E1016

BOLT

SN: 560016-561572

2шт.

34

01010-E1070

BOLT

SN: 561573-UP

3шт.

34

01010-E1050

BOLT

SN: 560016-561572

4шт.

35

6251-11-6740

BRACKET

SN: 560016-UP

1шт.

36

01643-31032

WASHER

SN: 560016-UP

2шт.

37

01010-E1035

BOLT

SN: 560016-UP

2шт.

38

6251-11-6751

BRACKET

SN: 560016-UP

1шт.

39

01643-31032

WASHER

SN: 560016-UP

2шт.

40

01010-E1025

BOLT

SN: 560016-UP

2шт.

41

6251-11-8630

COVER,SHIELD

SN: 560016-UP

1шт.

42

01643-31032

WASHER

SN: 560016-UP

8шт.

43

01010-E1020

BOLT

SN: 560016-UP

1шт.

44

01010-E1025

BOLT

SN: 560016-UP

4шт.

45

01010-E1030

BOLT

SN: 560016-UP

3шт.

46

6155-11-5411

COVER,TURBOCHARGER

SN: 560016-UP

1шт.

1

6251-11-6110

COVER,EGR, PIPING

SN: 560016-UP

1шт.

2

6251-11-6380

BRACKET

SN: 560016-UP

1шт.

3

6152-51-5520

SPACER

SN: 560016-UP

2шт.

4

01435-01075

BOLT

SN: 560016-UP

2шт.

5

6934-71-5860

BRACKET

SN: 560016-UP

1шт.

6

01435-01025

BOLT

SN: 560016-UP

1шт.

7

6251-11-6480

BRACKET

SN: 560016-UP

1шт.

8

01010-E1025

BOLT

SN: 560016-UP

1шт.

9

01010-E1025

BOLT

SN: 560016-UP

2шт.

10

01010-E1030

BOLT

SN: 560016-UP

4шт.

11

01643-31032

WASHER

SN: 560016-UP

7шт.

12

6251-11-6570

BRACKET

SN: 560016-UP

1шт.

13

01010-E1025

BOLT

SN: 560016-UP

1шт.

14

01643-31032

WASHER

SN: 560016-UP

1шт.

15

6251-11-6611

COVER,EGR, PIPING

SN: 560016-UP

1шт.

16

6251-11-6620

COVER,EGR, PIPING

SN: 560016-UP

1шт.

17

6251-11-6640

COVER,EGR, PIPING

SN: 560016-UP

1шт.

18

6251-11-6531

BRACKET

SN: 560016-UP

1шт.

19

01643-31032

WASHER

SN: 560016-UP

2шт.

20

01010-E1065

BOLT

SN: 560016-UP

2шт.

21

6251-11-6541

BRACKET

SN: 560016-UP

1шт.

22

6251-11-6510

BRACKET

SN: 560016-UP

1шт.

23

6631-11-5630

SPACER

SN: 560016-561572

4шт.

24

01010-E1040

BOLT

SN: 560016-561572

4шт.

25

01643-31032

WASHER

SN: 560016-UP

2шт.

26

01010-E1030

BOLT

SN: 560016-UP

2шт.

27

6251-11-6520

COVER,SHIELD

SN: 560016-UP

1шт.

28

01643-31032

WASHER

SN: 560016-UP

6шт.

29

01010-E1025

BOLT

SN: 560016-UP

6шт.

30

6251-11-6732

COVER,SHIELD

SN: 561573-UP

1шт.

30

6251-11-6731

COVER,SHIELD

SN: 560016-561572

1шт.

31

6134-11-5120

SPACER

SN: 561573-UP

3шт.

31

6144-11-5630

SPACER

SN: 560016-561572

4шт.

32

01643-31032

WASHER

SN: 560016-UP

6шт.

33

01010-E1016

BOLT

SN: 561573-UP

3шт.

33

01010-E1016

BOLT

SN: 560016-561572

2шт.

34

01010-E1070

BOLT

SN: 561573-UP

3шт.

34

01010-E1050

BOLT

SN: 560016-561572

4шт.

35

6251-11-6740

BRACKET

SN: 560016-UP

1шт.

36

01643-31032

WASHER

SN: 560016-UP

2шт.

37

01010-E1035

BOLT

SN: 560016-UP

2шт.

38

6251-11-6751

BRACKET

SN: 560016-UP

1шт.

39

01643-31032

WASHER

SN: 560016-UP

2шт.

40

01010-E1025

BOLT

SN: 560016-UP

2шт.

41

6251-11-8630

COVER,SHIELD

SN: 560016-UP

1шт.

42

01643-31032

WASHER

SN: 560016-UP

8шт.

43

01010-E1020

BOLT

SN: 560016-UP

1шт.

44

01010-E1025

BOLT

SN: 560016-UP

4шт.

45

01010-E1030

BOLT

SN: 560016-UP

3шт.

46

6155-11-5411

COVER,TURBOCHARGER

SN: 560016-UP

1шт.

Выбрано товаров: 100