Запчасти Komatsu SAA6D125E-5CR-W МАСЛ. ФИЛЬТР И ТРУБЫ (ЗАПЫЛЕНН СПЕЦ-Я.) ДВИГАТЕЛЬ

Схема запчастей Komatsu SAA6D125E-5CR-W - МАСЛ. ФИЛЬТР И ТРУБЫ (ЗАПЫЛЕНН СПЕЦ-Я.) ДВИГАТЕЛЬ
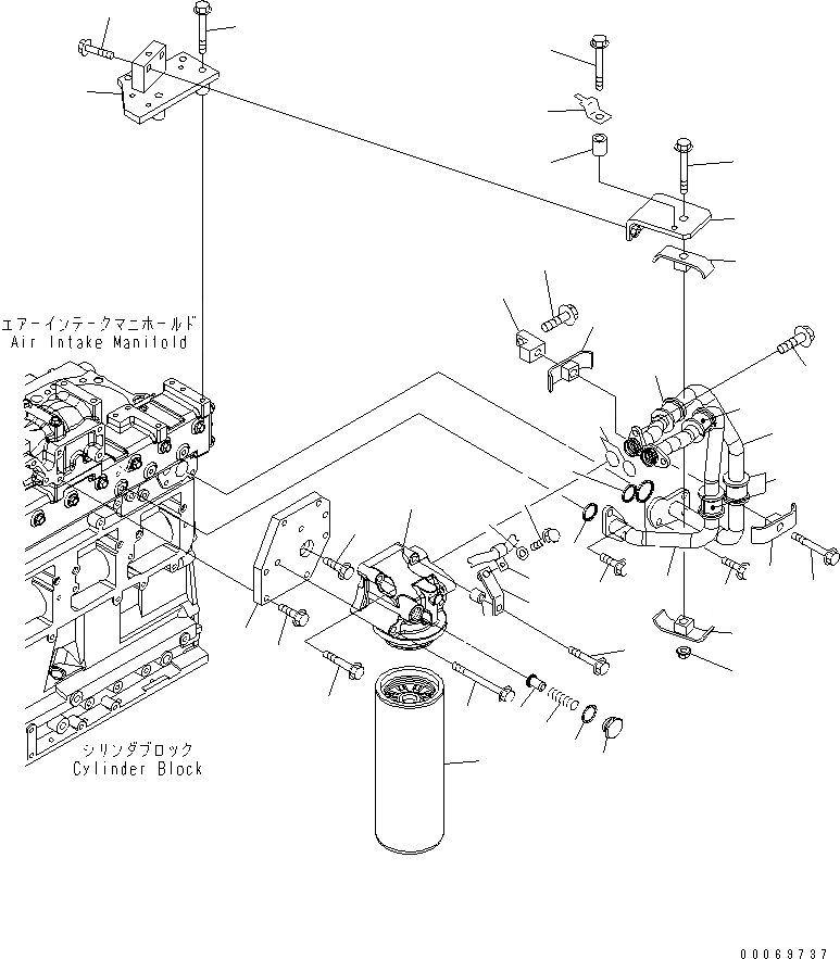
1
2
3
4
5
6
7
8
9
10
11
12
13
14
15
16
17
18
19
20
20
21
22
23
23
24
25
26
27
28
29
29
29
30
30
30
30
31
32
33
34
35
36
37
38
1
2
3
4
5
6
7
8
9
10
11
12
13
14
15
16
17
18
19
20
20
21
22
23
23
24
25
26
27
28
29
29
29
30
30
30
30
31
32
33
34
35
36
37
38
FIT
1:1
100%

Артикул

Название

Примечание

Количество

|$2

6217-51-5102

HEAD ASS'Y,OIL FILTER

SN: 660001-UP

1шт.

1

6217-51-5111

HEAD

SN: 660001-UP

1шт.

2

600-211-1890

SPRING

SN: 660001-UP

1шт.

3

6162-55-5230

VALVE

SN: 660001-UP

1шт.

4

6162-53-5430

PACKING

SN: 660001-UP

1шт.

5

6217-51-5660

CAP

SN: 660001-UP

1шт.

6

600-211-1340

CARTRIDGE,OIL

SN: 660001-UP

1шт.

7

01435-01060

BOLT

SN: 660001-UP

1шт.

8

01436-01010

BOLT

SN: 660001-UP

2шт.

9

6251-51-5250

PLATE

SN: 660001-UP

1шт.

10

01435-01025

BOLT

SN: 660001-UP

1шт.

11

01435-01035

BOLT

SN: 660001-UP

3шт.

12

6631-11-5630

SPACER

SN: 660001-UP

1шт.

13

6251-81-9640

BRACKET

SN: 660001-UP

1шт.

14

01435-01080

BOLT

SN: 660001-UP

1шт.

15

600-051-2100

CLIP

SN: 660001-UP

1шт.

16

01435-01025

BOLT

SN: 660001-UP

1шт.

17

01643-31032

WASHER

SN: 660001-UP

1шт.

18

6251-51-5870

TUBE,INLET

SN: 660001-UP

1шт.

19

6251-51-5880

TUBE,RETURN

SN: 660001-UP

1шт.

20

6124-61-2181

GROMMET

SN: 660001-UP

2шт.

21

6154-51-5810

GROMMET

SN: 660001-UP

1шт.

22

07000-73025

O-RING

SN: 660001-UP

2шт.

23

01435-01025

BOLT

SN: 660001-UP

5шт.

24

01435-01025

BOLT

SN: 660001-UP

2шт.

25

6251-51-5310

BRACKET

SN: 660001-UP

1шт.

26

01435-01060

BOLT

SN: 660001-UP

2шт.

27

6251-51-5390

BRACKET

SN: 660001-UP

1шт.

28

01435-01045

BOLT

SN: 660001-UP

2шт.

29

6251-51-5180

CUSHION

SN: 660001-UP

4шт.

30

07094-30518

CLAMP

SN: 660001-UP

4шт.

31

01435-01270

BOLT

SN: 660001-UP

1шт.

32

01584-01210

NUT

SN: 660001-UP

1шт.

33

6251-51-5330

BRACKET

SN: 660001-UP

1шт.

34

01435-01040

BOLT

SN: 660001-UP

1шт.

35

01435-01260

BOLT

SN: 660001-UP

1шт.

36

08193-20010

CLIP

SN: 660001-UP

1шт.

37

6631-11-5630

SPACER

SN: 660001-UP

1шт.

38

01435-01040

BOLT

SN: 660001-UP

1шт.

|$2

6217-51-5102

HEAD ASS'Y,OIL FILTER

SN: 660001-UP

1шт.

1

6217-51-5111

HEAD

SN: 660001-UP

1шт.

2

600-211-1890

SPRING

SN: 660001-UP

1шт.

3

6162-55-5230

VALVE

SN: 660001-UP

1шт.

4

6162-53-5430

PACKING

SN: 660001-UP

1шт.

5

6217-51-5660

CAP

SN: 660001-UP

1шт.

6

600-211-1340

CARTRIDGE,OIL

SN: 660001-UP

1шт.

7

01435-01060

BOLT

SN: 660001-UP

1шт.

8

01436-01010

BOLT

SN: 660001-UP

2шт.

9

6251-51-5250

PLATE

SN: 660001-UP

1шт.

10

01435-01025

BOLT

SN: 660001-UP

1шт.

11

01435-01035

BOLT

SN: 660001-UP

3шт.

12

6631-11-5630

SPACER

SN: 660001-UP

1шт.

13

6251-81-9640

BRACKET

SN: 660001-UP

1шт.

14

01435-01080

BOLT

SN: 660001-UP

1шт.

15

600-051-2100

CLIP

SN: 660001-UP

1шт.

16

01435-01025

BOLT

SN: 660001-UP

1шт.

17

01643-31032

WASHER

SN: 660001-UP

1шт.

18

6251-51-5870

TUBE,INLET

SN: 660001-UP

1шт.

19

6251-51-5880

TUBE,RETURN

SN: 660001-UP

1шт.

20

6124-61-2181

GROMMET

SN: 660001-UP

2шт.

21

6154-51-5810

GROMMET

SN: 660001-UP

1шт.

22

07000-73025

O-RING

SN: 660001-UP

2шт.

23

01435-01025

BOLT

SN: 660001-UP

5шт.

24

01435-01025

BOLT

SN: 660001-UP

2шт.

25

6251-51-5310

BRACKET

SN: 660001-UP

1шт.

26

01435-01060

BOLT

SN: 660001-UP

2шт.

27

6251-51-5390

BRACKET

SN: 660001-UP

1шт.

28

01435-01045

BOLT

SN: 660001-UP

2шт.

29

6251-51-5180

CUSHION

SN: 660001-UP

4шт.

30

07094-30518

CLAMP

SN: 660001-UP

4шт.

31

01435-01270

BOLT

SN: 660001-UP

1шт.

32

01584-01210

NUT

SN: 660001-UP

1шт.

33

6251-51-5330

BRACKET

SN: 660001-UP

1шт.

34

01435-01040

BOLT

SN: 660001-UP

1шт.

35

01435-01260

BOLT

SN: 660001-UP

1шт.

36

08193-20010

CLIP

SN: 660001-UP

1шт.

37

6631-11-5630

SPACER

SN: 660001-UP

1шт.

38

01435-01040

BOLT

SN: 660001-UP

1шт.

Выбрано товаров: 78