Запчасти Komatsu SAA6D125E-5CR-W АНТИКОРРОЗ. ЭЛЕМЕНТ (БЕЗ RESISTOR СПЕЦ-Я.)(№9-) ДВИГАТЕЛЬ

Схема запчастей Komatsu SAA6D125E-5CR-W - АНТИКОРРОЗ. ЭЛЕМЕНТ (БЕЗ RESISTOR СПЕЦ-Я.)(№9-) ДВИГАТЕЛЬ
1
2
3
4
5
1
2
3
4
5
FIT
1:1
100%

Артикул

Название

Примечание

Количество

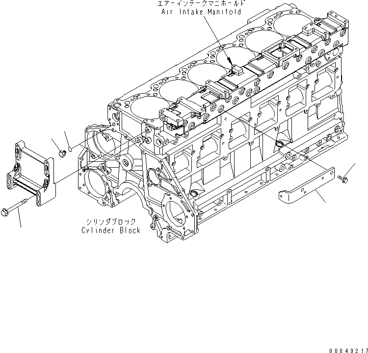
1

6251-61-8430

BRACKET

SN: 660092-UP

1шт.

2

01435-01030

BOLT

SN: 660092-UP

2шт.

3

6110-53-5910

PLUG

SN: 660092-UP

2шт.

4

07005-01412

GASKET

SN: 660092-UP

2шт.

5

01436-01000

BOLT

SN: 660092-UP

1шт.

1

6251-61-8430

BRACKET

SN: 660092-UP

1шт.

2

01435-01030

BOLT

SN: 660092-UP

2шт.

3

6110-53-5910

PLUG

SN: 660092-UP

2шт.

4

07005-01412

GASKET

SN: 660092-UP

2шт.

5

01436-01000

BOLT

SN: 660092-UP

1шт.

Выбрано товаров: 10