Запчасти Komatsu D85PX-15R ЭЛЕКТРИЧ. ПРОВОДКА, КРЫЛО (/) (№-) ЭЛЕКТРИЧ. ПРОВОДКА, С ПОДДОН ДВИГ-ЛЯ И ПОДОГРЕВАТЕЛЬ ХЛАДАГЕНТА

Схема запчастей Komatsu D85PX-15R - ЭЛЕКТРИЧ. ПРОВОДКА, КРЫЛО (/) (№-) ЭЛЕКТРИЧ. ПРОВОДКА, С ПОДДОН ДВИГ-ЛЯ И ПОДОГРЕВАТЕЛЬ ХЛАДАГЕНТА
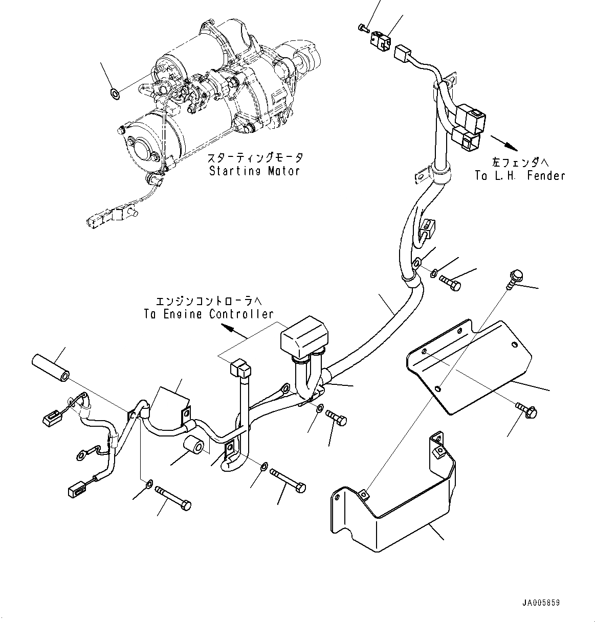
19
1
2
3
4
5
6
7
8
9
10
11
12
13
14
15
16
17
18
18
21
20
FIT
1:1
100%

Артикул

Название

Примечание

Количество

1

154-06-74193

Wiring Harness

SN: 20013-UP

1шт.

|$1

21J-06-13661

Diode

SN: 20013-UP

1шт.

2

600-051-2190

Clip

SN: 20013-UP

1шт.

3

01010-81020

Bolt

SN: 20013-UP

1шт.

4

01643-31032

Washer

SN: 20013-UP

1шт.

5

600-051-2190

Clip

SN: 20013-UP

1шт.

6

600-051-2100

Clip

SN: 20013-UP

1шт.

7

195-33-11220

Spacer

SN: 20013-UP

1шт.

8

01010-81090

Bolt

SN: 20013-UP

1шт.

9

01643-31032

Washer

SN: 20013-UP

1шт.

10

01010-81020

Bolt

SN: 20013-UP

1шт.

11

01643-31032

Washer

SN: 20013-UP

1шт.

12

600-051-2100

Clip

SN: 20013-UP

2шт.

13

6215-51-5970

Spacer

SN: 20013-UP

2шт.

14

01010-81090

Bolt

SN: 20013-UP

2шт.

15

01643-31032

Washer

SN: 20013-UP

2шт.

16

154-01-72121

Cover

SN: 20013-UP

1шт.

17

154-01-72180

Cover

SN: 20013-UP

1шт.

18

01435-00820

Bolt

SN: 20013-UP

4шт.

19

01643-31032

Washer

SN: 20013-UP

1шт.

20

08192-22100

Connector Body

SN: 20013-UP

1шт.

21

08191-00770

Plug, Connector

SN: 20013-UP

2шт.

Выбрано товаров: 22