Запчасти Komatsu D85PX-15R СИЛОВАЯ ПЕРЕДАЧА, КОРПУС (№-) СИЛОВАЯ ПЕРЕДАЧА, БЕЗ ДВИГАТЕЛЬ С ПОДОГРЕВАТЕЛЬ ХЛАДАГЕНТА

Схема запчастей Komatsu D85PX-15R - СИЛОВАЯ ПЕРЕДАЧА, КОРПУС (№-) СИЛОВАЯ ПЕРЕДАЧА, БЕЗ ДВИГАТЕЛЬ С ПОДОГРЕВАТЕЛЬ ХЛАДАГЕНТА
18
16
15
14
13
12
11
10
9
8
7
5
4
3
2
16
16
1
4
5
16
15
17
18
19
20
21
22
23
13
13
14
17
18
18
16
15
6
6
24
FIT
1:1
100%

Артикул

Название

Примечание

Количество

|$0

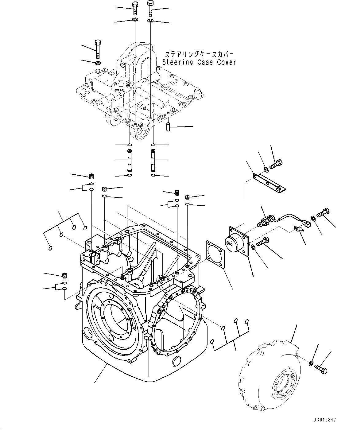
154-22-60000

Power Train Assembly

SN: 20003-UP

1шт.

|$1

154-22-61001

Steering Assembly

SN: 20003-UP

1шт.

1

154-22-25112

Case

SN: (00102259-UP

1шт.

1

154-22-25111

Case

SN: 20003-(00102258

1шт.

2

154-22-25160

Cover

SN: 20003-UP

1шт.

3

154-22-25170

Gasket

SN: 20003-UP

1шт.

4

01010-81230

Bolt

SN: 20003-UP

4шт.

5

01643-31232

Washer

SN: 20003-UP

4шт.

6

07000-73022

O-ring

SN: 20003-UP

8шт.

7

01010-81255

Bolt

SN: 20003-UP

32шт.

8

01643-31232

Washer

SN: 20003-UP

32шт.

9

04020-01434

Pin, Dowel

SN: 20003-UP

2шт.

10

01010-61645

Bolt

SN: 20003-UP

15шт.

11

01010-61670

Bolt

SN: 20003-UP

3шт.

12

01011-61615

Bolt

SN: 20003-UP

1шт.

13

01643-31645

Washer

SN: 20003-UP

19шт.

14

134-22-66140

Sleeve

SN: 20003-UP

4шт.

15

14X-22-16170

Sleeve

SN: 20003-UP

5шт.

16

07000-72018

O-ring

SN: 20003-UP

14шт.

17

14Y-22-26180

Tube

SN: 20003-UP

2шт.

18

07000-72018

O-ring

SN: 20003-UP

4шт.

19

7861-93-2330

Sensor, Magnetic Pick-Up,Engine Speed

SN: 20003-UP

1шт.

20

08193-20012

Clip

SN: 20003-UP

1шт.

21

01010-81220

Bolt

SN: 20003-UP

1шт.

22

01643-31232

Washer

SN: 20003-UP

1шт.

23

154-22-25190

Bracket

SN: 20003-UP

1шт.

24

14Y-22-55120

Cover

SN: UP

-1шт.

Выбрано товаров: 27