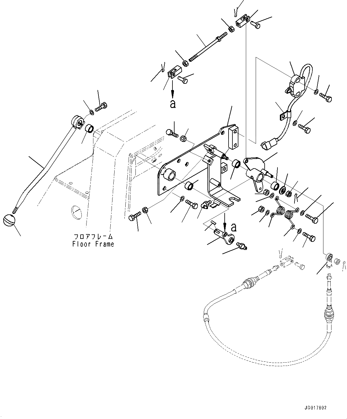
Запчасти Komatsu D85PX-15R ОСНОВН. КОНСТРУКЦИЯ, РЫЧАГ СТОЯНОЧНОГО ТОРМОЗА (№-) ОСНОВН. КОНСТРУКЦИЯ, БЕЗ МНОГОСТОЕЧН. РЫХЛИТ.

Схема запчастей Komatsu D85PX-15R - ОСНОВН. КОНСТРУКЦИЯ, РЫЧАГ СТОЯНОЧНОГО ТОРМОЗА (№-) ОСНОВН. КОНСТРУКЦИЯ, БЕЗ МНОГОСТОЕЧН. РЫХЛИТ.
20
1
11
2
14
3
32
4
33
4
16
2
5
13
12
15
16
17
18
19
21
22
23
27
28
29
30
31
15
32
33
34
35
36
37
38
39
40
41
42
24
25
26
7
6
9
10
8
43
FIT
1:1
100%

Артикул

Название

Примечание

Количество

1

154-43-76120

Bracket

SN: 20003-UP

1шт.

2

06123-01614

Bearing

SN: 20003-UP

2шт.

3

154-43-72321

Bracket

SN: 20003-UP

1шт.

4

06123-01614

Bearing

SN: 20003-UP

2шт.

5

09463-00002

Spring

SN: 20003-UP

1шт.

6

09463-00006

Spring

SN: 20003-UP

1шт.

7

01640-20610

Washer

SN: 20003-UP

1шт.

8

01010-80630

Bolt

SN: 20003-UP

1шт.

9

01643-30623

Washer

SN: 20003-UP

1шт.

10

01580-10605

Nut

SN: 20003-UP

1шт.

11

01010-80630

Bolt

SN: 20003-UP

1шт.

12

01643-30623

Washer

SN: 20003-UP

1шт.

13

01580-10605

Nut

SN: 20003-UP

1шт.

14

01640-20610

Washer

SN: 20003-UP

1шт.

15

01016-80830

Bolt

SN: 20003-UP

2шт.

16

01580-10806

Nut

SN: 20003-UP

2шт.

17

281-40-13570

Washer

SN: 20003-UP

1шт.

18

01590-30809

Nut

SN: 20003-UP

1шт.

19

04050-12015

Pin, Cotter

SN: 20003-UP

1шт.

20

07020-00900

Fitting, Grease

SN: 20003-UP

1шт.

21

198-06-56540

Switch

SN: 20003-UP

1шт.

22

01010-81035

Bolt

SN: 20003-UP

2шт.

23

01643-31032

Washer

SN: 20003-UP

2шт.

24

04434-51010

Clip

SN: 20003-UP

1шт.

25

01010-81020

Bolt

SN: 20003-UP

1шт.

26

01643-31032

Washer

SN: 20003-UP

1шт.

27

04210-20832

Yoke

SN: 20003-UP

1шт.

28

01580-10806

Nut

SN: 20003-UP

1шт.

29

04248-30816

Rod

SN: 20003-UP

1шт.

30

01508-40805

Nut

SN: 20003-UP

1шт.

31

04220-20832

York

SN: 20003-UP

1шт.

32

04050-12015

Pin, Cotter

SN: 20003-UP

2шт.

33

04205-10822

Pin

SN: 20003-UP

2шт.

34

01010-81030

Bolt

SN: 20003-UP

3шт.

35

01643-31032

Washer

SN: 20003-UP

3шт.

36

154-43-72351

Shaft

SN: 20003-UP

1шт.

37

07020-00000

Fitting, Grease

SN: 20003-UP

1шт.

38

04010-00519

Key, Woodruff

SN: 20003-UP

1шт.

39

154-43-72361

Lever

SN: 20003-UP

1шт.

40

01010-81035

Bolt

SN: 20003-UP

1шт.

41

01643-31032

Washer

SN: 20003-UP

1шт.

42

09304-10835

Knob, Red

SN: 20003-UP

1шт.

43

04250-80847

Rod End

SN: UP

-1шт.

Выбрано товаров: 43