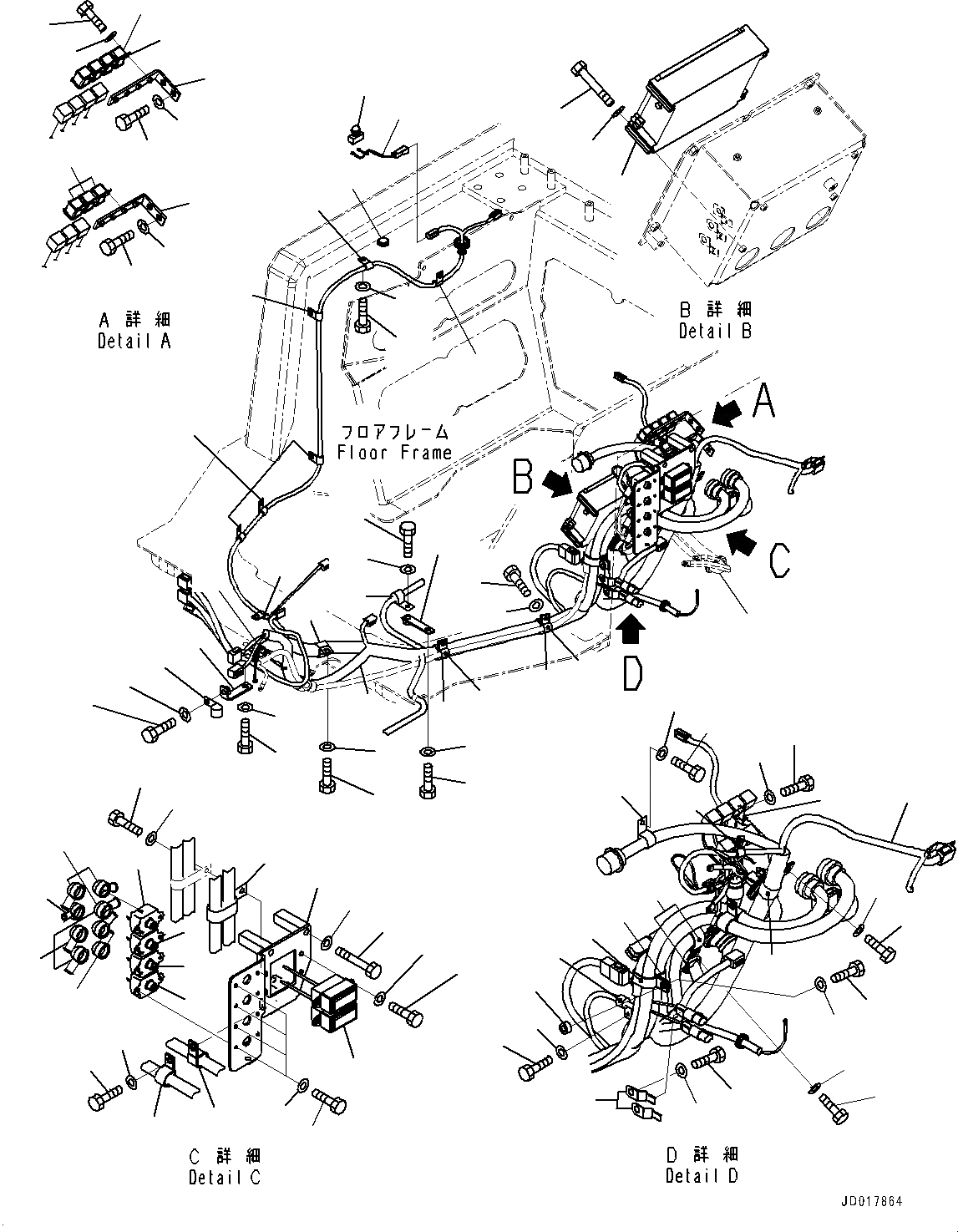
Запчасти Komatsu D85PX-15R ОСНОВН. КОНСТРУКЦИЯ, ПЕРЕКЛЮЧАТЕЛЬ И КОНТРОЛЛЕР (/) (№-) ОСНОВН. КОНСТРУКЦИЯ, БЕЗ МНОГОСТОЕЧН. РЫХЛИТ.

Схема запчастей Komatsu D85PX-15R - ОСНОВН. КОНСТРУКЦИЯ, ПЕРЕКЛЮЧАТЕЛЬ И КОНТРОЛЛЕР (/) (№-) ОСНОВН. КОНСТРУКЦИЯ, БЕЗ МНОГОСТОЕЧН. РЫХЛИТ.
53
54
55
57
59
58
57
56
55
54
53
48
47
46
45
44
43
42
17
16
15
14
11
10
7
5
4
6
3
13
12
9
8
13
13
9
8
49
62
61
60
36
35
31
71
70
72
6
52
51
50
41
40
39
38
37
67
68
69
32
34
33
64
63
66
63
63
63
18
65
63
30
29
28
27
26
25
2
1
22
19
24
23
6
18
20
21
18
74
73
76
75
77
78
19
79
FIT
1:1
100%

Артикул

Название

Примечание

Количество

1

08064-10000

Switch, Horn

SN: 20003-UP

1шт.

2

14X-06-21710

Wiring Harness

SN: 20003-UP

1шт.

3

7830-62-2007

Controller

SN: 20066-UP

1шт.

3

7830-62-2006

Controller

SN: 20003-20065

1шт.

4

01010-80885

Bolt

SN: 20003-UP

4шт.

5

01643-30823

Washer

SN: 20003-UP

4шт.

6

154-06-74421

Wiring Harness

SN: 20003-UP

1шт.

|$7

08041-00500

Fuse, 5Amp.

SN: 20003-UP

1шт.

|$8

08041-02000

Fuse, 20Amp.

SN: 20003-UP

6шт.

|$9

08041-03000

Fuse, 30Amp.

SN: 20003-UP

5шт.

|$10

08044-00010

Terminal

SN: 20003-UP

14шт.

|$11

08044-00030

Terminal

SN: 20003-UP

2шт.

|$12

20T-06-71560

Box, Fuse

SN: 20003-UP

2шт.

|$13

21J-06-13661

Diode

SN: 20003-UP

2шт.

7

154-06-74512

Bracket

SN: 20003-UP

1шт.

8

198-06-62830

Circuit Breaker

SN: 20003-UP

2шт.

9

198-06-62840

Circuit Breaker

SN: 20003-UP

2шт.

10

01010-80616

Bolt

SN: 20003-UP

8шт.

11

01643-30623

Washer

SN: 20003-UP

8шт.

12

08038-00525

Cap

SN: 20003-UP

1шт.

13

08038-02027

Cap, Terminal

SN: 20003-UP

7шт.

14

01011-81005

Bolt

SN: 20003-UP

2шт.

15

01643-31032

Washer

SN: 20003-UP

2шт.

16

01010-80820

Bolt

SN: 20003-UP

4шт.

17

01641-20812

Washer

SN: 20003-UP

4шт.

18

04434-53412

Clip

SN: 20003-UP

3шт.

19

04434-51410

Clip

SN: 20003-UP

2шт.

20

01010-81020

Bolt

SN: 20003-UP

4шт.

21

01643-31032

Washer

SN: 20003-UP

4шт.

22

04434-53412

Clip

SN: 20003-UP

1шт.

23

01010-81020

Bolt

SN: 20003-UP

1шт.

24

01643-31032

Washer

SN: 20003-UP

1шт.

25

195-06-41930

Bracket

SN: 20003-UP

1шт.

26

01010-81025

Bolt

SN: 20003-UP

1шт.

27

01643-31032

Washer

SN: 20003-UP

1шт.

28

04434-53412

Clip

SN: 20003-UP

1шт.

29

01010-81020

Bolt

SN: 20003-UP

1шт.

30

01643-31032

Washer

SN: 20003-UP

1шт.

31

04434-52511

Clip

SN: 20003-UP

1шт.

32

04434-53411

Clip

SN: 20003-UP

2шт.

33

01010-81025

Bolt

SN: 20003-UP

1шт.

34

01643-31032

Washer

SN: 20003-UP

1шт.

35

01010-81020

Bolt

SN: 20003-UP

1шт.

36

01643-31032

Washer

SN: 20003-UP

1шт.

37

419-963-1430

Clip

SN: 20003-UP

1шт.

38

154-06-74590

Clip

SN: 20003-UP

1шт.

39

362-60-12210

Spacer

SN: 20003-UP

1шт.

40

01010-81030

Bolt

SN: 20003-UP

1шт.

41

01643-31032

Washer

SN: 20003-UP

1шт.

42

04434-52310

Clip

SN: 20003-UP

1шт.

43

04434-52711

Clip

SN: 20003-UP

1шт.

44

154-06-74590

Clip

SN: 20003-UP

1шт.

45

01010-81030

Bolt

SN: 20003-UP

1шт.

46

01643-31032

Washer

SN: 20003-UP

1шт.

47

01010-81020

Bolt

SN: 20003-UP

1шт.

48

01643-31032

Washer

SN: 20003-UP

1шт.

49

04434-51010

Clip

SN: 20003-UP

1шт.

50

08193-21012

Clip

SN: 20003-UP

2шт.

51

01010-81020

Bolt

SN: 20003-UP

2шт.

52

01643-31032

Washer

SN: 20003-UP

2шт.

53

154-06-71360

Bracket

SN: 20003-UP

2шт.

54

01010-81020

Bolt

SN: 20003-UP

4шт.

55

01643-31032

Washer

SN: 20003-UP

4шт.

56

287-06-16420

Bracket

SN: 20003-UP

7шт.

57

569-06-61960

Relay

SN: 20003-UP

7шт.

58

01010-80612

Bolt

SN: 20003-UP

7шт.

59

01643-30623

Washer

SN: 20003-UP

7шт.

60

04434-51010

Clip

SN: 20003-UP

2шт.

61

01010-81020

Bolt

SN: 20003-UP

2шт.

62

01643-31032

Washer

SN: 20003-UP

2шт.

63

04434-51010

Clip

SN: 20003-UP

7шт.

64

01010-81020

Bolt

SN: 20003-UP

7шт.

65

01643-31032

Washer

SN: 20003-UP

7шт.

66

09415-01610

Cap

SN: 20003-UP

1шт.

67

04434-51610

Clip

SN: 20003-UP

2шт.

68

01010-81020

Bolt

SN: 20003-UP

2шт.

69

01643-31032

Washer

SN: 20003-UP

2шт.

70

04434-51910

Clip

SN: 20003-UP

1шт.

71

01010-81020

Bolt

SN: 20003-UP

1шт.

72

01643-31032

Washer

SN: 20003-UP

1шт.

73

421-62-11940

Plate

SN: 20003-UP

1шт.

74

01010-81020

Bolt

SN: 20003-UP

1шт.

75

01643-31032

Washer

SN: 20003-UP

1шт.

76

04434-52711

Clip

SN: 20003-UP

1шт.

77

01010-81020

Bolt

SN: 20003-UP

1шт.

78

01643-31032

Washer

SN: 20003-UP

1шт.

79

154-06-74152

Wiring Harness

SN: UP

-1шт.

Выбрано товаров: 87