Запчасти Komatsu D85PX-15R ОСНОВН. КОНСТРУКЦИЯ, РЫЧАГ УПРАВЛЕНИЯ РАБОЧИМ ОБОРУДОВАНИЕМ (/) (№-) ОСНОВН. КОНСТРУКЦИЯ, PROVISION ДЛЯ СКРЕППЕРА

Схема запчастей Komatsu D85PX-15R - ОСНОВН. КОНСТРУКЦИЯ, РЫЧАГ УПРАВЛЕНИЯ РАБОЧИМ ОБОРУДОВАНИЕМ (/) (№-) ОСНОВН. КОНСТРУКЦИЯ, PROVISION ДЛЯ СКРЕППЕРА
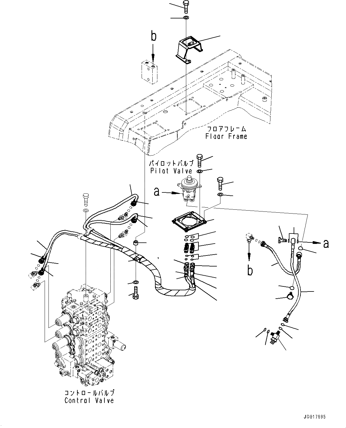
10
9
27
16
11
15
13
14
13
17
12
21
18
20
19
29
10
9
28
8
11
12
13
15
13
5
4
7
7
6
22
23
26
25
24
2
1
3
14
17
16
25
26
FIT
1:1
100%

Артикул

Название

Примечание

Количество

1

02781-00311

Union

SN: 20003-UP

4шт.

2

07002-11423

O-ring

SN: 20003-UP

4шт.

3

02896-11009

O-ring

SN: 20003-UP

4шт.

4

702-16-53240

Plug

SN: 20003-UP

1шт.

5

07000-12018

O-ring

SN: 20003-UP

2шт.

6

203-62-57730

Bolt, Eye

SN: 20003-UP

1шт.

7

07000-12018

O-ring

SN: 20003-UP

2шт.

8

14X-78-11133

Cover

SN: 20003-UP

1шт.

9

01010-80825

Bolt

SN: 20003-UP

4шт.

10

01643-30823

Washer

SN: 20003-UP

4шт.

|$10

154-61-71230

Hose Assembly

SN: 20003-UP

1шт.

11

154-61-71240

Hose

SN: 20003-UP

1шт.

12

154-61-71250

Hose

SN: 20003-UP

1шт.

13

154-61-71260

Hose

SN: 20003-UP

2шт.

14

20Y-62-22810

Band, Yellow

SN: 20003-UP

2шт.

15

20Y-62-22830

Band, White

SN: 20003-UP

2шт.

16

20Y-62-22840

Band, Black

SN: 20003-UP

2шт.

17

20Y-62-22850

Band, Green

SN: 20003-UP

2шт.

18

04434-53211

Clip

SN: 20003-UP

1шт.

19

01010-81030

Bolt

SN: 20003-UP

1шт.

20

01643-31032

Washer

SN: 20003-UP

1шт.

21

195-01-14540

Collar

SN: 20003-UP

1шт.

22

17A-61-16380

Hose

SN: 20003-UP

1шт.

23

17A-61-16230

Hose

SN: 20003-UP

1шт.

24

17A-61-16271

Tee

SN: 20003-UP

1шт.

25

201-60-11390

O-ring

SN: 20003-UP

2шт.

26

20Y-62-19560

O-ring

SN: 20003-UP

2шт.

27

17A-78-11640

Guide

SN: 20003-UP

1шт.

28

01010-80830

Bolt

SN: 20003-UP

4шт.

29

01643-30823

Washer

SN: 20003-UP

4шт.

Выбрано товаров: 30