Запчасти Komatsu D85PX-15R ПРИБОРНАЯ ПАНЕЛЬ, ПАНЕЛЬ МОНИТОРА И ПЕРЕКЛЮЧАТЕЛЬ (№-) ПРИБОРНАЯ ПАНЕЛЬ, АНТИОБЛЕДЕНИТЕЛЬ И ДОПОЛН. ОБОГРЕВАТ БЛОК

Схема запчастей Komatsu D85PX-15R - ПРИБОРНАЯ ПАНЕЛЬ, ПАНЕЛЬ МОНИТОРА И ПЕРЕКЛЮЧАТЕЛЬ (№-) ПРИБОРНАЯ ПАНЕЛЬ, АНТИОБЛЕДЕНИТЕЛЬ И ДОПОЛН. ОБОГРЕВАТ БЛОК
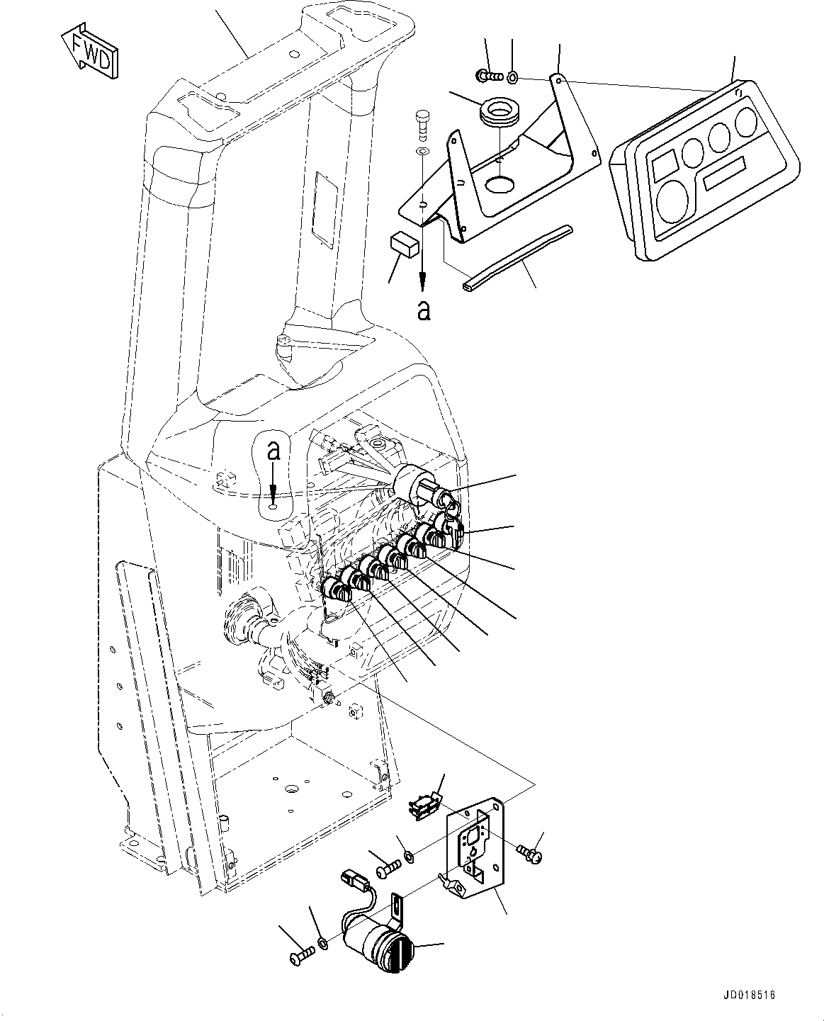
1
2
4
19
23
21
20
18
17
16
22
3
5
7
6
8
15
9
10
14
12
11
13
24
FIT
1:1
100%

Артикул

Название

Примечание

Количество

1

7831-69-3801

Monitor Panel

SN: 20013-UP

1шт.

1

7831-69-3800

Monitor Panel

SN: 20003-20012

1шт.

2

17A-Z11-7151

Bracket

SN: 20003-UP

1шт.

3

01245-00612

Screw

SN: 20003-UP

4шт.

4

01643-70623

Washer

SN: 20003-UP

4шт.

5

17A-Z11-7660

Sheet

SN: 20003-UP

2шт.

6

17A-Z11-7741

Seal

SN: 20003-UP

1шт.

7

08037-05016

Grommet

SN: 20003-UP

1шт.

8

08086-20000

Switch, Starting

SN: 20003-UP

1шт.

9

14X-06-12160

Switch, Auto Shift Down

SN: 20003-UP

1шт.

10

14X-06-12160

Switch, Preset Mode

SN: 20003-UP

1шт.

11

14X-06-12160

Switch, Head Lamp

SN: 20003-UP

1шт.

12

14X-06-12160

Switch, Rear Lamp

SN: 20003-UP

1шт.

13

7824-85-4810

Switch, Fan Rotation Selector

SN: 20003-UP

1шт.

13

7824-84-2890

Knob, Fan Rotation Selector

SN: 20003-UP

1шт.

14

7824-85-4810

Switch, Information

SN: 20003-UP

1шт.

14

7824-84-2890

Knob, Information

SN: 20003-UP

1шт.

15

7824-85-4810

Switch, Buzzer Cancel

SN: 20003-UP

1шт.

15

7824-84-2890

Knob, Buzzer Cancel

SN: 20003-UP

1шт.

16

198-06-56570

Buzzer

SN: 20003-UP

1шт.

17

01245-00612

Screw

SN: 20003-UP

2шт.

18

01643-70623

Washer

SN: 20003-UP

2шт.

19

17A-Z11-7411

Bracket

SN: 20003-UP

1шт.

20

01245-00816

Screw

SN: 20003-UP

2шт.

21

01643-70823

Washer

SN: 20003-UP

2шт.

22

195-979-8340

Breaker

SN: 20003-UP

2шт.

23

01023-10308

Screw

SN: 20003-UP

4шт.

24

17A-Z11-3811

Duct

SN: UP

-1шт.

|$28

17A-Z11-3811

Duct

SN: UP

-1шт.

|$29

17A-Z11-3811

Duct

SN: UP

-1шт.

|$30

17A-Z11-3811

Duct

SN: UP

-1шт.

Выбрано товаров: 31