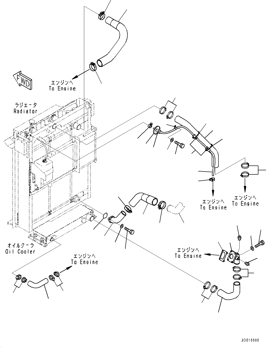
Запчасти Komatsu D85PX-15R СИСТЕМА ТРУБ ОХЛАЖДЕНИЯ, ШЛАНГИ И КРЕПЛЕНИЕ (№-) СИСТЕМА ТРУБ ОХЛАЖДЕНИЯ

Схема запчастей Komatsu D85PX-15R - СИСТЕМА ТРУБ ОХЛАЖДЕНИЯ, ШЛАНГИ И КРЕПЛЕНИЕ (№-) СИСТЕМА ТРУБ ОХЛАЖДЕНИЯ
26
27
25
2
6
6
1
2
5
3
6
4
5
7
9
8
4
29
24
28
20
21
15
18
13
12
13
23
22
19
17
16
14
30
11
10
11
FIT
1:1
100%

Артикул

Название

Примечание

Количество

1

154-03-75711

Hose

SN: 20003-UP

1шт.

2

07289-00080

Clamp

SN: 20003-UP

4шт.

3

09483-10312

Hose

SN: 20003-UP

1шт.

4

154-03-71770

Cover

SN: 20003-UP

3шт.

5

07281-00197

Clamp

SN: 20003-UP

2шт.

6

08034-20536

Band

SN: 20003-UP

3шт.

7

04434-51612

Clip

SN: 20003-UP

1шт.

8

01010-81225

Bolt

SN: 20003-UP

1шт.

9

01643-31232

Washer

SN: 20003-UP

1шт.

10

154-03-75961

Hose

SN: 20003-UP

1шт.

11

07289-00055

Clamp

SN: 20003-UP

4шт.

12

154-03-75971

Hose

SN: 20003-UP

1шт.

13

07289-00080

Clamp

SN: 20003-UP

4шт.

14

154-03-75281

Tube

SN: 20003-UP

1шт.

15

154-03-31571

Gasket

SN: 20003-UP

1шт.

16

01010-81035

Bolt

SN: 20003-UP

4шт.

17

01643-31032

Washer

SN: 20003-UP

4шт.

18

07042-30108

Plug

SN: 20003-UP

1шт.

19

07042-70415

Plug

SN: 20003-UP

1шт.

20

154-03-75751

Tube

SN: 20003-UP

1шт.

21

07000-E2065

O-ring

SN: 20003-UP

1шт.

22

01010-81035

Bolt

SN: 20003-UP

2шт.

23

01643-31032

Washer

SN: 20003-UP

2шт.

24

154-03-75762

Hose

SN: 20003-UP

1шт.

25

21T-62-69711

Clamp, Hose

SN: 20003-UP

1шт.

26

14X-01-35581

Clamp

SN: 20003-UP

1шт.

27

154-03-75771

Hose

SN: 20003-UP

1шт.

28

07299-00080

Clamp, Hose

SN: 20003-UP

2шт.

29

14X-01-35581

Clamp

SN: 20003-UP

1шт.

30

154-01-75911

Tube

SN: UP

-1шт.

Выбрано товаров: 30