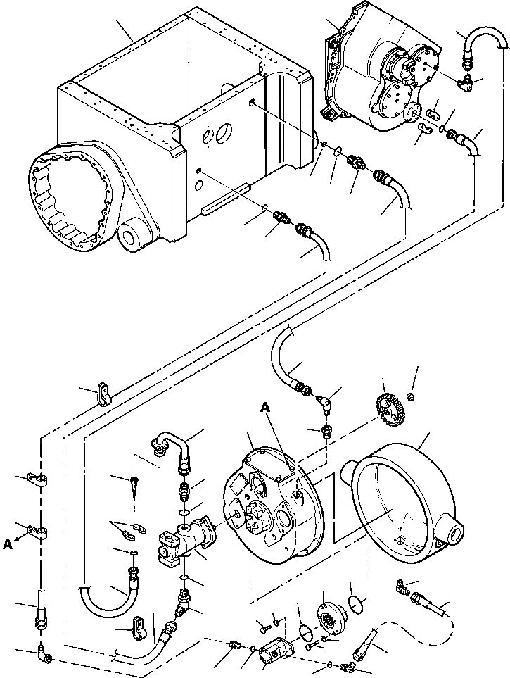
Запчасти Komatsu D87E-2 FIG. F-A SCAVENGING, СМАЗКА, ДРЕНАЖН. И ВЕНТИЛЯТОР ТРУБЫ СИЛОВАЯ ПЕРЕДАЧА И КОНЕЧНАЯ ПЕРЕДАЧА

Схема запчастей Komatsu D87E-2 - FIG. F-A SCAVENGING, СМАЗКА, ДРЕНАЖН. И ВЕНТИЛЯТОР ТРУБЫ СИЛОВАЯ ПЕРЕДАЧА И КОНЕЧНАЯ ПЕРЕДАЧА
19
1
27
26
3
2
4
3
18
17
16
14
25
24
23
27
32
31
28
46
8
30
20
29
46
7
9
10
5
47
6
11
33
42
4
34
12
37
41
23
43
14
44
13
15
35
45
36
41
22
21
38
39
40
FIT
1:1
100%

Артикул

Название

Примечание

Количество

1

TRANSMISSION (SEE FIG. F2320-02A0)

SN: P090001-UP

1шт.

2

21 924 R1

O-RING

SN: P090001-UP

1шт.

3

301 844 R1

FLANGE, SPLIT

SN: P090001-UP

2шт.

|$3

24 861 R1

BOLT

SN: P090001-UP

4шт.

4

666 144 C2

HOSE

SN: P090001-UP

1шт.

5

301 844 R1

FLANGE, SPLIT

SN: P090001-UP

2шт.

|$6

24 862 R1

BOLT

SN: P090001-UP

4шт.

6

21 924 R1

O-RING

SN: P090001-UP

1шт.

7

706 616 C2

STRAINER

SN: P090001-UP

1шт.

8

666 142 C1

TUBE

SN: P090001-UP

1шт.

9

9410 208

CONNECTOR

SN: P090001-UP

1шт.

10

307 915 R1

O-RING

SN: P090001-UP

1шт.

11

PUMP, CHARGE (SEE FIG. F2300-27A0)

SN: P090001-UP

1шт.

12

296 247 R1

O-RING

SN: P090001-UP

1шт.

13

9411 109

ELBOW

SN: P090001-UP

1шт.

14

666 147 C1

HOSE

SN: P090001-UP

1шт.

15

308 872 R1

CLIP

SN: P090001-UP

1шт.

|$17

24 839 R1

BOLT

SN: P090001-UP

1шт.

|$18

115 093

WASHER

SN: P090001-UP

1шт.

16

657 689 C1

CONNECTOR

SN: P090001-UP

1шт.

17

350 818 R1

O-RING

SN: P090001-UP

1шт.

18

307 915 R1

O-RING

SN: P090001-UP

1шт.

19

FRAME, MAIN (SEE FIG. J2100-03A0)

SN: P090001-UP

1шт.

20

HOUSING (SEE FIG. A2210-A3A1)

SN: P090001-UP

1шт.

21

364 885 R1

O-RING

SN: P090001-UP

1шт.

22

3002 774 R1

CONNECTOR

SN: P090001-UP

1шт.

23

1500 811 H1

HOSE

SN: P090001-UP

1шт.

24

9411 109

ELBOW

SN: P090001-UP

1шт.

25

296 247 R1

O-RING

SN: P090001-UP

1шт.

26

9402 865

ELBOW

SN: P090001-UP

1шт.

27

606 432 C91

HOSE

SN: P090001-UP

1шт.

28

556 656 R1

ELBOW

SN: P090001-UP

1шт.

29

24 466 R1

CONNECTOR

SN: P090001-UP

1шт.

30

CONVERTER, TORQUE (SEE FIG. F2310-01A0)

SN: P090001-UP

1шт.

31

603 633 C1

GEAR

SN: P090001-UP

1шт.

32

19 263 R1

LOCKNUT

SN: P090001-UP

1шт.

33

336 970 R1

O-RING

SN: P090001-UP

1шт.

34

DRIVE (SEE FIG. F2300-06A0)

SN: P090001-UP

1шт.

35

25 896 R1

WASHER

SN: P090001-UP

2шт.

36

25 497 R1

BOLT

SN: P090001-UP

2шт.

37

26 970 R1

O-RING

SN: P090001-UP

1шт.

38

1315 375 H91

PUMP

SN: P090001-UP

1шт.

39

364 885 R1

O-RING

SN: P090001-UP

1шт.

40

1315 545 H1

ELBOW

SN: P090001-UP

1шт.

41

343 798 R91

HOSE

SN: P090001-UP

1шт.

42

1500 686 H1

ELBOW

SN: P090001-UP

1шт.

43

25 896 R1

WASHER

SN: P090001-UP

2шт.

44

24 840 R1

BOLT

SN: P090001-UP

2шт.

45

9410 285

ELBOW

SN: P090001-UP

1шт.

46

309 929 R1

CLIP

SN: P090001-UP

2шт.

|$50

24 839 R1

BOLT

SN: P090001-UP

2шт.

|$51

25 544 R1

WASHER

SN: P090001-UP

2шт.

47

309 929 R1

CLIP

SN: P090001-UP

1шт.

|$53

-1шт.

|$55

-1шт.

Выбрано товаров: 55