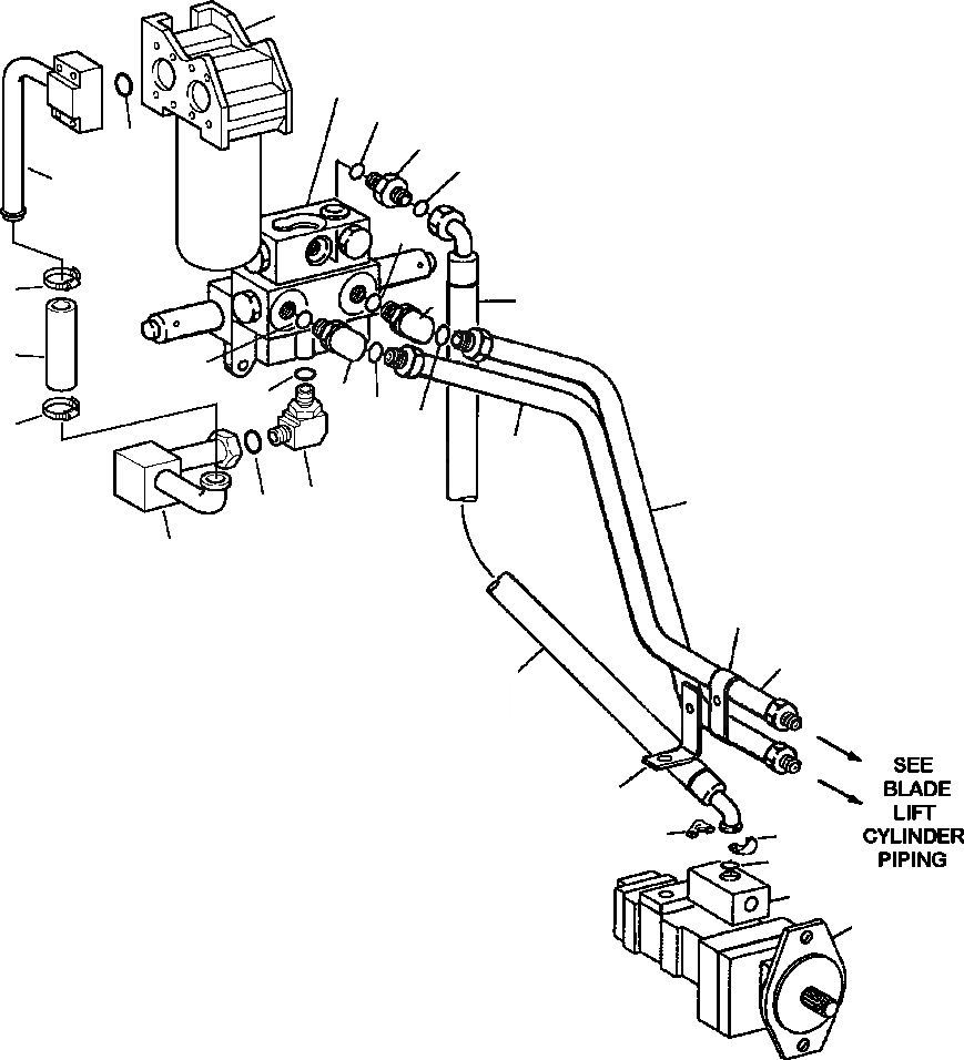
Запчасти Komatsu D87E-2 FIG. H-7A ОДИНОЧН. СЕКЦ. КЛАПАН ТРУБЫ ГИДРАВЛИКА

Схема запчастей Komatsu D87E-2 - FIG. H-7A ОДИНОЧН. СЕКЦ. КЛАПАН ТРУБЫ ГИДРАВЛИКА
23
1
2
3
22
4
21
11
14
10
5
20
11
16
10
12
12
14
13
17
15
18
19
24
13
5
25
6
6
7
8
9
FIT
1:1
100%

Артикул

Название

Примечание

Количество

1

VALVE, SINGLE SPOOL(SEE FIG. H0120-06A0)

SN: P090001-UP

1шт.

|$1

24 863 R1

BOLT

SN: P090001-UP

3шт.

|$2

Q 311

WASHER

SN: P090001-UP

3шт.

2

O-RING (SEE FIG. H0100-03A1)

SN: P090001-UP

1шт.

3

CONNECTOR (SEE FIG. H0100-03A1)

SN: P090001-UP

1шт.

4

O-RING (SEE FIG. H0100-03A1)

SN: P090001-UP

1шт.

5

HOSE (SEE FIG. H0100-03A1)

SN: P090001-UP

1шт.

6

FLANGE (SEE FIG. H0100-03A1)

SN: P090001-UP

2шт.

|$8

25 262 R1

BOLT

SN: P090001-UP

4шт.

7

O-RING (SEE FIG. H0100-03A1)

SN: P090001-UP

1шт.

8

BLOCK (SEE FIG. H0100-03A1)

SN: P090001-UP

1шт.

9

PUMP (SEE FIG. H0100-03A1)

SN: P090001-UP

1шт.

10

1297 734 H1

ELBOW

SN: P090001-UP

1шт.

11

296 247 R1

O-RING

SN: P090001-UP

2шт.

12

384 376 R1

O-RING

SN: P090001-UP

2шт.

13

1500 818 H1

HOSE

SN: P090001-UP

1шт.

14

690 063 C2

CLAMP

SN: P090001-UP

2шт.

15

1500 817 H1

TUBE

SN: P090001-UP

1шт.

16

307 915 R1

O-RING

SN: P090001-UP

1шт.

17

1303 318 H91

TEE

SN: P090001-UP

1шт.

18

343 901 R1

O-RING

SN: P090001-UP

1шт.

19

1298 200 H91

ELBOW

SN: P090001-UP

1шт.

20

645 097 C1

HOSE

SN: P090001-UP

1шт.

21

1303 322 H91

TUBE

SN: P090001-UP

1шт.

|$24

24 865 R1

BOLT

SN: P090001-UP

4шт.

22

343 923 R1

O-RING

SN: P090001-UP

1шт.

23

FILTER (SEE FIG. H0120-12A0)

SN: P090001-UP

1шт.

24

326 296 R1

CLIP

SN: P090001-UP

1шт.

25

645 360 C1

BRACKET

SN: P090001-UP

1шт.

|$29

-1шт.

|$31

-1шт.

Выбрано товаров: 0