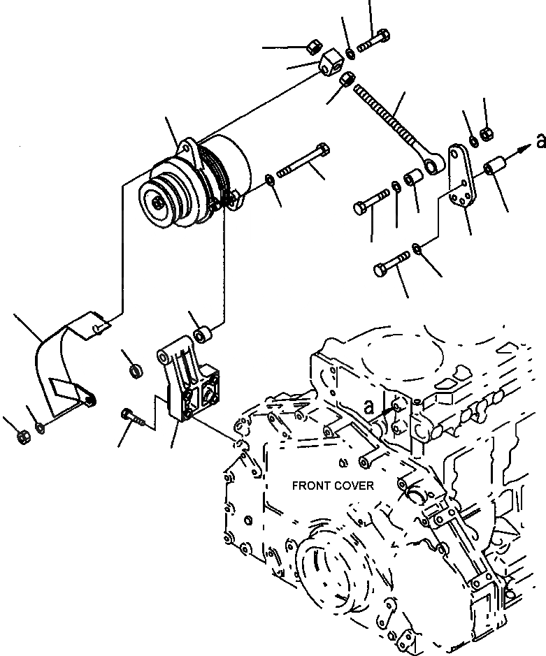
Запчасти Komatsu D87E-2 FIG. A-AS КРЕПЛЕНИЕ ГЕНЕРАТОРА - A ДВИГАТЕЛЬ

Схема запчастей Komatsu D87E-2 - FIG. A-AS КРЕПЛЕНИЕ ГЕНЕРАТОРА - A ДВИГАТЕЛЬ
22
7
21
15
14
19
17
1
21
2
4
20
18
17
11
16
13
5
8
12
6
4
3
10
9
FIT
1:1
100%

Артикул

Название

Примечание

Количество

1

ALTERNATOR (SEE FIG. A6010-B3S4)

1шт.

2

6128-21-6780

BOLT

1шт.

3

02205-10812

NUT

1шт.

4

01640-21323

WASHER

2шт.

5

21T-72-14350

SPACER

1шт.

6

29W-14-11230

SPACER

1шт.

7

01643-31232

WASHER

1шт.

8

6151-82-6711

COVER

1шт.

9

6150-81-6470

BRACKET

1шт.

10

01010-81060

BOLT

4шт.

11

6150-82-8650

PLATE

1шт.

12

01010-81060

BOLT

2шт.

13

01643-31032

WASHER

2шт.

14

6150-82-8610

ROD

1шт.

15

6150-82-8690

PLATE

1шт.

16

01010-81255

BOLT

1шт.

17

01643-31232

WASHER

2шт.

18

6215-81-6150

PIN

1шт.

19

01580-11210

NUT

1шт.

20

6150-81-6920

SPACER

2шт.

21

01580-11411

NUT

2шт.

22

01050-81260

BOLT

1шт.

Выбрано товаров: 22