Запчасти Komatsu D87E-2 FIG. F-A ПРИВОД ЛИНИЯ СИЛОВАЯ ПЕРЕДАЧА И КОНЕЧНАЯ ПЕРЕДАЧА

Схема запчастей Komatsu D87E-2 - FIG. F-A ПРИВОД ЛИНИЯ СИЛОВАЯ ПЕРЕДАЧА И КОНЕЧНАЯ ПЕРЕДАЧА
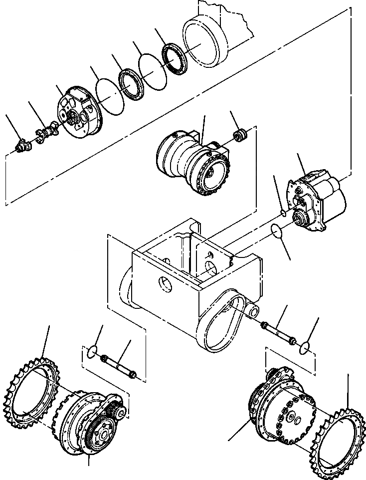
7
9
15
9
8
10
2
11
1
4
5
6
3
13
13
14
3
14
12
12
FIT
1:1
100%

Артикул

Название

Примечание

Количество

1

DRIVE, TWO SPEED STEERING W/HOSES (SEE FIG. F2300-18A0)

SN: P090001-UP

1шт.

|$1

25 918 R1

BOLT, MOUNTING - 1NCx4-1/2

SN: P090001-UP

2шт.

|$2

25 540 R1

WASHER, HARD - 1

SN: P090001-UP

2шт.

2

659 755 C1

SLEEVE, DRIVE PINION

SN: P090001-UP

1шт.

3

1315 614 H1

SHAFT, OUTPUT

SN: P090001-UP

2шт.

4

TRANSMISSION ASSY. W/VALVES, HOSES, AND MANIFOLDS (SEE FIG. F2320-01A1)

SN: P090001-UP

1шт.

|$6

25 517 R1

BOLT, MOUNTING - 1NCx2

SN: P090001-UP

1шт.

|$7

25 998 R1

BOLT, MOUNTING - 1NCx5-1/2

SN: P090001-UP

2шт.

|$8

25 540 R1

WASHER, HARD - 1

SN: P090001-UP

3шт.

5

304 879 R1

O-RING

SN: P090001-UP

1шт.

6

22 299 R1

O-RING

SN: P090001-UP

1шт.

7

1315 321 H1

RING, DRIVE

SN: P090001-UP

1шт.

|$12

01010-E1235

BOLT, MOUNTING - 12MMx35

SN: P090001-UP

8шт.

|$13

01643-31232

WASHER, HARD - 12MM

SN: P090001-UP

8шт.

8

CONVERTER, TORQUE (SEE FIG. F2310-01A0)

SN: P090001-UP

1шт.

|$15

01010-E1265

BOLT, MOUNTING - 12MMx65

SN: P090001-UP

7шт.

|$16

01643-31232

WASHER, HARD - 12MM

SN: P090001-UP

7шт.

|$17

01144-61265

STUD - 12MMx65

SN: P090001-UP

5шт.

|$18

01580-01210

NUT, MOUNTING - 12MM

SN: P090001-UP

5шт.

|$19

01643-31232

WASHER, HARD - 12MM

SN: P090001-UP

5шт.

9

321 988 R1

O-RING

SN: P090001-UP

2шт.

10

SHAFT, DRIVE (SEE FIG. F2200-01A0)

SN: P090001-UP

1шт.

|$22

25 279 R1

BOLT, MOUNTING - 12NFx2

SN: P090001-UP

8шт.

11

658 403 C1

YOKE, TRANSMISSION DRIVE

SN: P090001-UP

1шт.

12

DRIVE, FINAL (SEE FIG. F2380-01A0)

SN: P090001-UP

2шт.

|$25

25 764 R1

BOLT, MOUNTING - 7/8NCx2-1/4

SN: P090001-UP

40шт.

13

343 914 R1

O-RING

SN: P090001-UP

2шт.

14

655 425 C3

SPROCKET, MACHINED DRIVE

SN: P090001-UP

2шт.

|$29

OR

-1шт.

|$31

1211 906 H1

SPROCKET, AS CAST DRIVE

SN: P090001-UP

2шт.

|$32

24 890 R1

BOLT, MOUNTING - 3/4NCx2-1/2

SN: P090001-UP

36шт.

|$33

39 422 D

WASHER, HARD - 3/4

SN: P090001-UP

36шт.

|$34

25 529 R1

NUT, HEX - 3/4NC

SN: P090001-UP

36шт.

15

1315 322 H1

SPACER, RING

SN: P090001-UP

1шт.

Выбрано товаров: 0